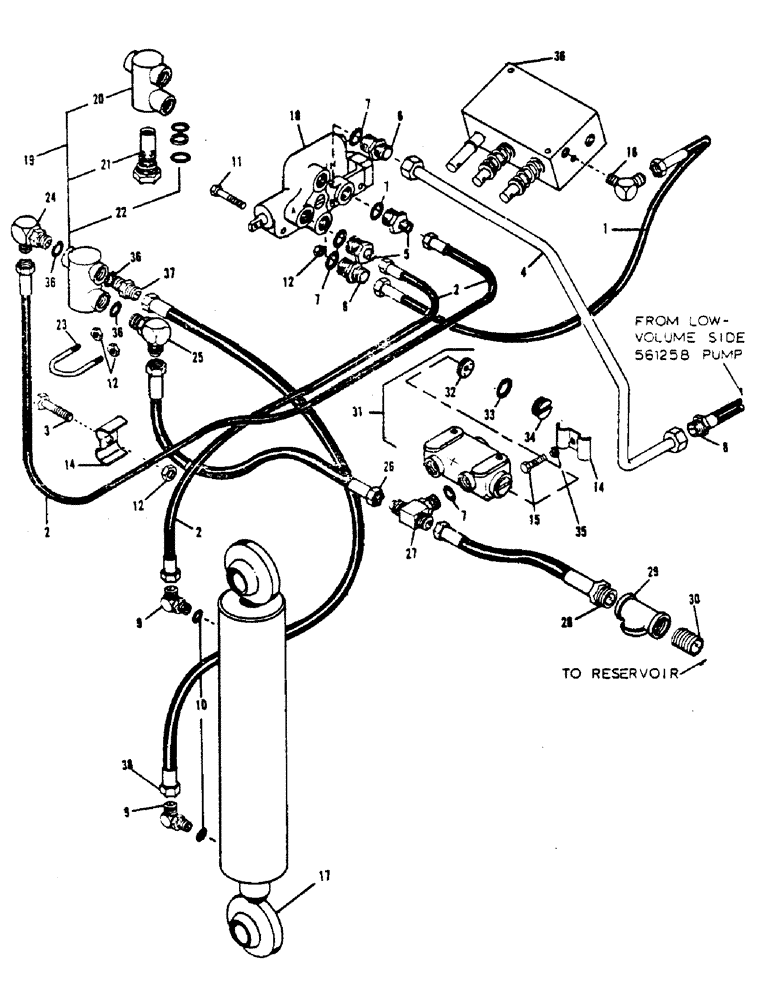
Запчасти Case 1000 (72) - HYDRAULIC LINES - BACKFILL BLADE, (SPEC. #P16WS10, P16FG11, P16FD12 & UP)

Схема запчастей Case 1000 - (72) - HYDRAULIC LINES - BACKFILL BLADE, (SPEC. #P16WS10, P16FG11, P16FD12 & UP)
FIT
1:1
100%

Артикул

Название

Примечание

Количество

1

H199141

HOSE

(3/8" x 27") 3/4" JIC Fe. Sw. ends

1шт.

2

H243790

HYDRAULIC HOSE,6.35 mm ID x 1473.20 mm, SAE 100R1

6.35 mm ID x 1473.20 mm, SAE 100R1

2шт.

3

H709477

BOLT

HHCS (5/16" x 1-1/2" NC)

1шт.

4

H573808

TUBE ASM (1/2") 0.5" OD x 12.375, 16.312" L

1шт.

5

H45534

ROD, CONNECTING

ADAPTER, straight (7/8" boss x 9/16" JIC M)

2шт.

6

H54569

FITTING

ADAPTER, straight (7/8" boss x 3/4" JIC M)

2шт.

7

H745174

O-RING

O RING (7/8")

5шт.

8

H247171

HOSE ASSY.

HOSE (3/8" x 16-1/2") special

1шт.

9

H165068

ADAPTER

- 90 degrees (9/16" boss x 9/16" JIC M)

2шт.

10

H745158

O-RING

O RING (9/16")

2шт.

11

H709519

BOLT

HHCS (5/16" x 2-1/2" NC)

2шт.

12

230-4215

NUT,5/16"-18, GA

NUT (5/16" NC - lock)

5шт.

14

H45468

CLAMP

TUBE CLAMP

2шт.

15

H709451

BOLT (SPREADER)

HHCS (5/16" x 1" NC)

1шт.

16

H169847

ADAPTER

- 90 degrees (3/8 MP x 3/4 " JIC M)

1шт.

17

H578633

CYLINDER BLOCK

BACKFILL BLADE CYLINDER ASM (See Figure 66 for parts list)

1шт.

18

H537647

LOCK VALVE

BACKFILL BLADE CONTROL VALVE ASM (See Figure 70 for parts list)

1шт.

19

H591693

VALVE, PRESSURE RELI

RELIEF VALVE ASM, Includes: Ref. 20 - 22

1шт.

20

H544544

BODY

1шт.

21

H206490

LOCK VALVE

RELIEF VALVE (1000 PSI)

1шт.

22

H226415

SEAL ASSY.

MAJOR SEAL KIT

1шт.

23

H110270

HARDWARE

U BOLT

1шт.

24

H169763

FITTING

ADAPTER - 90 degrees (3/4" boss x 9/16" JIC M)

1шт.

25

86527

90 ELBOW,7/8" - 14 JIC x 3/4" - 16 ORB

ADAPTER - 90 degrees (3/4" boss x 7/8" JIC M)

1шт.

26

H213025

HOSE ASSY.

HOSE (1/2" x 16") 7/8" JIC Fe. Sw. ends

1шт.

27

H30718

TEE

MALE RUN TEE (7/8" boss x 7/8" JIC M)

1шт.

28

H55152

HOSE ASSY.

HOSE (1/2" MP x 7/8" JIC Fe. Sw.)

1шт.

29

H753392

TEE

(1/2" x 1/2" x 3/4" pipe)

1шт.

30

H753954

NIPPLE, LUBE

NIPPLE (3/4" all thread - pipe)

1шт.

31

H532531

FITTING

FLOW DIVIDER ASM, Includes: Ref. 32 - 34

1шт.

32

H126763

ORIFICE PLATE (.2420 dia.)

1шт.

33

H744805

O-RING

O RING

2шт.

34

H125070

PLUG

2шт.

35

H739201

WASHER

LOCK WASHER (5/16")

1шт.

36

H745166

O-RING

O RING (3/4")

3шт.

37

H112565

COUPLING, BREAK AWAY

ADAPTER - straight (3/4" boss x 9/16" JIC M)

1шт.

38

H168658

HYDRAULIC HOSE,6.35 mm ID x 508.00 mm, SAE 100R1

6.35 mm ID x 508.00 mm

1шт.

Выбрано товаров: 37