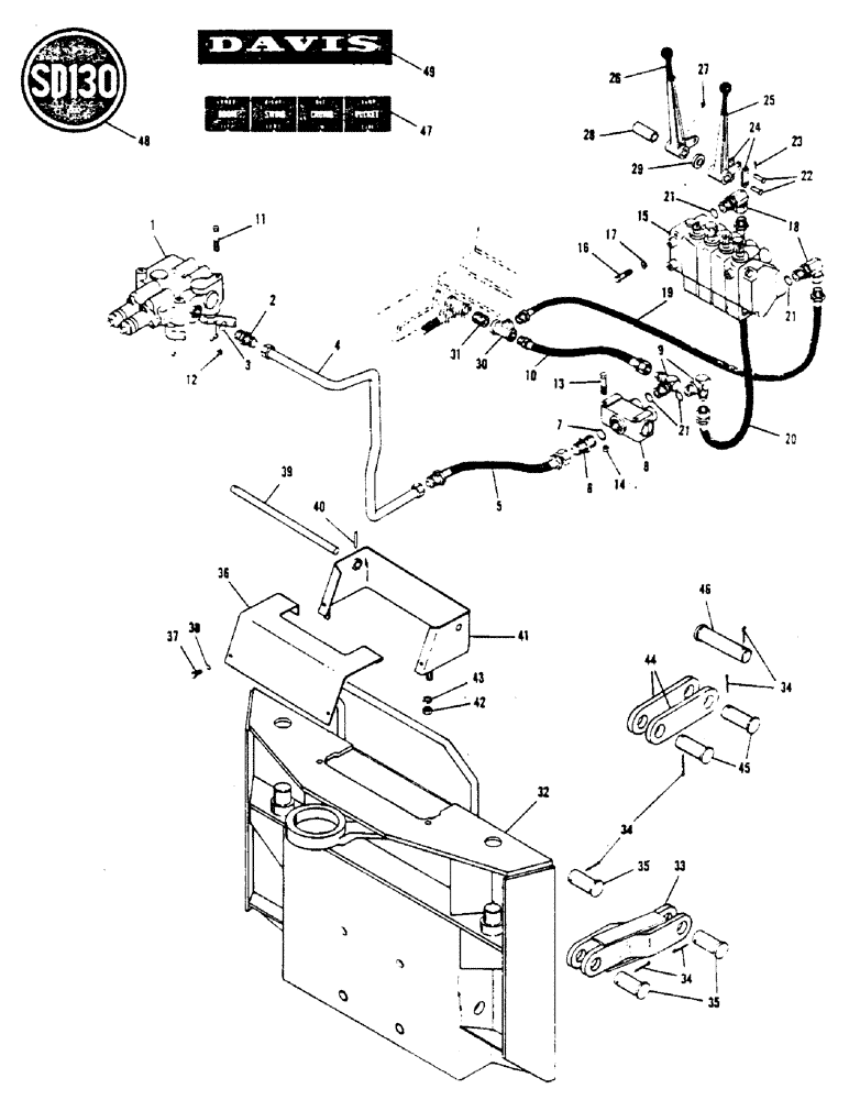
Запчасти Case 1000 (74) - D-130, SD-130 HYDRAULIC LINES, ATTACHING BRACKETS

Схема запчастей Case 1000 - (74) - D-130, SD-130 HYDRAULIC LINES, ATTACHING BRACKETS
FIT
1:1
100%

Артикул

Название

Примечание

Количество

1

H537043

LOCK VALVE

CONVEYOR - high-speed valve asm (See Figure 62 for parts list)

1шт.

2

H195321

ADAPTER

- straight

1шт.

3

H745182

O-RING

O RING

1шт.

4

H573675

TUBE,0.75" OD x 20.375, 5.5" L

- power beyond port

1шт.

5

H234179

HOSE

(3/4" x 22" - 1-1/16" JIC male - 1-1/16" JIC Fe. Sw.)

1шт.

6

H195321

ADAPTER

- straight

1шт.

7

H745182

O-RING

O RING

1шт.

8

H532531

FITTING

FLOW DIVIDER ASM (See Figure 72 for parts list)

1шт.

9

H31674

ADAPTER

- 90 degrees

2шт.

10

H55152

HOSE ASSY.

HOSE (1/2" x 16" - 1/2" M.P. - 7/8" JIC Fe. Sw.)

1шт.

11

H709956

BOLT

HHCS (3/8" x 3-1/2" NC)

2шт.

11

H709949

BOLT

HHCS (3/8" x 3-1/4" NC)

1шт.

12

H738013

LOCK NUT

NUT (3/8" NC - lock)

3шт.

13

H709519

BOLT

HHCS (5/16" x 2-1/2" NC)

2шт.

14

230-4215

NUT,5/16"-18, GA

NUT (5/16" NC - lock)

2шт.

15

H567677

B/H CONTROL VALVE

1шт.

Up to spec no. P16WS04, P16FG05, P16FD06.

1шт.

16

H710228

BOLT (MACHINE)

HHCS (7/16" x 3/4" NC)

3шт.

Up to spec no. P16WS04, P16FG05, P16FD06.

1шт.

17

H739227

WASHER, LOCK

LOCK WASHER (7/16")

3шт.

Up to spec no. P16WS04, P16FG05, P16FD06.

1шт.

18

218-5201

90 ELBOW,90 Degree, 7/8"-14 O-Ring x 1/2" NPSM Fem

ADAPTER -90 degrees

2шт.

19

H62737

HOSE

(1/2" x 54" - 1/2" male pipe - both ends)

1шт.

20

H49692

HOSE ASSY.

HOSE (1/2" x 52" - 1/2" male pipe - 7/8" JIC Fe. Sw.)

1шт.

21

H745174

O-RING

O RING

2шт.

22

H35279

AXLE PIN,4.72mm OD x 23.76mm L

CLEVIS PIN (3/16" x 57/64")

8шт.

23

H739623

PIN

COTTER PIN (1/16" x 1/2")

8шт.

24

H50559

LINK

LEVER LINK

8шт.

Up to spec no. P16WS04, P16FG05, P16FD06.

1шт.

25

H83436

LEVER

- crowd & bucket control

2шт.

Up to spec no. P16WS04, P16FG05, P16FD06.

1шт.

26

H83444

LEVER

- boom & swing control

2шт.

Up to spec no. P16WS04, P16FG05, P16FD06.

1шт.

27

H745331

FITTING

GREASE FITTING

4шт.

Up to spec no. P16WS04, P16FG05, P16FD06.

1шт.

28

H218842

SPACER

2шт.

Up to spec no. P16WS04, P16FG05, P16FD06.

1шт.

29

H26468

SPACER

3шт.

30

H753392

TEE

(1/2" x 1/2" x 3/4" - pipe)

1шт.

31

H753954

NIPPLE, LUBE

NIPPLE (3/4" all thread)

1шт.

32

H567115

SD-130 BACKHOE MAIN FRAME

1шт.

Up to spec no. P16WS04, P16FG05, P16FD06.

1шт.

33

H577775

ATTACHING LINK

2шт.

Up to spec no. P16WS04, P16FG05, P16FD06.

1шт.

34

H740548

PIN

COTTER PIN (1/4" x 1-3/4")

6шт.

35

H114959

AXLE PIN

PIN (1-1/4" x 3-1/16")

6шт.

Up to spec no. P16WS04, P16FG05, P16FD06.

1шт.

36

H567123

COVER

PLATE

1шт.

Up to spec no. P16WS04, P16FG05, P16FD06.

1шт.

37

H709436

BOLT

HHCS (5/16" x 3/4" NC)

4шт.

Up to spec no. P16WS04, P16FG05, P16FD06.

1шт.

38

H739201

WASHER

LOCK WASHER

4шт.

Up to spec no. P16WS04, P16FG05, P16FD06.

1шт.

39

H110262

SHAFT

CONTROL LEVER PIVOT SHAFT

1шт.

Up to spec no. P16WS04, P16FG05, P16FD06.

1шт.

40

H746941

PIN, ROLL

ROLL PIN (3/16" x 1-1/4")

1шт.

Up to spec no. P16WS04, P16FG05, P16FD06.

1шт.

41

H567131

CONTROL

LEVER BRACKET

1шт.

Up to spec no. P16WS04, P16FG05, P16FD06.

1шт.

42

H735951

NUT

(1/2" NF)

2шт.

Up to spec no. P16WS04, P16FG05, P16FD06.

1шт.

43

H739235

WASHER

LOCK WASHER (1/2")

2шт.

Up to spec no. P16WS04, P16FG05, P16FD06.

1шт.

44

H259192

ATTACHING LINK

4шт.

Spec no. P16WS04, P16FG05, P16FD06 up to P16WS10, P16FG11, P16FD12.

1шт.

44

H264135

ATTACHING LINK

4шт.

Spec no. P16WS10, P16FG11, P16FD12 and up.

1шт.

45

H222836

PIN (1-1/4 x 3-1/4)

4шт.

Spec. no. P16WS04, P16FG05, P16FD06 and up.

1шт.

46

H225193

RETAINER

PIN (1-1/4" x 5-7/16")

2шт.

Spec. no. P16WS04, P16FG05, P16FD06 and up.

1шт.

47

H218867

DECAL

- lever position

1шт.

Up to spec no. P16WS04, P16FG05, P16FD06.

1шт.

48

H218859

DECAL - SD-130

2шт.

Up to spec no. P16WS04, P16FG05, P16FD06.

1шт.

49

H71878

DECAL

- Davis

1шт.

Up to spec no. P16WS04, P16FG05, P16FD06.

1шт.

Выбрано товаров: 77