Запчасти Case 1000 (12) - INSTRUMENTS & WIRING

Схема запчастей Case 1000 - (12) - INSTRUMENTS & WIRING
FIT
1:1
100%

Артикул

Название

Примечание

Количество

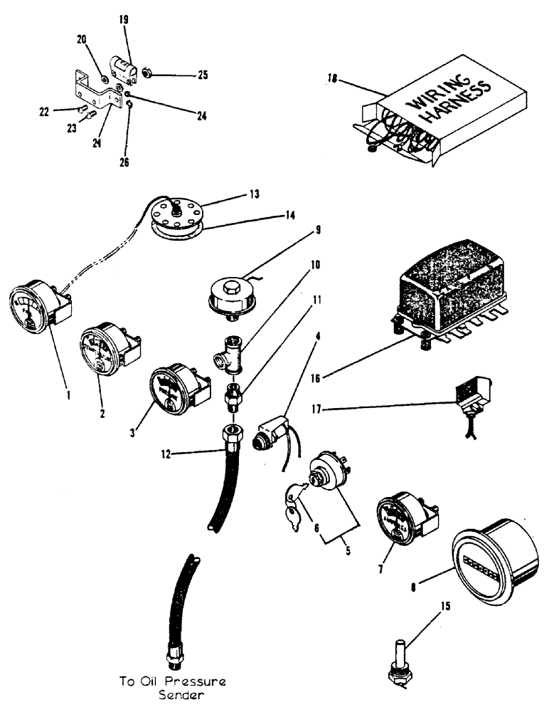
1

H142794

ELECTRICAL GAUGE

FUEL GAUGE Common to all units

1шт.

2

H225839

ELECTRICAL GAUGE

TEMPERATURE GAUGE All Ford gasoline and diesel engines.

1шт.

3

H147876

ELECTRICAL GAUGE

OIL PRESSURE GAUGE All Ford gasoline and diesel engines.

1шт.

3

OIL PRESSURE GAUGE Wisconsin engines.

1шт.

These parts may be purchased from your local authorized Ford industrial or Wisconsin engine dealer.

1шт.

4

H603852

LIGHT

OIL TEMPERATURE LIGHT Common to all units.

1шт.

5

H71498

SWITCH

& KEYS Common to all units., Includes: Ref. 6

1шт.

6

H95570

KEY

IGNITION KEYS (Set of two) Common to all units.

1шт.

7

AMMETER All Ford gasoline and diesel engines.

1шт.

These parts may be purchased from your local authorized Ford industrial or Wisconsin engine dealer.

1шт.

7

H72603

AMMETER

For Case 207, Wisconsin engine

1шт.

8

H129957

HOURMETER

HOUR METER Common to all units.

1шт.

9

H139634

SWITCH

PRESSURE SWITCH - hour meter, All Ford gasoline and diesel engines.

1шт.

10

H749986

TEE

PIPE TEE (1/8") All Ford gasoline and diesel engines.

1шт.

11

H130344

FITTING

ADAPTER - hose to tee, All Ford gasoline and diesel engines.

1шт.

12

H157032

GAUGE ASSY.

HOSE - oil pressure, All Ford gasoline and diesel engines.

1шт.

13

H142778

ELECTRICAL GAUGE

FUEL LEVER SENDER Common to all units.

1шт.

14

H142786

GASKET - fuel lever sender, Common to all units.

1шт.

15

H81935

SENDER UNIT

OIL TEMPERATURE SENDER Common to all units.

1шт.

16

VOLTAGE REGULATOR All Ford gasoline and diesel engines.

1шт.

These parts may be purchased from your local authorized Ford industrial or Wisconsin engine dealer.

1шт.

17

H107516

GOVERNOR

VOLTAGE REGULATOR Wisconsin engines.

1шт.

18

H536268

WIRING HARNESS & ELECTRICAL DIAGRAM Ford gasoline engines only.

1шт.

18

H536276

WIRING HARNESS & ELECTRICAL DIAGRAM Ford diesel engines only.

1шт.

18

H576975

WIRING HARNESS & ELECTRICAL DIAGRAM Wisconsin engines.

1шт.

19

H43695

LEVEL

TILT LEVEL Common to all units.

1шт.

20

H46383

SPACER - tilt level, Common to all units.

2шт.

21

H46375

BRACKET - tilt level mtg, Common to all units.

1шт.

22

H752295

RHCS (#8-32 x 3/8") Common to all units.

2шт.

23

H750398

RHCS (3/16" x 3/4" - NC) Common to all units.

2шт.

24

H735753

NUT

(#8 - 32) Common to all units.

2шт.

25

H735761

NUT

(3/16" - NC) Common to all units.

2шт.

26

H739185

WASHER

LOCKWASHER (3/16") Common to all units.

2шт.

Выбрано товаров: 33