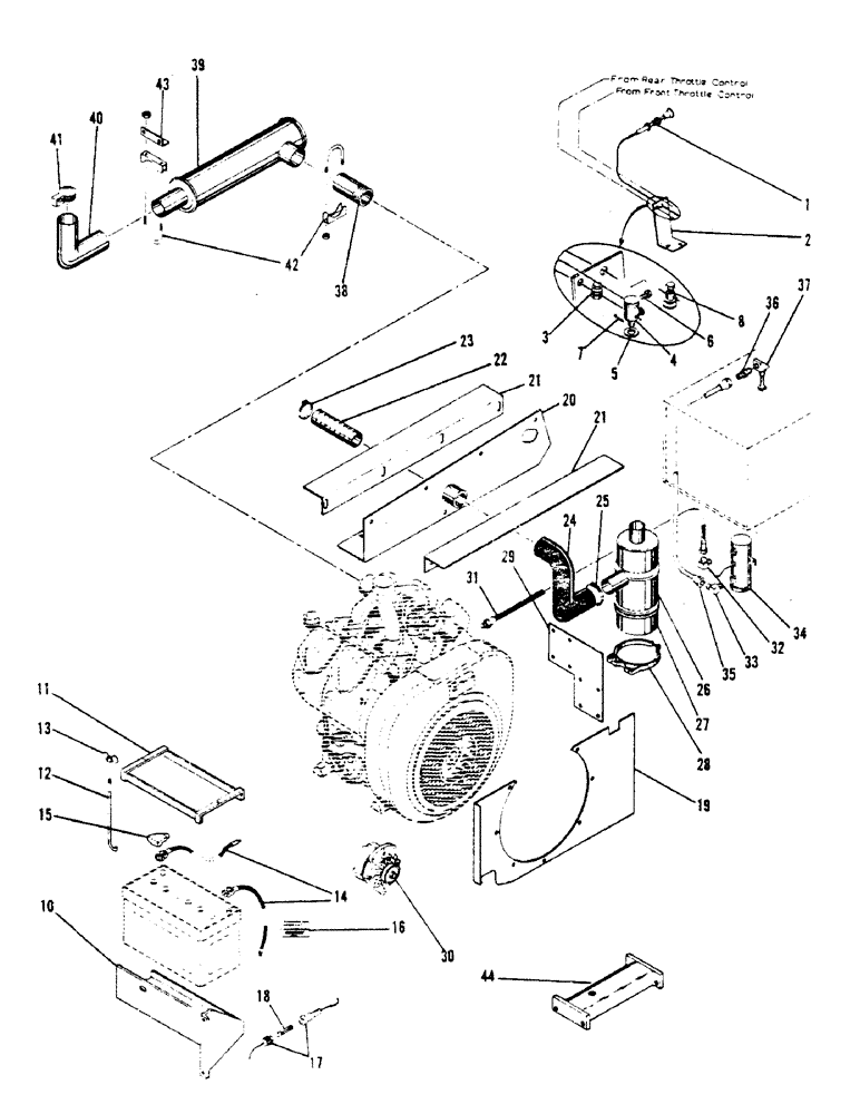
Запчасти Case 1000 (14) - WISCONSIN ENGINE INSTALLATION

Схема запчастей Case 1000 - (14) - WISCONSIN ENGINE INSTALLATION
FIT
1:1
100%

Артикул

Название

Примечание

Количество

1

H124495

CONTROL BLOCK

CHOKE CONTROL

1шт.

2

H244319

CABLE BRACKET

1шт.

3

H245217

WIRE STOP

1шт.

4

H245779

THROTTLE SWIVEL (Single control)

1шт.

5

H738443

WASHER

FLAT WASHER (1/4")

1шт.

6

H752295

RHCS (8-32 x 1/4)

2шт.

7

H739623

PIN

COTTER PIN (1/4" x 1/2")

1шт.

8

H139576

JOINT TURNING

SWIVEL - choke control

1шт.

10

H244673

BATTERY HOLDER

1шт.

11

H30833

FUNNEL

BATTERY HOLD DOWN

1шт.

12

H43208

BOLT

BATTERY BOLT

2шт.

13

H746834

NUT, WING

WING NUT

2шт.

14

H30973

CABLE

BATTERY CABLE

2шт.

15

H102681

COVER ASSY

TERMINAL COVER

2шт.

16

H198457

TAG

GROUND CABLE TAG

1шт.

17

H576173

FUSE CARTRIDGE

FUSE HOLDER

2шт.

18

H233718

SPARE PART

FUSE - 30 amp

2шт.

19

H101279

MOTOR AIR SHIELD

1шт.

20

H568451

AIR BAFFLE

1шт.

21

H101261

TOP BAFFLE

2шт.

22

H102202

HOSE - air cleaner

1шт.

23

H107698

CLAMP

HOSE CLAMP

2шт.

24

H102186

HOSE - air cleaner

1шт.

25

H42804

HOSE CLAMP

2шт.

26

H129536

CLEANER

AIR CLEANER

1шт.

27

H151969

ELEMENT

FILTER CARTRIDGE

1шт.

28

H217117

BAND

MOUNTING BAND

2шт.

29

H216614

AIR CLEANER PLATE

1шт.

30

H527242

ALTERNATOR

ASSEMBLY

1шт.

87297244 8729724

Reman Alternator Delco 12V 61A

1шт.

31

H50302

LINE

FUEL HOSE

1шт.

32

REFERENCE

SPARE PART

ADAPTER - 90 degrees

1шт.

33

H505347

ELBOW

ADAPTER - 90 degrees

1шт.

34

H576595

PUMP

FUEL PUMP

1шт.

35

H43893

FUEL LINE

1шт.

36

H133389

ELBOW UNION

ADAPTER - straight

1шт.

37

301-001

WITHDRAW TUBE

1шт.

38

H102236

SPECIAL NIPPLE

1шт.

39

H46367

MUFFLER

1шт.

40

H102228

EXHAUST ELBOW

1шт.

41

H106153

RAIN CAP

1шт.

42

H84137

MUFFLER CLAMP (2-1/2")

1шт.

43

H103556

MOUNTING CLIP

MUFFLER MOUNT

1шт.

44

H535765

ENGINE MOUNT

2шт.

a

H709436

BOLT

HHCS (5/16 x 3/4 NC)

1шт.

b

230-4215

NUT,5/16"-18, GA

NUT (5/16 NC - lock)

1шт.

c

H709451

BOLT (SPREADER)

HHCS (5/16 x 1 NC)

1шт.

d

H738450

WASHER

FLAT WASHER (5/16)

1шт.

e

H709113

X

HHCS (1/4 x 3/4 NC)

1шт.

f

H738443

WASHER

FLAT WASHER (1/4)

1шт.

g

H739193

WASHER, LOCK

LOCK WASHER (1/4)

1шт.

h

H709857

BOLT

HHCS (3/8 x 1)

1шт.

j

H738013

LOCK NUT

NUT (3/8 NC - lock)

1шт.

k

H738468

WASHER

FLAT WASHER (3/8)

1шт.

l

H710640

X

HHCS (1/2 x 1-1/2 NC)

1шт.

m

H738039

LOCK NUT

NUT (1/2 NC - lock)

1шт.

Выбрано товаров: 56