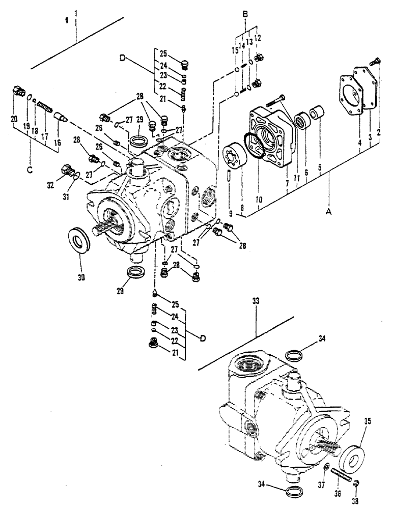
Запчасти Case 30 (18) - PROPULSION PUMP AND MOTOR ASSEMBLIES

Схема запчастей Case 30 - (18) - PROPULSION PUMP AND MOTOR ASSEMBLIES
FIT
1:1
100%

Артикул

Название

Примечание

Количество

1

H596304

PUMP

PROPULSION PUMP ASM

1шт.

a

H591529

KIT

CHARGE PUMP KIT

1шт.

2

HEX SCREW

4шт.

Parts not serviced individually. Included in applicable service kit.

1шт.

3

COVER PLATE

1шт.

Parts not serviced individually. Included in applicable service kit.

1шт.

4

H297994

GASKET

- cover

1шт.

5

BEARING

1шт.

Parts not serviced individually. Included in applicable service kit.

1шт.

6

BEARING

1шт.

Parts not serviced individually. Included in applicable service kit.

1шт.

7

HOUSING - charge pump

1шт.

Parts not serviced individually. Included in applicable service kit.

1шт.

8

PUMP - charge

1шт.

Parts not serviced individually. Included in applicable service kit.

1шт.

9

H757070

PIN

- drive

1шт.

10

HEX SCREW

4шт.

Parts not serviced individually. Included in applicable service kit.

1шт.

11

H757088

O-RING

O RING

1шт.

b

H591537

KIT

CHECK VALVE KIT

2шт.

12

VALVE - check

1шт.

Parts not serviced individually. Included in applicable service kit.

1шт.

13

O RING

1шт.

Parts not serviced individually. Included in applicable service kit.

1шт.

14

SPRING - check valve

1шт.

Parts not serviced individually. Included in applicable service kit.

1шт.

15

BALL - check valve

1шт.

Parts not serviced individually. Included in applicable service kit.

1шт.

c

H591545

LOCK VALVE

CHARGE RELIEF VALVE KIT

1шт.

16

VALVE - charge relief

1шт.

Parts not serviced individually. Included in applicable service kit.

1шт.

17

SHIM

1шт.

Parts not serviced individually. Included in applicable service kit.

1шт.

19

O RING

1шт.

Parts not serviced individually. Included in applicable service kit.

1шт.

20

PLUG

1шт.

Parts not serviced individually. Included in applicable service kit.

1шт.

d

H591552

LOCK VALVE

VALVE - relief

2шт.

21

CONE - relief valve

2шт.

Parts not serviced individually. Included in applicable service kit.

1шт.

22

SPRING - relief valve

2шт.

Parts not serviced individually. Included in applicable service kit.

1шт.

23

SHIM

1шт.

Parts not serviced individually. Included in applicable service kit.

1шт.

24

O RING

2шт.

Parts not serviced individually. Included in applicable service kit.

1шт.

25

PLUG

2шт.

Parts not serviced individually. Included in applicable service kit.

1шт.

26

221-849

PLUG,Hex Soc, 1/8"-27

- pipe

2шт.

27

F19951

O-RING

O RING

8шт.

28

9672438

PLUG,7/16" - 20 ORB

8шт.

29

H756288

SEAL

LIP SEAL - trunion shaft

2шт.

30

H756296

SEAL

LIP SEAL - input shaft

1шт.

32

214389

PLUG,3/4" - 16 ORB

1шт.

33

H385299

PROPULSION MOTOR ASM

1шт.

34

H756288

SEAL

LIP SEAL - trunion shaft

2шт.

35

H756296

SEAL

LIP SEAL - output shaft

1шт.

36

85-528

SET SCREW

1шт.

37

H264382

WASHER

- seal

1шт.

38

86637933

JAM NUT,5/16" - 24, Gr 5

1шт.

31

218-5006

O-RING,0.087" Thk x 0.644" ID, -908, Cl 6, 90 Duro

O RING

1шт.

Выбрано товаров: 61