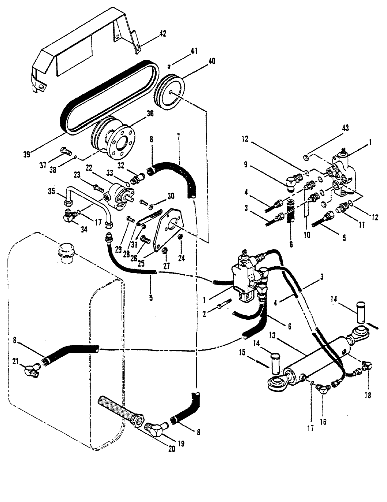
Запчасти Case 30 (06) - HYDRAULIC SYSTEM - STEERING CIRCUIT

Схема запчастей Case 30 - (06) - HYDRAULIC SYSTEM - STEERING CIRCUIT
FIT
1:1
100%

Артикул

Название

Примечание

Количество

1

H599027

VALVE

STEERING VALVE ASSY (See figure 22)

1шт.

2

113-110

BOLT,Hex, 5/16" - 18 x 2-1/4", Gr 5

Hex, 5/16"-18 x 2 1/4", G5

2шт.

3

H248989

HYDRAULIC HOSE,6.35 mm ID x 685.40 mm, SAE 100R1

6.35 mm ID x 685.40 mm, SAE 100R1

1шт.

4

H169151

HYDRAULIC HOSE,6.35 mm ID x 609.60 mm, SAE 100R1

6.35 mm ID x 609.60 mm, SAE 100R1

1шт.

5

H200378

HOSE,0.38" ID x 45.00", SAE 100R1

1шт.

6

H309062

HOSE

(3/4 x 51)

1шт.

7

H338095

HOSE

(3/4 x 61)

1шт.

8

214-256

HOSE CLAMP,#20, 0.81" - 1.75", Type F Worm

4шт.

9

217-361

FITTING,90 Degree Elbow, 3/4" Hose Barb x 7/8" - 14 Male ORB

ELBOW - 90 degrees (7/8 ORB x 3/4 hose)

1шт.

10

218-5082

FITTING

CONNECTOR (7/8 ORB x 9/16 JIC M)

2шт.

11

218-5060

HYD CONNECTOR,3/4" - 16 Male JIC x 7/8" - 14 Male ORB

(7/8 ORB x 3/4 JIC M) 3/4"-16, 37º x 7/8"-14, O-Ring

1шт.

12

237-6010

O-RING,0.097" Thk x 0.755" ID, -910, Cl 6, 90 Duro

O RING

4шт.

13

H547331

CYLINDER

STEERING CYLINDER ASSY. (See figure 24)

1шт.

14

H70623

AXLE PIN

PIN (1 x 3-1/2 - clevis)

2шт.

15

132-345

COTTER PIN,3/16" x 1 1/2"

PIN, SPLIT (COTTER), 3/16" x 1 1/2"

2шт.

16

218-1055

ELBOW,90 Degree, 3/4"-16, 37 Degree x 1/4"-18, NPTF

- 90 degrees (9/16 ORB x 9/16 JIC M)

1шт.

17

218-5005

O-RING,0.078" Thk x 0.468" ID, -906, Cl 6, 90 Duro

6-1, 90 Duro, .468" ID x .078" Thk

2шт.

18

218-1053

ELBOW,90 Degree, 9/16"-18, 37 Degree x 3/8"-18, NPTF

- 90 degrees (3/8 MP x 9/16 JIC M)

1шт.

19

217-330

FITTING,90 Degree Elbow, 3/4" Hose Barb x 1" Male NPTF

ELBOW - 90 degrees (1" MP x 3/4 hose)

1шт.

20

H151399

FILTER STRAINER

SCREEN FILTER

1шт.

21

217-135

ELBOW,90 Degree Elbow, 3/4" Hose Barb x 3/4" Male NPTF

- 90 degrees (3/4 MP x 3/4 hose)

1шт.

22

H575886

PUMP

STEERING PUMP ASSY (See Figure 20)

1шт.

23

113-208

BOLT,Hex, 3/8" - 16 x 1-1/4", Gr 5

2шт.

24

230-4216

LOCK NUT,3/8"-16, GA

NUT (3/8 NC hex - lock)

2шт.

25

H188359

BRACKET

PUMP MOUNTING & BRACKET

1шт.

26

113-424

BOLT,Hex, 1/2" - 13 x 1", Gr 5, Full Thd

1шт.

27

131-1182

LOCK NUT,1/2"-13, GA

NUT (1/2 NC hex - lock)

1шт.

28

H062521

LINK - adjusting

1шт.

29

113-103

BOLT,Hex, 5/16" - 18 x 1", Gr 5

2шт.

30

195-103

WASHER,5/16"

(5/16 - wrought)

1шт.

31

131-176

LOCK NUT,Prev Torque, Hex, 5/16" - 18, Gr A

NUT (5/16 NC hex - lock)

2шт.

32

217-396

FITTING,3/4" Hose Barb x 3/4" - 16 Male ORB

CONNCETOR (3/4 ORB x 3/4 hose)

1шт.

34

218-5280

ELBOW,90 Degree, 3/4"-16, 37 Degree x 9/16"-18, O-Ring

- 90 degrees (9/16 ORB x 3/4 JIC M)

1шт.

35

H569889

TUBE,0.5" OD

- 1/2"

1шт.

36

H236505

SHEAVE

- engine

1шт.

37

113-417

BOLT,Hex, 1/2" - 13 x 1-1/4", Gr 5, Full Thd

6шт.

38

192-23

LOCK WASHER,1/2"

WASHER, LOCK, 1/2"

6шт.

39

H233973

BELT

Drive

1шт.

40

H231423

SHEAVE

- steering pump

1шт.

41

83-64

SET SCREW,Hex Soc, 3/8"-16 x 1/4"

(1/4 x 3/8 NC cup point)

2шт.

42

H623611

GUARD

BELT GUARD

1шт.

43

H233981

ORIFICE

PLATE - orifice (.078)

2шт.

33

218-5006

O-RING,0.087" Thk x 0.644" ID, -908, Cl 6, 90 Duro

O RING

1шт.

Выбрано товаров: 43