Запчасти Case 30 (12) - DRIVE LINE, PARKING BRAKES

Схема запчастей Case 30 - (12) - DRIVE LINE, PARKING BRAKES
FIT
1:1
100%

Артикул

Название

Примечание

Количество

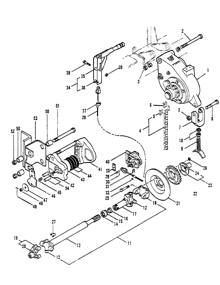
1

H588145

GEARBOX ASSY

TRANSMISSION ASSY (See figure 16)

1шт.

2

113-654

BOLT,Hex, 5/8" - 11 x 7", Gr 5

1шт.

3

131-1130

LOCK NUT,5/8"-11, GA

NUT (5/8 NC hex - lock)

2шт.

4

H753301

CHAIN (AG)

CHAIN - ASA #80 - 30 pitches

1шт.

5

60961

DRAG LINK

CONNECTOR LINK - #80

1шт.

6

H750562

CHAIN (AG)

OFFSET LINK - #80

2шт.

7

H253641

YOKE

- chain adjusting

1шт.

8

113-618

BOLT,Hex, 5/8" - 11 x 4", Gr 5

HHCS (5/8 x 4 NC)

1шт.

9

H591826

SADDLE ASSY.

SADDLE ASSY

1шт.

10

129-148

JAM NUT,Jam, 3/4"-10, G5

(3/4 NC hex - jam)

2шт.

11

H597856

SHAFT

DRIVE SHAFT ASSY

1шт.

12

H584813

BEARING

JOURNAL & BEARING KIT

2шт.

13

H598979

TUBE

SPLINE & YOKE ASSY

1шт.

14

H223875

CYLINDER END CAP

DUST CAP

1шт.

15

H223891

WASHER

STEAL WASHER

1шт.

16

H223883

WASHER

CORK WASHER

1шт.

17

H223867

YOKE

SLEEVE & YOKE ASSY

1шт.

18

H251777

FLANGE

COMPANION FLANGE

1шт.

19

H197590

YOKE

END YOKE - front

1шт.

20

H196998

SPACER

OIL SLINGER

1шт.

21

H261370

DISC

- brake

1шт.

22

H277483

DRIVE SPROCKET

SPROCKET

1шт.

23

H560524

FLANGE

COMPANION FLANGE

1шт.

24

H196998

SPACER

OIL SLINGER

1шт.

25

H277665

BOLT

HHCS (3/8 x 2-29/64 - AN6 - 23)

4шт.

26

131-177

LOCK NUT,3/8"-24, GA

NUT (3/8 NF - hex - lock)

4шт.

27

H183566

BOLT

U BOLT

2шт.

28

H626077

CABLE PULLING GRIP

CABLE - brake

1шт.

29

D23693

AXLE PIN

PIN (1/4 x 1 - clevis)

1шт.

30

132-320

COTTER PIN,3/32" x 3/4"

PIN, SPLIT (COTTER), 3/32" x 3/4"

1шт.

31

H166421

HARDWARE

U BOLT

1шт.

32

131-1180

LOCK NUT,1/4"-20, GA

NUT, LOCK, 1/4"-20, GA

2шт.

33

H264218

ARM

LEVER EXTENSION

1шт.

34

H506881

HANDLE

BRAKE LEVER ASSY

1шт.

35

H053942

SPACER - upper

1шт.

36

H053959

SPACER - lower

1шт.

37

D40684

CLAMP,12.7mm ID, 8.78mm Bolt Hole, P Type

1шт.

38

113-121

BOLT,Hex, 5/16" - 18 x 2", Gr 5

2шт.

39

131-176

LOCK NUT,Prev Torque, Hex, 5/16" - 18, Gr A

NUT (5/16 NC hex - lock)

2шт.

40

H591669

BRACKET

BRAKE ASSY

1шт.

41

H265504

CARRIER

SIDE CASTING

1шт.

42

H265512

CASTING

CAM SIDE CASTING

1шт.

43

H265702

WASHER

- back-up

1шт.

44

H265520

BRAKE PAD

PUCK

2шт.

45

H265546

VALVE SPRING

SPRING - compression

1шт.

46

H265553

CAM

1шт.

47

195-104

WASHER,3/8"

- thrust

1шт.

48

818208

NUT (5/16 - 24 castelated)

1шт.

49

132-320

COTTER PIN,3/32" x 3/4"

PIN, SPLIT (COTTER), 3/32" x 3/4"

1шт.

50

H265579

BUSHING

4шт.

51

114-259

BOLT,Hex, 3/8" - 24 x 3-1/4", Gr 5

HHCS (3/8 x 3-1/4 NF)

2шт.

52

131-1133

NUT,3/8"-24, GC

NUT (3/8 NF hex - lock)

2шт.

53

H593004

MOUNTING PARTS

MOUNTING BRACKET

1шт.

54

H265538

AXLE PIN

PIN - puck

1шт.

Выбрано товаров: 54