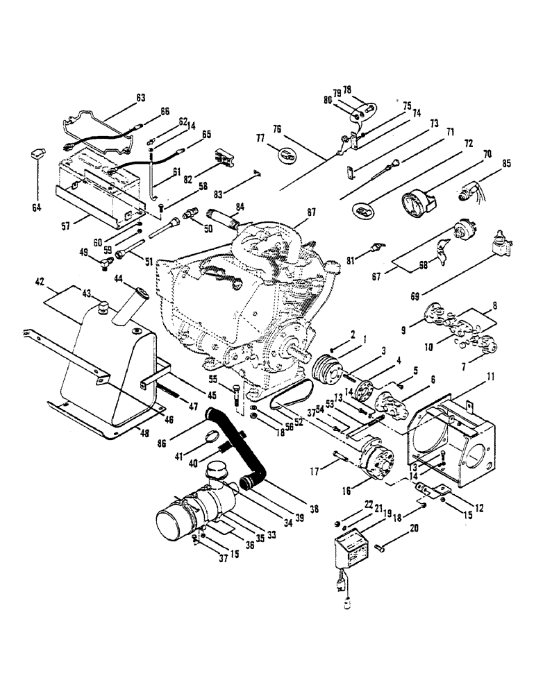
Запчасти Case 30 (14) - ENGINE MOUNTING PARTS, PROPULSION PUMP DRIVE

Схема запчастей Case 30 - (14) - ENGINE MOUNTING PARTS, PROPULSION PUMP DRIVE
FIT
1:1
100%

Артикул

Название

Примечание

Количество

1

H203539

SHEAVE

- propulsion pump & alt. drive

1шт.

2

178-253

SET SCREW (3/8 x 3/8 NC)

1шт.

3

H049387

KEY (38 sq x 2-3/4)

1шт.

4

H244830

LARGE PLATE

PLATE - adapter

1шт.

5

164-206

HEX SOC SCREW,Flat Hd, 5/16" - 18 x 3/4"

SCREW (5/16 x 3/4 - flat soc hd)

1шт.

6

H582007

JOINT TURNING

U JOINT ASSY

1шт.

7

H244848

FORK

YOKE - short

1шт.

8

H582437

BEARING ASSY

JOURNAL CROSS & BEARING ASSY

2шт.

9

H245902

FORK

YOKE - flanged

1шт.

10

H244855

COUPLING

YOKE - double pivot

1шт.

11

H624460

PROPULSION PUMP MOUNTING BRACKET

1шт.

12

H584334

BRACKET

ALT. MOUNTING BRACKET

1шт.

13

113-103

BOLT,Hex, 5/16" - 18 x 1", Gr 5

3шт.

14

195-102

WASHER,1/4"

(5/16 - flat)

5шт.

15

131-176

LOCK NUT,Prev Torque, Hex, 5/16" - 18, Gr A

NUT (5/16 NC hex - lock)

6шт.

16

H527242

ALTERNATOR

ASSY

1шт.

17

80087972

BOLT,Hex, 1/2" - 13 x 2 1/2", Gr 5

HHCS (1/2 x 2-1/2 NC)

1шт.

18

131-1182

LOCK NUT,1/2"-13, GA

NUT (1/2 NC hex - lock)

5шт.

19

H107516

GOVERNOR

BOLTAGE REGULATOR

1шт.

20

173-202

SCREW,Rnd Hd, 1/4" - 20 x 3/4"

(1/4 x 3/4 NC - rd hd cap)

3шт.

21

192-19

LOCK WASHER,Helical Spring, 0.256" ID, CST, ZND

WASHER, LOCK, 1/4"

3шт.

22

9635082

NUT,5/16" - 18, Gr 5

(1/4 NC hex)

3шт.

33

H152553

AIR CLEANER

BODY - air cleaner

1шт.

34

D22685

CAP

- air cleaner

1шт.

35

D48198

AIR CLEANER

ELEMENT - air cleaner

1шт.

36

H146316

MOUNTING BAND - air cleaner

2шт.

37

113-102

BOLT,Hex, 5/16" - 18 x 3/4", Gr 5

Hex, 5/16"-18 x 3/4", G5, Full Thd

5шт.

38

H196725

INTAKE AIR HOSE,1.50" ID x 15.00", SAE 20R4 CLASS SC

- Air cleaner 1.50" ID x 15.00", SAE 20R4 CLASS SC

1шт.

39

214-260

HOSE CLAMP,#36, 1.81" - 2.75", Type F Worm

1шт.

40

201-301

ELBOW,90 Degree Elbow, 13/16" - 16 Male ORFS x 13/16" - 16 Male ORFS

GUARD - air cleaner hose

1шт.

41

214-260

HOSE CLAMP,#36, 1.81" - 2.75", Type F Worm

- guard #36, 1.81/2.75 Type F Worm

1шт.

42

H559468

FUEL TANK

1шт.

43

H224089

TUBE,0.375" OD x 15.25" L

TANK RISER

1шт.

44

H151274

CYLINDER END CAP

CAP - tank

1шт.

45

H204362

BAND - fuel tank

1шт.

46

H204644

ANGLE - fuel tank

1шт.

47

H165464

DOOR

CUSHION - fuel tank

1шт.

48

H190710

PLATE

BASE PLATE - fuel tank

1шт.

49

222-762

ELBOW,90 Degree, 7/16"-20, 45 Degree Fl x 1/8" NPT

fuel line 90º, 7/16"-20, 45º Fl x 1/8" NPT

1шт.

50

222-803

HYD CONNECTOR,7/16"-20, 45º Fl x 1/4" NPT

ADAPTER (7/16 - 20 x 1/4 MP)

1шт.

51

H563940

TUBE

FUEL LINE (1/4 OD x 31 - copper tube)

1шт.

52

H107557

V-BELT,0.38" W

Alternator Drive 0.38" W

1шт.

53

H191833

LINK

- alt adjust

1шт.

54

192-20

LOCK WASHER,Helical Spring, 0.318" ID, CST, ZND

WASHER, LOCK, 5/16"

1шт.

55

113-427

BOLT,Hex, 1/2" - 13 x 3-1/4", Gr 5

4шт.

56

195-105

WASHER,7/16"

- (1/2 - flat)

4шт.

57

H559492

CARRIER

BATTERY CARRIER

1шт.

58

113-207

BOLT,Hex, 3/8" - 16 x 1", Gr 5

4шт.

59

230-4216

LOCK NUT,3/8"-16, GA

NUT (3/8 NC x 1 NC)

4шт.

60

195-103

WASHER,5/16"

(3/8 - flat)

4шт.

61

H043208

BOLT - battery hold-down

2шт.

62

129-419

WING NUT,5/16"-18

NUT (5/16 NC - wing)

2шт.

63

H030833

BATTERY HOLD-DOWN

1шт.

64

H102681

COVER ASSY

COVER - battery terminal

2шт.

65

H172304

NEG BATTERY CABLE

BATTERY CABLE - positive

1шт.

66

H167726

CABLE PULLING GRIP

BATTERY CABLE - negative

1шт.

67

H071498

IGNITION SWITCH & KEYS

1шт.

68

A24509

KEY

- ignition switch (Set of 2)

1шт.

69

H201285

SWITCH

STARTER BUTTON

1шт.

70

B53888

AMMETER

1шт.

71

H501916

CABLE

CHOKE CONTROL

1шт.

72

H032698

CLAMP

1шт.

73

H102731

RETAINER

BRACKET

1шт.

74

H578773

CONTROL

THROTTLE CONTROL

1шт.

75

H244434

KNOB

- throttle

1шт.

76

H244467

CONTROL BLOCK

THROTTLE CABLE

1шт.

77

H042796

STOP - wire

1шт.

78

113-1

BOLT,Hex, 1/4" - 20 x 1/2", Gr 5

2шт.

79

195-518

WASHER,1/4", SAE

2шт.

80

131-1180

LOCK NUT,1/4"-20, GA

NUT, LOCK, 1/4"-20, GA

2шт.

81

H081935

SENDER - temperature (Fits in oil res.)

1шт.

82

H225854

BLOCK

- terminal

1шт.

83

H225847

ELECTRICAL WIRE

JUMPER - term. block

1шт.

84

H226365

NIPPLE, LUBE

NIPPLE - exhaust

1шт.

85

H603852

LIGHT

OIL TEMPERATURE LITE

1шт.

86

214-258

HOSE CLAMP,#28, 1.31" - 2.25", Type F Worm

1шт.

87

WISCONSIN ENGINE - VH4D - spec no. 309333

1шт.

Выбрано товаров: 77