Запчасти Case 30 (16) - TRANSMISSION ASSEMBLY

Схема запчастей Case 30 - (16) - TRANSMISSION ASSEMBLY
FIT
1:1
100%

Артикул

Название

Примечание

Количество

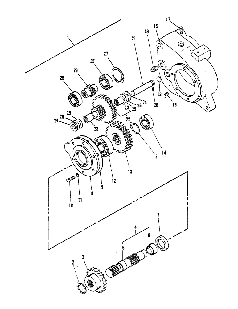
1

H588145

GEARBOX ASSY

TRANSMISSION ASM

1шт.

2

A17903

SNAP RING,#156, Ext

Ring, Snap, #156, Ext

2шт.

3

H189613

DRIVE SPROCKET

2шт.

4

H559211

SHAFT ASSY.

OUTPUT SHAFT ASM

1шт.

5

H189605

SHAFT

OUTPUT SHAFT

1шт.

6

H189654

SLEEVE CYLINDER

WEAR SLEEVE

1шт.

7

H753087

SEAL

1шт.

8

H189134

CAP

BEARING CAP

1шт.

9

H189712

GASKET

- bearing cap

1шт.

10

113-207

BOLT,Hex, 3/8" - 16 x 1", Gr 5

6шт.

11

H753467

RING

GASKET - ring

6шт.

12

H753095

BALL BEARING

BEARING

1шт.

13

H189647

GEAR WHEEL

GEAR - output

1шт.

14

H752501

BALL BEARING

BEARING

1шт.

15

H256750

CASE

- gear

1шт.

16

221-1030

SPARE PART,Sq Hd, 3/8"-18 NPTF

PLUG (3/8 sq. hd - pipe)

1шт.

17

H058826

BREATHER - air

1шт.

18

41-14

PLUG

- expansion

1шт.

19

221-1047

PLUG

(1/2 sq. hd - pipe)

1шт.

20

178-26

SET SCREW,Hex Soc, 1/4"-20 x 3/8"

(1/4 x 3/8 - cone pt.)

1шт.

21

H189639

SHAFT

- cluster gear

1шт.

22

H559203

PINION

CLUSTER GEAR ASM

1шт.

23

A28244

NEEDLE BEARING,Needle, 22.23mm ID x 28.57mm OD x 25.4mm W

BEARING - cluster gear

2шт.

24

H189662

SPACER

(7/8 x 1-3/8 x .125)

2шт.

25

H753103

BALL BEARING

BEARING

2шт.

26

H189621

PINION

DRIVE GEAR - input

1шт.

27

A10506

SNAP RING,2.44", Int, #244

Ring, Snap, 2.44", Int, #244

1шт.

28

H199596

SPACER

(7/8 x 1-3/8 x .030)

1шт.

29

H199604

SPACER

(7/8 x 1-3/8 x .060)

1шт.

Выбрано товаров: 29