Запчасти Case 70 (06) - DRIVE CHAINS, SPROCKETS, SHEAVES

Схема запчастей Case 70 - (06) - DRIVE CHAINS, SPROCKETS, SHEAVES
FIT
1:1
100%

Артикул

Название

Примечание

Количество

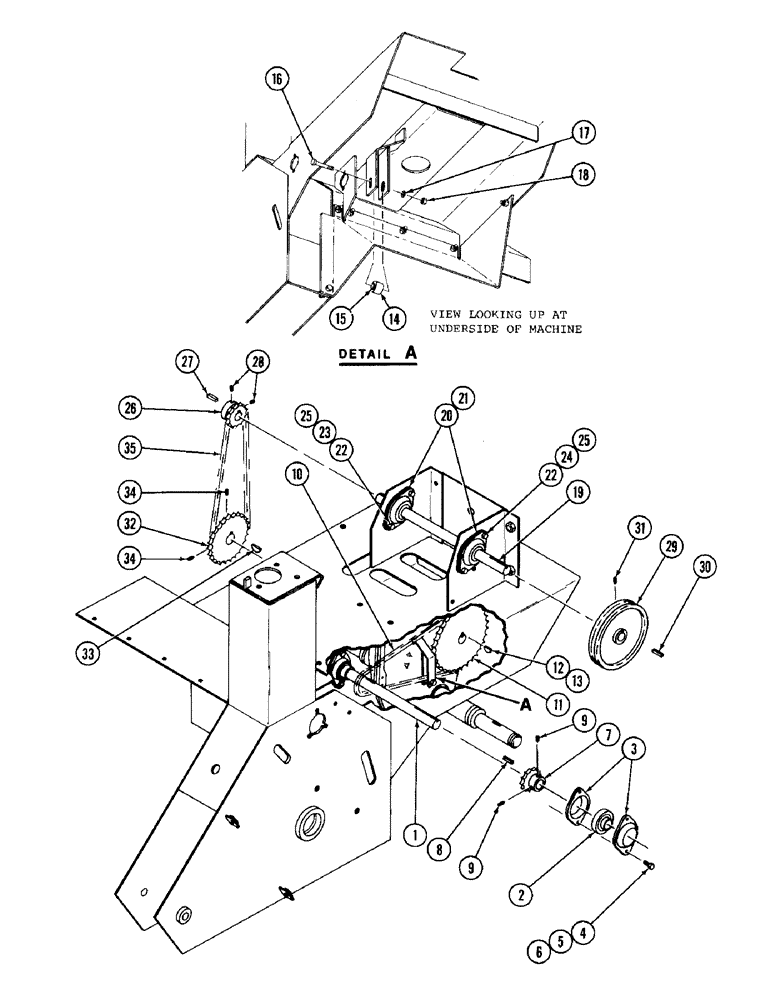
1

H314294

JACKSHAFT

SHAFT - jack

1шт.

2

F13361

BEARING

2шт.

3

F13360

FLANGE

TTE - bearing

4шт.

4

113-102

BOLT,Hex, 5/16" - 18 x 3/4", Gr 5

Hex, 5/16"-18 x 3/4", G5, Full Thd

4шт.

5

195-521

WASHER,5/16", SAE

- flat (5/16)

4шт.

6

131-176

LOCK NUT,Prev Torque, Hex, 5/16" - 18, Gr A

NUT - NC hex C/L (5/16)

4шт.

7

H310128

DRIVE SPROCKET

SPROCKET

1шт.

8

H61168

KEY

- square (3/16 x 7/8)

1шт.

9

83-46

SET SCREW,Hex Soc, 1/4"-20 x 3/8"

SCREW - set NC cup pt (1/4 x 3/8)

2шт.

10

H757195

CHAIN (AG)

CHAIN - ASA #40 (With connector)

1шт.

H748285

CONNECTOR, ELEC

CONNECTION LINK - #40 chain

1шт.

B12502

OFFSET LINK

HALF LINK - #40 chain

1шт.

11

H308098

SPROCKET ASSY.

SPROCKET

1шт.

12

126-116

WOODRUFF KEY,#9, 3/16" x 3/4", HT

1шт.

13

83-68

SET SCREW,Hex Soc, 3/8"-16 x 1/2"

SCREW - set NC cup pt (3/8 x 1/2)

2шт.

14

H333112

GUIDE

ROLLER - chain guide

1шт.

TL70 serial 1114755 and on.

1шт.

15

D36524

BUSHING

SPACER

1шт.

TL70 serial 1114755 and on.

1шт.

16

113-219

BOLT,Hex, 3/8" - 16 x 2", Gr 5

1шт.

TL70 serial 1114755 and on.

1шт.

17

195-525

WASHER,3/8", SAE

- flat (3/8)

1шт.

TL70 serial 1114755 and on.

1шт.

18

230-4216

LOCK NUT,3/8"-16, GA

NUT - NC hex C/L (3/8)

1шт.

TL70 serial 1114755 and on.

1шт.

19

H310086

SHAFT

- jack

1шт.

20

F13361

BEARING

2шт.

21

F13360

FLANGE

TTE - bearing

4шт.

22

113-102

BOLT,Hex, 5/16" - 18 x 3/4", Gr 5

Hex, 5/16"-18 x 3/4", G5, Full Thd

4шт.

23

195-521

WASHER,5/16", SAE

- flat (5/16) (Bottom bolts)

2шт.

24

195-103

WASHER,5/16"

- wrought (5/16) (Top bolts)

2шт.

25

131-176

LOCK NUT,Prev Torque, Hex, 5/16" - 18, Gr A

NUT - NC hex C/L (5/16)

4шт.

26

H310128

DRIVE SPROCKET

SPROCKET

1шт.

27

H61168

KEY

- square (3/16 x 7/8)

1шт.

28

83-46

SET SCREW,Hex Soc, 1/4"-20 x 3/8"

SCREW - set NC cup pt (1/4 x 3/8)

2шт.

29

H310060

SHEAVE

- driven

1шт.

30

H61168

KEY

- square (3/16 x 7/8)

1шт.

31

83-46

SET SCREW,Hex Soc, 1/4"-20 x 3/8"

SCREW - set NC cup pt (1/4 x 3/8)

1шт.

32

H310219

SPROCKET ASSY.

SPROCKET

1шт.

33

126-116

WOODRUFF KEY,#9, 3/16" x 3/4", HT

1шт.

34

83-46

SET SCREW,Hex Soc, 1/4"-20 x 3/8"

SCREW - Set NC Cup Pt (1/4 x 3/8)

2шт.

35

H757336

CHAIN (AG)

CHAIN - ASA #40 (With connector)

1шт.

H748285

CONNECTOR, ELEC

CONNECTING LINK - #40 chain

1шт.

B12502

OFFSET LINK

HALF LINK - #40 chain

1шт.

Выбрано товаров: 0