Запчасти Case 700 (26) - STEERING LINKAGE

Схема запчастей Case 700 - (26) - STEERING LINKAGE
FIT
1:1
100%

Артикул

Название

Примечание

Количество

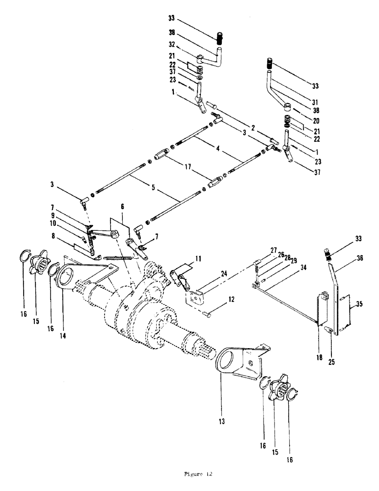
1

H521666

LEVER

STEERING LEVER, Serial Range: -6414

2шт.

2

H114843

AXLE PIN

PIN - steering lever

2шт.

3

A60307

JOINT

BALL JOINT

4шт.

4

H96339

ROD

- steering - front

2шт.

5

H96321

ROD

- steering - rear

2шт.

6

H93351

LEVER

- transmission, use 83-1256 set screw

2шт.

7

H96347

CLIP

ANGLE -, Serial Range: spring-lever

2шт.

8

H96354

CLIP

ANGLE -, Serial Range: spring-trans

2шт.

9

H93377

VALVE SPRING

SPRING

2шт.

10

H756098

SCREW

SHOULDER BOLT

1шт.

11

H50708

LINK

TORQUE LINK - trans

2шт.

12

H30262

AXLE PIN

PIN - torque link

2шт.

13

H564716

MOUNTING PARTS

MOUNTING BRACKET - trans - right

1шт.

14

H564708

MOUNTING PARTS

MOUNTING BRACKET - trans - left

1шт.

15

H148726

DRIVE SPROCKET

SPROCKET - track drive

2шт.

16

A60216

SNAP RING,#250, Ext

Ring, Snap, , replaced A17903 #250, Ext

4шт.

17

H96743

TURNBUCKLE

2шт.

18

H565481

MOUNTING PARTS

TRANS SHIFTER BRACKET

1шт.

19

H656678

SEAL ASSY.

KIT

1шт.

20

138-175

LOCK PIN,3/8" x 1 5/8", Slotted

Pin, 3/8" x 1 5/8", Slotted, Serial Range: -6414

2шт.

21

H26369

SPRING, Serial Range: -6414

2шт.

22

195-549

WASHER,7/8", SAE

(7/8 SAE - flat), Serial Range: -6414

2шт.

23

132-312

COTTER PIN,3/16" x 1 1/4"

PIN, SPLIT (COTTER), 3/16" x 1 1/4", Serial Range: -6414

2шт.

24

H567040

BRACKET

SHIFT BRACKET, Start Serial: 6001

1шт.

25

H44198

YOKE

- shift rod

1шт.

26

H115501

VALVE SPRING

SPRING

1шт.

27

H115527

AXLE PIN

PIN - pivot

1шт.

28

H531178

AXLE PIN

PIN ASM

1шт.

29

H344895

AXLE PIN

PIN - clevis

1шт.

31

H527291

STEERING HANDLE - right, Serial Range: -6414

1шт.

32

H527283

HANDLE

STEERING HANDLE - left, Serial Range: -6414

1шт.

33

H31773

HANDLE

GRIP - hand

3шт.

34

H565499

SHAFT

SHIFT ROD ASM

1шт.

35

H44206

CLEVIS COUPLING,7.94mm OD x 27.78mm L

PIN (5/16 x 1 - clevis)

2шт.

36

H210302

HANDLE

- shifting

1шт.

37

H582577

LEVER

- steering, Start Serial: 6414

2шт.

38

H582569

STEERING ASSY

LEVER - handle, Start Serial: 6414

2шт.

Выбрано товаров: 37