Запчасти Case 700 (30) - DIRT AUGERS

Схема запчастей Case 700 - (30) - DIRT AUGERS
FIT
1:1
100%

Артикул

Название

Примечание

Количество

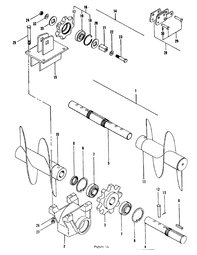
1

H525626

AUGER

MOUNTING ASM - single auger, Includes: Ref. 2 - 9

1шт.

1

H524264

AUGER MOUNTING ASM - double auger, Includes: Ref. 2 - 9

1шт.

2

H99127

CASTING

- mounting

1шт.

3

H99135

DRIVE SPROCKET

SPROCKET

1шт.

4

H102756

SHAFT

- auger - single auger

1шт.

5

H99143

SHAFT

- auger - double auger

1шт.

6

H99150

KEY

(1/2 sq x 2-3/8)

1шт.

7

H747394

BEARING,55.6mm ID x 100mm OD x 33.4mm W

2шт.

8

A55435

SNAP RING,3.938", Int, #393

Ring, Snap, 3.938", Int, #393

2шт.

9

131-1037

BEARING LOCK NUT,Bearing, 2.1654" Bore

NUT - retainer

1шт.

10

H524280

AUGER

DIRT AUGER - right

1шт.

11

H524272

DIRT AUGER - left

1шт.

12

H99200

AXLE PIN

PIN - auger retainer

1шт.

13

132-348

COTTER PIN,1/4" x 1 1/4"

Pin, Split (Cotter), 1/4" x 1 1/4"

1шт.

14

H532507

KIT

IDLER ASM - upper, Includes: Ref. 15 - 27

1шт.

15

H532366

AUGER

BRACKET - idler

1шт.

16

H531251

PINION

SPROCKET ASM, Includes: Ref. 17 - 19

1шт.

17

H115683

DRIVE SPROCKET

SPROCKET

1шт.

18

H33837

RING

RETAINER RING

1шт.

19

H747139

BALL BEARING

BEARING

1шт.

20

H117606

WASHER

- idler

2шт.

21

H251033

BOOM

SHAFT - bearing

1шт.

22

195-108

WASHER,5/8"

(5/8 - flat - wrought)

2шт.

23

113-627

BOLT,Hex, 5/8" - 11 x 3-1/4", Gr 5

1шт.

24

131-1130

LOCK NUT,5/8"-11, GA

NUT (5/8 NC hex - lock)

1шт.

25

113-630

BOLT,Hex, 5/8" - 11 x 6", Gr 5

HHCS (5/8 x 6 NC)

4шт.

26

192-25

LOCK WASHER,5/8"

WASHER, LOCK, 5/8"

4шт.

27

280374

NUT,Hex, 5/8" - 11, Gr 5

4шт.

28

H543983

CHAIN (CE)

EXTENSION SECTION - chair, Includes: Ref. 29 and 30

1шт.

29

H145011

AXLE PIN

CONNECTOR PIN - w/keeper, Includes: Ref. 30

2шт.

30

H170399

LOCK PIN

KEEPER PIN

1шт.

Выбрано товаров: 31