Запчасти Case 700 (32) - BACKFILL BLADE ASSEMBLY

Схема запчастей Case 700 - (32) - BACKFILL BLADE ASSEMBLY
FIT
1:1
100%

Артикул

Название

Примечание

Количество

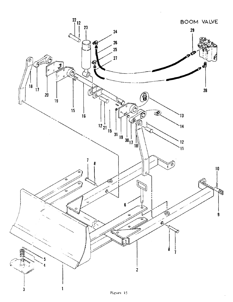
1

H523779

BACKFILL BLADE ASM

1шт.

2

H523746

BACKFILL BLADE ATTACH. FRAME

1шт.

3

H543462

BLADE

SKID - blade

2шт.

4

195-553

WASHER,1", SAE

(1" SAE - flat)

8шт.

5

H112243

AXLE PIN

PIN - retainer

2шт.

6

H510420

AXLE PIN

PIN - blade attaching

2шт.

7

H67256

AXLE PIN

PIN - link to frame (3/4 x 4)

2шт.

8

132-348

COTTER PIN,1/4" x 1 1/4"

Pin, Split (Cotter), 1/4" x 1 1/4"

2шт.

9

H526087

AXLE PIN

PIN - frame attaching

2шт.

10

H60624

AXLE PIN

PIN - retainer

4шт.

11

H65003

AXLE PIN

PIN - link (1 x 2-3/16)

2шт.

12

132-307

COTTER PIN,1/4" x 1 3/4"

PIN, Split (Cotter), 1/4" x 1 3/4"

2шт.

13

219-8

LUBE NIPPLE,1/4" - 28 NPTF

NIPPLE, LUBE, 1/4"-28 NPT x .54" lg

3шт.

14

178-55

SET SCREW,Hex Soc, 3/8"-16 x 1/2"

SCREW (3/8 x 1/2 NC - cone point)

2шт.

15

H49379

KEY

(3/8 sq x 1-3/8 - H.T.)

2шт.

16

H523787

SHAFT

TRUNION SHAFT

1шт.

17

H67223

CRANK

ASM - crank

2шт.

18

H117523

DRAG LINK

LINK - blade lift

2шт.

19

H523357

BEARING

SHAFT BEARING - trunion

2шт.

20

H523365

SHAFT BEARING - trunion

2шт.

21

H67256

AXLE PIN

PIN (1 x 3 - clevis)

1шт.

22

H67264

PIN

(1 x 4-1/8 - clevis)

1шт.

23

H505628

CYLINDER BLOCK

LIFT CYL ASM (See Figure)

1шт.

24

218-5392

ELBOW,90 Degree, 9/16"-18 O-Ring x 3/8" NPSM Fem

- 90 degrees (9/16 ORB x 3/8 Fe P)

1шт.

25

218-926

90 ELBOW,90 Degree, 3/8" NPTF Male x 3/8" NPSM Fem Sw

- 90 degrees (3/8 MP x 3/8 Fe P)

1шт.

26

H96800

HOSE ASSY.

HOSE (1/4 x 45 - 3/8 MP x 1/4 MP)

1шт.

27

H35162

HOSE,0.25" ID x 44.00"

1шт.

28

218-5204

90 ELBOW,90 Degree, 9/16"-18 O-Ring x 1/4" NPSM Fem

(9/16 ORB x 1/4 Fe P)

1шт.

29

218-5253

HYD CONNECTOR,9/16" - 18 ORB x 3/8" - 18 NPT

CONNECTOR (9/16 ORB x 3/8 Fe P)

1шт.

30

113-410

BOLT,Hex, 1/2" - 13 x 1-1/2", Gr 5, Full Thd

9шт.

31

131-1182

LOCK NUT,1/2"-13, GA

NUT (1/2 NC hex - lock)

9шт.

Выбрано товаров: 31