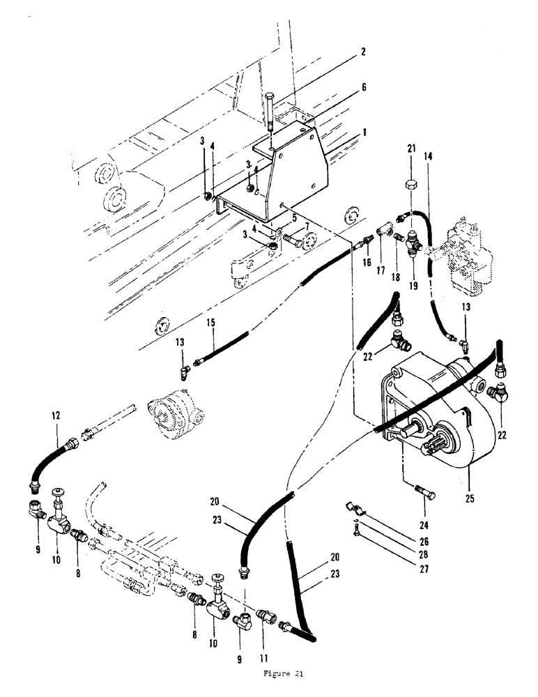
Запчасти Case 700 (44) - HYDRA - BORER ATTACHMENT

Схема запчастей Case 700 - (44) - HYDRA - BORER ATTACHMENT
FIT
1:1
100%

Артикул

Название

Примечание

Количество

1

H524504

GEAR CASE MOUNTING BRACKET

1шт.

2

113-411

BOLT,Hex, 1/2" - 13 x 4-1/2", Gr 5

2шт.

3

129-557

NUT,1/2"-13, G5

(1/2 NC hex - lock)

8шт.

4

192-23

LOCK WASHER,1/2"

WASHER, LOCK, 1/2"

8шт.

5

195-533

WASHER,1/2", SAE

2шт.

6

H100487

PLATE - clamp

1шт.

7

113-412

BOLT,Hex, 1/2" - 13 x 1-3/4", Gr 5

2шт.

8

218-445

HYD CONNECTOR,7/8" - 14 Male JIC x 1/2" - 14 Male NPTF

CONNECTOR (7/8 JIC M x 1/2 MP)

2шт.

9

218-927

ELBOW,90 Degree, 1/2" NPTF Male x 1/2" NPSM Fem Sw

(1/2 MP x 1/2 Fe P) used with conveyor only

2шт.

10

H501627

SHUT-OFF VALVE, used with conveyor only

2шт.

11

218-465

HYD CONNECTOR,7/8" - 14 Male JIC x 1/2" - 14 Female NPTF

CONNECTOR (7/8 JIC M x 1/2 Fe P) used with conveyor only

1шт.

12

H195404

HOSE

(1/2 x 11 - 7/8 JIC Fe Sw x 1/2 MP) used with conveyor only

1шт.

13

218-933

ELBOW,90 Degree, 1/8" NPTF Male x 1/8" NPSM Fem Sw

- 90 degrees (1/8 P) used with conveyor only

2шт.

14

H88575

HOSE,0.25" ID x 48.00", SAE 100R3

Used with Conveyor Only 0.25" ID x 48.00", SAE 100R3

1шт.

15

H113670

HOSE (3/16 x 80 - 1/8 MP) used with conveyor only

1шт.

16

221-84

REDUCER,Hex, 1/4" x 1/8" NPT

BUSHING (1/8 to 1/4 - pipe) used with conveyor only

1шт.

17

221-422

TEE,Pipe, 1/4" NPT

(1/4 - pipe) used with conveyor only

1шт.

18

221-130

PIPE,Nipple, 1/4" NPT x 7/8"

NIPPLE (1/4 - all thd - pipe) used with conveyor only

1шт.

19

H219535

TEE (7/8 JIC M x 1/2 MP) used with conveyor only

1шт.

20

H73387

HOSE ASSY.

HOSE (1/2 x 28 - 7/8 JIC Fe Sw x 1/2 MP) used with conveyor only

2шт.

21

H68668

PLUG

CAP (Used w/o backhoe) used with conveyor only

1шт.

22

218-5107

90 ELBOW,90 Degree Elbow, 7/8" - 14 Male JIC x 7/8" - 14 Male ORB

(7/8 ORB - 7/8 JIC M) 90º, 7/8"-14, 37º x 7/8"-14, O-Ring

2шт.

23

H68833

HOSE ASSY.

HOSE (1/2 x 58 - 7/8 JIC Fe Sw x 1/2 MP) used with augers only

2шт.

24

113-421

BOLT,Hex, 1/2" - 13 x 2", Gr 5

4шт.

25

H511105

GEARBOX ASSY

GEAR CASE ASM - hydra bore

1шт.

26

H46888

CLAMP

- hose, used with augers only

1шт.

27

113-104

BOLT,Hex, 5/16" - 18 x 1-1/4", Gr 5

Used with augers only Hex, 5/16"-18 x 1 1/4", G5

1шт.

28

192-20

LOCK WASHER,Helical Spring, 0.318" ID, CST, ZND

WASHER, LOCK, , Used with augers only 5/16"

1шт.

Выбрано товаров: 28