Запчасти Case 700 (46) - SP - 40 LINE - LAYER

Схема запчастей Case 700 - (46) - SP - 40 LINE - LAYER
FIT
1:1
100%

Артикул

Название

Примечание

Количество

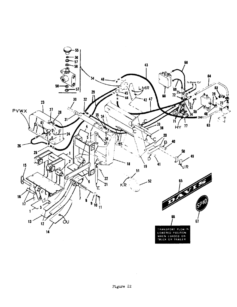
1

H562629

GEAR CASE MOUNTING BRACKET, Includes: Ref. 2 and 3

1шт.

2

H235077

BUSHING

RUBBER BUSHING

4шт.

3

H50435

BUSHING,28.91mm ID x 36.63mm OD x 25.4mm L

4шт.

4

H562645

PIVOT ASM, Includes: Ref. 5

1шт.

5

H235077

BUSHING

RUBBER BUSHING

4шт.

6

H187583

ARM

PARALLEL ARM

4шт.

7

H210864

SHAFT

4шт.

8

H202192

KEY

(3/16" x 3-3/4")

8шт.

9

H165720

WASHER

SPECIAL WASHER

8шт.

10

113-424

BOLT,Hex, 1/2" - 13 x 1", Gr 5, Full Thd

8шт.

11

192-23

LOCK WASHER,1/2"

WASHER, LOCK, 1/2"

8шт.

12

H198465

SPRING

SHOE SPRING

2шт.

13

H116012

SHOE (ASSY)

SHOE - left

1шт.

14

H116004

SHOE (ASSY)

SHOE - right

1шт.

15

H531830

AXLE PIN

PIN - upper blade mounting

1шт.

16

H79293

AXLE PIN,28.5mm OD x 128.59mm L

PIN - lower blade mounting

1шт.

17

A30338

PIN

KLIK PIN

2шт.

18

H563387

LINE - layer lift asm

1шт.

19

H563353

LINE - layer mounting asm

1шт.

20

H208868

LOWER LINK

4шт.

21

H201996

PIVOT PIN

1шт.

22

138-178

LOCK PIN,3/8" x 2 1/4", Slotted

PIN, 3/8" x 2 1/4", Slotted

1шт.

23

H530204

GEAR WHEEL

GEAR CASE ASM

1шт.

24

H545509

MOTOR

ASM

1шт.

Includes H538785 hydraulic motor, H113282 gear and A27521 snap ring (2 each).

1шт.

25

H144436

ADAPTER - special - 90 degrees

1шт.

26

H31682

HOSE ASSY.

BLEED HOSE (1/4" x 13")

1шт.

27

218-5107

90 ELBOW,90 Degree Elbow, 7/8" - 14 Male JIC x 7/8" - 14 Male ORB

Adapter 90º, 7/8"-14, 37º x 7/8"-14, O-Ring

1шт.

28

237-6010

O-RING,0.097" Thk x 0.755" ID, -910, Cl 6, 90 Duro

O RING

2шт.

29

H88567

HOSE (1/2" x 47"), Serial Range: Motor-valve

2шт.

30

H143974

CLEVIS COUPLING

CLEVIS PIN (1" x 2-7/8")

1шт.

31

H504076

CYLINDER BLOCK

LIFT CYLINDER

1шт.

32

218-926

90 ELBOW,90 Degree, 3/8" NPTF Male x 3/8" NPSM Fem Sw

ADAPTER - 90 degrees

1шт.

33

H105700

HOSE ASSY.

HOSE (1/4" x 52") Lift cylinder

2шт.

34

218-5392

ELBOW,90 Degree, 9/16"-18 O-Ring x 3/8" NPSM Fem

ADAPTER - 90 degrees

1шт.

35

218-5005

O-RING,0.078" Thk x 0.468" ID, -906, Cl 6, 90 Duro

6-1, 90 Duro, .468" ID x .078" Thk

1шт.

36

H79293

AXLE PIN,28.5mm OD x 128.59mm L

CLEVIS PIN (1-1/8 x 4-7/8)

1шт.

37

H196949

TUBE NUT

SWING LOCK PIN

1шт.

38

H208959

SHAFT

- upper pivot

1шт.

39

H67272

PIN,25.3mm OD x 84.93mm L

CLEVIS PIN (1" x 3")

2шт.

40

H30262

AXLE PIN

CLEVIS PIN (3/4" x 2-3/16)

2шт.

41

H181636

CLEVIS PIN (3/4" x 2")

2шт.

42

H208942

VALVE MOUNTING PLATE

1шт.

43

H227520

HOSE ASSY.

HOSE (1/2" x 27-1/2") Pressure to control vlv

1шт.

44

218-903

HYD CONNECTOR,1/2" NPT x 1/2"

ADAPTER - straight

1шт.

45

217-1064

TEE,1/2" - 14 Female x 1/2" - 14 Male Run

1шт.

46

218-927

ELBOW,90 Degree, 1/2" NPTF Male x 1/2" NPSM Fem Sw

ADAPTER - 90 degrees

1шт.

47

H209411

HOSE ASSY.

HOSE (1/2" x 23-1/2") Return control, Serial Range: valve-reservoir

1шт.

48

218-5107

90 ELBOW,90 Degree Elbow, 7/8" - 14 Male JIC x 7/8" - 14 Male ORB

Adapter 90º, 7/8"-14, 37º x 7/8"-14, O-Ring

1шт.

49

H46888

CLAMP

HOSE CLAMP

1шт.

50

H203273

HOSE CLAMP MOUNTING BRKT

1шт.

51

H52555

HOOK

- spring hanger

1шт.

52

H52548

SPRING

- hose retainer

1шт.

53

218-5201

90 ELBOW,90 Degree, 7/8"-14 O-Ring x 1/2" NPSM Fem

ADAPTER - 90 degrees

1шт.

54

H527333

CONTROL VALVE - line-layer motor

1шт.

55

T10391

KNOB - control

1шт.

56

192-21

LOCK WASHER,3/8"

WASHER, LOCK, 3/8"

1шт.

57

H751008

RING, SNAP

SNAP RING

2шт.

58

H751024

SEAL

QUAD RING

2шт.

59

H567586

LOCK VALVE

VALVE - high speed - conveyor

1шт.

60

H594457

CONTROL BLOCK

VALVE - slow speed - boom & dozer

1шт.

61

218-933

ELBOW,90 Degree, 1/8" NPTF Male x 1/8" NPSM Fem Sw

ADAPTER - 90 degrees

1шт.

62

218-465

HYD CONNECTOR,7/8" - 14 Male JIC x 1/2" - 14 Female NPTF

ADAPTER - straight

1шт.

63

H560839

TUBE,0.625" OD x 19.437, 4.5" L

ASM (5/8")

1шт.

64

H560847

TUBE,0.625" OD x 6.437, 21.375" L

ASM (5/8")

1шт.

65

H52118

DECAL

- Davis

2шт.

66

H208280

DECAL

- transport position

1шт.

67

321-3226

DECAL - SP-40

2шт.

68

H34355

HOSE (1/4" x 21") Upper port, boom, dozer slow speed vlv

1шт.

69

H91603

HOSE (1/4" x 22") Lower port, boom, dozer slow speed valve

1шт.

71

218-5392

ELBOW,90 Degree, 9/16"-18 O-Ring x 3/8" NPSM Fem

ADAPTER - 90 degrees

3шт.

72

218-5253

HYD CONNECTOR,9/16" - 18 ORB x 3/8" - 18 NPT

ADAPTER - straight

2шт.

73

218-5204

90 ELBOW,90 Degree, 9/16"-18 O-Ring x 1/4" NPSM Fem

ADAPTER - 90 degrees

1шт.

74

218-5005

O-RING,0.078" Thk x 0.468" ID, -906, Cl 6, 90 Duro

6-1, 90 Duro, .468" ID x .078" Thk

6шт.

75

218-555

TEE,7/8"-14, 37 Degree x 1/2"-14, NPTF Br

ADAPTER - tee

1шт.

76

H197517

HOSE ASSY.

HOSE (1/2" x 21"), Serial Range: Return-reservoir

1шт.

77

H616763

LOCK VALVE

SELECTOR VALVE

1шт.

a

195-113

WASHER,1 1/4"

(1-1/4 SAE - flat)

1шт.

b

132-349

COTTER PIN,1/4" x 1 1/2"

PIN, Split (Cotter), 1/4" x 1-1/2"

2шт.

c

132-313

COTTER PIN,1/4" x 2"

PIN, Split (Cotter), 1/4" x 2"

6шт.

d

132-341

COTTER PIN,5/32" x 1 1/2"

5/32" x 1 1/2"

2шт.

e

219-55

LUBE NIPPLE,90 Degree Elbow, 1/8" - 27 NPTF

NIPPLE, LUBE, 90º, 1/8" NPT x .84" lg

2шт.

f

131-1129

LOCK NUT,7/16"-14, GA

NUT (7/16 NC hex-lock)

2шт.

h

113-213

BOLT,Hex, 3/8" - 16 x 2-1/4", Gr 5

2шт.

j

113-119

BOLT,Hex, 5/16" - 18 x 2-3/4", Gr 5

1шт.

k

113-103

BOLT,Hex, 5/16" - 18 x 1", Gr 5

1шт.

l

113-120

BOLT,Hex, 5/16" - 18 x 1-3/4", Gr 5

2шт.

m

113-104

BOLT,Hex, 5/16" - 18 x 1-1/4", Gr 5

2шт.

n

113-607

BOLT,Hex, 5/8" - 11 x 1-1/2", Gr 5, Full Thd

HHCS (5/8 x 1 NC)

4шт.

o

164-152

HEX SOC SCREW,Flat Hd, 3/8" - 24 x 1"

FHCC (3/8 x 1 NF)

6шт.

p

230-4216

LOCK NUT,3/8"-16, GA

NUT (3/8 NC hex-lock)

4шт.

r

131-176

LOCK NUT,Prev Torque, Hex, 5/16" - 18, Gr A

NUT (5/16 NC hex-lock)

6шт.

s

131-1130

LOCK NUT,5/8"-11, GA

NUT (5/8 NC hex-lock)

4шт.

t

195-541

WASHER,5/8", SAE

(5/8 - flat)

4шт.

u

131-177

LOCK NUT,3/8"-24, GA

NUT (3/8 NF hex-lock)

6шт.

v

113-509

BOLT,Hex, 9/16" - 12 x 2", Gr 5

6шт.

w

113-233

BOLT,Hex, 3/8" - 16 x 1-3/4", Gr 5

4шт.

x

131-1183

SCREW,Prev Torque, Hex, 9/16" - 12, Gr A

NUT (9/16 NC hex-lock)

6шт.

y

192-21

LOCK WASHER,3/8"

WASHER, LOCK, 3/8"

2шт.

Выбрано товаров: 99