Запчасти Case 700 (48) - ENGINE INSTALLATION PARTS - WISCONSIN ENGINE

Схема запчастей Case 700 - (48) - ENGINE INSTALLATION PARTS - WISCONSIN ENGINE
FIT
1:1
100%

Артикул

Название

Примечание

Количество

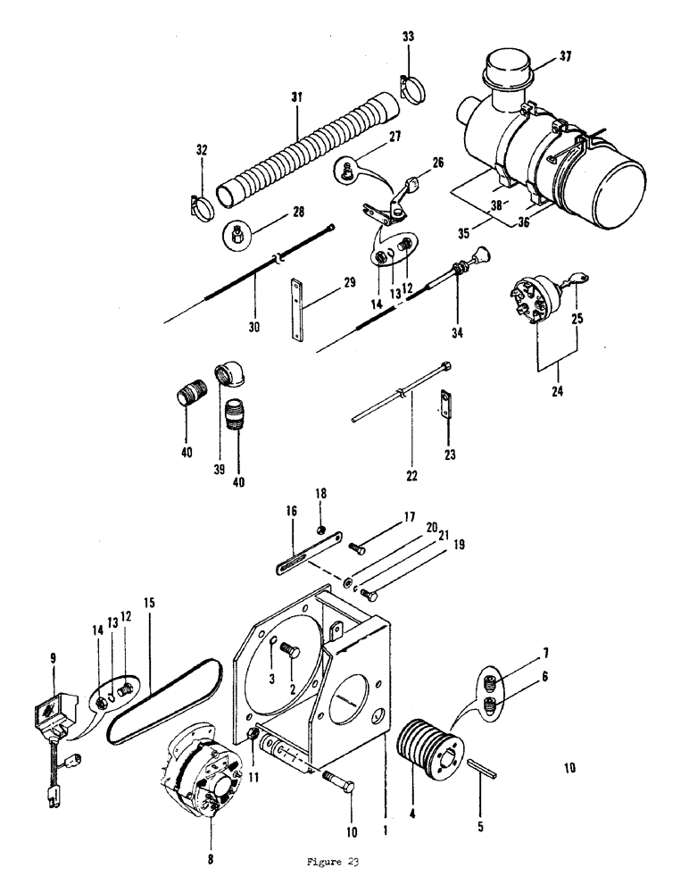
1

H545624

PUMP MOUNTING BRACKET

1шт.

2

113-310

BOLT,Hex, 7/16" - 14 x 1", Gr 5

4шт.

3

192-22

LOCK WASHER,7/16"

WASHER, LOCK, 7/16"

4шт.

4

H151332

SHEAVE

- engine shaft

1шт.

5

H49387

KEY

(3/8 sq x 2-3/4)

1шт.

6

178-53

SET SCREW,Hex Soc, 3/8"-16 x 3/8"

SCREW (3/8 x 3/8 NC - cone pt)

1шт.

7

178-853

SET SCREW,Hex Soc, 3/8"-16 x 3/8"

SCREW (3/8 x 3/8 NC - dog pt)

1шт.

8

H527242

ALTERNATOR

ASM

1шт.

9

H107516

GOVERNOR

VOLTAGE REGULATOR

1шт.

10

113-1141

HHCS (1/2 x 2-1/4 NC)

1шт.

11

131-1182

LOCK NUT,1/2"-13, GA

NUT (1/2 NC hex - lock)

1шт.

12

173-201

SCREW,Rnd Hd, 1/4" - 20 x 1/2"

(1/4 x 3/4 NC - rd hd)

5шт.

13

192-19

LOCK WASHER,Helical Spring, 0.256" ID, CST, ZND

WASHER, LOCK, 1/4"

5шт.

14

129-577

NUT,1/4"-20, G5

(1/2 NC hex - lock)

5шт.

15

H107557

V-BELT,0.38" W

Alternator Drive 0.38" W

1шт.

16

H62521

LINK

ADJUSTING LINK - alternator

1шт.

17

113-103

BOLT,Hex, 5/16" - 18 x 1", Gr 5

1шт.

18

131-176

LOCK NUT,Prev Torque, Hex, 5/16" - 18, Gr A

NUT (5/16 NC hex - lock)

1шт.

19

113-102

BOLT,Hex, 5/16" - 18 x 3/4", Gr 5

Hex, 5/16"-18 x 3/4", G5, Full Thd

1шт.

20

195-103

WASHER,5/16"

(5/16 - flat - wrought)

1шт.

21

192-20

LOCK WASHER,Helical Spring, 0.318" ID, CST, ZND

WASHER, LOCK, 5/16"

1шт.

22

H532150

FUEL LINE - 45" long

1шт.

23

H102731

RETAINER

FUEL LINE RETAINER

1шт.

24

H71498

SWITCH

IGNITION SWITCH W/KEYS, Includes: Ref. 25

1шт.

25

A24509

KEY

- ignition start, Set of 2

1шт.

26

H561589

CONTROL

THROTTLE CONTROL ASM, Includes: Ref. 27

1шт.

27

H43034

JOINT TURNING

KEEPER - throttle wire

1шт.

28

H42796

STOP

- wire

1шт.

29

H194852

BRACKET

- throttle conduit nut retainer

1шт.

30

H117697

CONDUIT

THROTTLE CONDUIT & WIRE

1шт.

31

H117739

HOSE - air cleaner

1шт.

32

214-257

HOSE CLAMP,#24, 1.06" - 2", Type F Worm

1шт.

33

214-260

HOSE CLAMP,#36, 1.81" - 2.75", Type F Worm

1шт.

34

H501916

CABLE

CHOKE CONTROL

1шт.

35

H543652

AIR CLEANER

ASM, Includes: Ref. 36 - 38

1шт.

36

H146324

AIR CLEANER

BODY - air cleaner

1шт.

37

H146332

CAP

- air stack

1шт.

38

H146340

BRAKE BAND

BAND - mounting

2шт.

39

221-380

ELBOW,90 Degree, 1 1/4" NPT

- exhaust

1шт.

40

221-260

HYD CONNECTOR

NIPPLE - exhaust

1шт.

Выбрано товаров: 40