Запчасти Case 700 (50) - ENGINE INSTALLATION PARTS - DEUTZ ENGINE

Схема запчастей Case 700 - (50) - ENGINE INSTALLATION PARTS - DEUTZ ENGINE
FIT
1:1
100%

Артикул

Название

Примечание

Количество

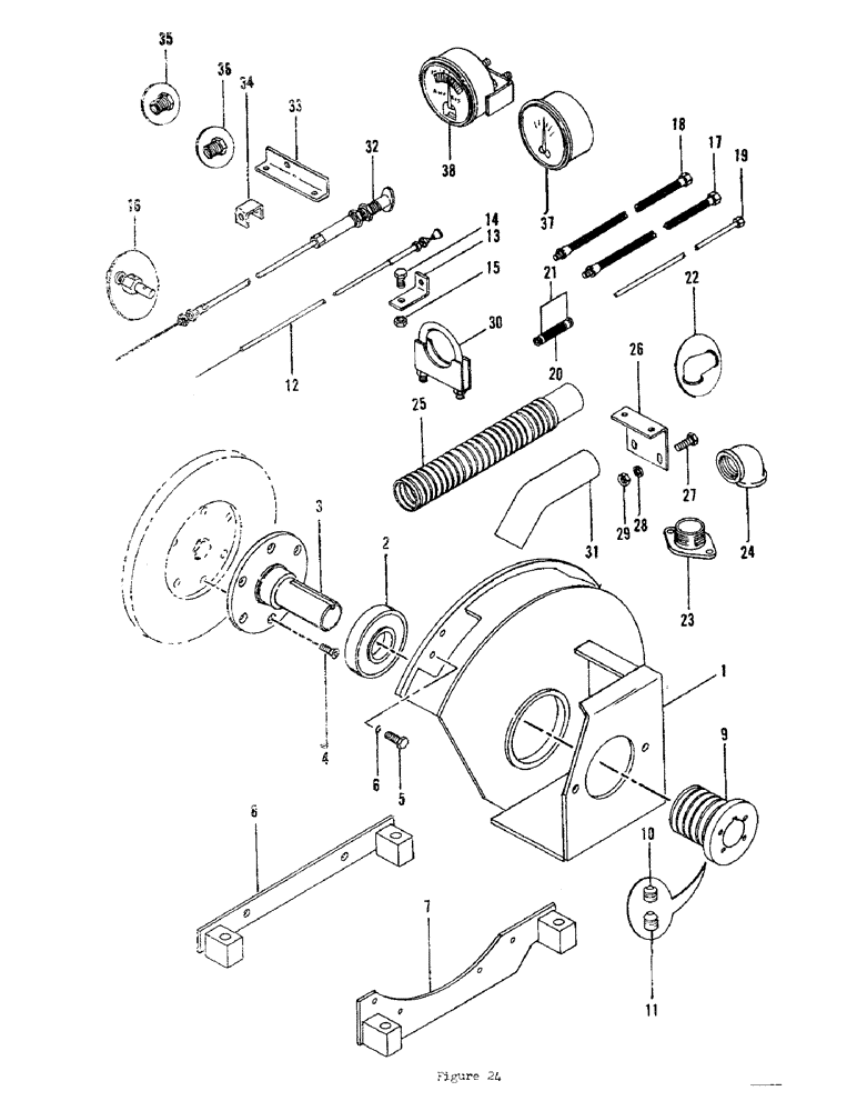
1

H617340

BRACKET

PUMP MOUNTING BRACKET

1шт.

2

H757328

BEARING

1шт.

3

H617381

TUBE NUT

SHAFT - adapter

1шт.

4

H319186

BOLT (SPREADER),Flat Hd, M8 x 20mm

BOLT (Flat - soc hd - metric - M8 x 20)

6шт.

5

513-706

SCREW

BOLT (Metric - M10 x 30)

5шт.

6

192-22

LOCK WASHER,7/16"

WASHER, LOCK, 7/16"

5шт.

7

H617423

BRACKET

ENGINE MOUNT - flywheel end

1шт.

8

H617415

BRACKET

ENGINE MOUNT

1шт.

9

H318915

SHEAVE

1шт.

10

178-853

SET SCREW,Hex Soc, 3/8"-16 x 3/8"

SCREW (3/8 x 3/8 NC - half dog point)

1шт.

11

178-53

SET SCREW,Hex Soc, 3/8"-16 x 3/8"

SCREW (3/8 x 3/8 NC - cone point)

1шт.

12

H501916

CABLE

ENGINE KILL CONTROL

1шт.

13

H202481

BRACKET - kill control

1шт.

14

113-206

BOLT,Hex, 3/8" - 16 x 3/4", Gr 5, Full Thd

1шт.

15

230-4216

LOCK NUT,3/8"-16, GA

NUT (3/8 NC hex - lock)

1шт.

16

H564047

CONTROL

STOP - kill control

1шт.

17

H50302

LINE

FUEL LINE (34" long)

1шт.

18

H224758

FUEL TUBE

OIL LINE (28" long)

1шт.

19

H562785

TUBE (Overflow from, Serial Range: injectors-tank)

1шт.

20

H106104

HOSE - overflow (3" long)

1шт.

21

214-274

HOSE CLAMP,#04, 0.25" - 0.62", Type F Worm

2шт.

22

H324889

BOOT - terminal

2шт.

23

H573543

ADAPTER - exhaust

1шт.

24

221-380

ELBOW,90 Degree, 1 1/4" NPT

- exhaust

1шт.

25

H573535

PIPE CLAMP

EXHAUST PIPE -, Serial Range: manifold-muffler

1шт.

26

H228650

ANGLE

- muffler support

1шт.

27

113-207

BOLT,Hex, 3/8" - 16 x 1", Gr 5

2шт.

28

195-525

WASHER,3/8", SAE

(3/8 - flat)

2шт.

29

230-4216

LOCK NUT,3/8"-16, GA

NUT (3/8 NC hex - lock)

2шт.

30

A27077

CLAMP

- muffler

1шт.

31

H203059

EXTENSION - muffler

1шт.

32

H615104

CONTROL BLOCK

CONTROL - throttle

1шт.

33

H223925

BRACKET

- throttle

1шт.

34

H223933

BRACKET

- throttle cable

1шт.

35

H99101

NUT

(3/8 NF x 1/4 conduit)

1шт.

36

H99457

PIPE CLAMP

NUT (3/8 NF x 7/32 conduit)

1шт.

37

H224071

GAUGE ASSY.

GAUGE - oil pressure

1шт.

38

B53888

AMMETER

1шт.

Выбрано товаров: 38