Запчасти Case 700 (06) - BOOMS - BOOM END - IDLER SPROCKETS

Схема запчастей Case 700 - (06) - BOOMS - BOOM END - IDLER SPROCKETS
FIT
1:1
100%

Артикул

Название

Примечание

Количество

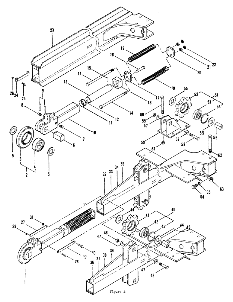
1

H531087

BOOM

END ASM (Used with either spkt or channel booms), Includes: Ref. 2 - 22

1шт.

2

H531384

ROLLER

ASM, Includes: Ref. 3 and 4

1шт.

3

H115261

ROLLER

- outer

1шт.

4

H747444

ROLLER BEARING,1.5" ID x 100 mm OD x 1.3125"

BEARING - roller

1шт.

5

H117598

WASHER

- outer roller

2шт.

6

H115246

SHAFT

- outer roller

1шт.

7

H114728

PLUG

- bleed

1шт.

8

219-66

LUBE NIPPLE,1/8"-27 NPT, Dustproof

GREASE FITTING - w/cap

1шт.

9

138-180

LOCK PIN,3/8" x 2 1/2", Slotted

PIN, 3/8" x 2 1/2", Slotted

2шт.

10

H115204

CASTING

- outer roller

1шт.

11

H748871

O-RING,0.21" Thk x 1.725" ID, -327, Cl 6, 90 Duro

1шт.

12

H755009

RING

BACKUP WASHER

1шт.

13

H115188

PLUNGER

1шт.

14

H90787

BOLT

BOLT - special

2шт.

15

138-138

LOCK PIN,1/4" x 1 1/2", Slotted

PIN, 1/4" x 1 1/2", Slotted

1шт.

16

H115196

BEARING

PLATE - bearing

1шт.

17

H115238

VALVE SPRING

SPRING RETAINER - outer

1шт.

18

H119172

CLEVIS COUPLING

PIN - clevis

1шт.

19

H101998

VALVE SPRING

SPRING

2шт.

20

H119164

VALVE SPRING

SPRING RETAINER - inner

1шт.

21

230-41110

LOCK NUT,5/8"-11, GA

NUT (5/8 NC hex - lock)

2шт.

22

425-1410

JAM NUT,Jam, 5/8"-11, G5

(5/8 NC hex - jam)

2шт.

23

CHANNEL BOOM WELD ASM - 36", 48", 60" & 72" (Order from equipment price list), Includes: Ref. 24 - 26

1шт.

24

H615757

RETAINER

- boom end

1шт.

25

113-104

BOLT,Hex, 5/16" - 18 x 1-1/4", Gr 5

1шт.

26

131-176

LOCK NUT,Prev Torque, Hex, 5/16" - 18, Gr A

NUT (5/16 NC hex-lock)

1шт.

27

H114934

DRAG LINK

LINK - boom end retainer

2шт.

28

113-122

BOLT,Hex, 5/16" - 18 x 1-1/2", Gr 5

1шт.

29

131-1117

LOCK NUT,5/16"-18, GA

NUT (5/16 NC hex-lock)

1шт.

30

113-410

BOLT,Hex, 1/2" - 13 x 1-1/2", Gr 5, Full Thd

HHCS (3/8 x 1-1/2 NC)

1шт.

31

131-1117

LOCK NUT,5/16"-18, GA

NUT (3/8 NC hex-lock)

1шт.

32

H532853

BOOM

& SPKT - asm - 36"

1шт.

33

H531194

BOOM

& SPKT - asm - 48"

1шт.

34

H532739

BOOM

& SPKT - asm - 60"

1шт.

35

H532747

BOOM

& SPKT - asm - 72", Includes: Ref. 36 - 47

1шт.

36

H532812

BOOM

WELD ASM - 36"

1шт.

H531202

BOOM

WELD ASM - 48"

1шт.

H532341

BOOM

WELD ASM - 60"

1шт.

39

H532358

BOOM

WELD ASM - 72"

1шт.

40

H531251

PINION

SPROCKET ASM, Includes: Ref. 41 - 47

2шт.

41

H115683

DRIVE SPROCKET

SPROCKET

1шт.

42

H747139

BALL BEARING

BEARING

1шт.

43

H33837

RING

- retainer

1шт.

44

H117598

WASHER

(Replaces H117606)

4шт.

45

H251033

BOOM

BEARING SHAFT

2шт.

46

113-627

BOLT,Hex, 5/8" - 11 x 3-1/4", Gr 5

2шт.

47

195-108

WASHER,5/8"

(5/8 - flat)

4шт.

48

131-1130

LOCK NUT,5/8"-11, GA

NUT (5/8 NC hex-lock)

2шт.

49

H532515

DRIVE SPROCKET

DEMOUNTABLE IDLER ASM, Includes: Ref. 50 - 59

2шт.

50

H531285

MOUNTING PARTS

MOUNTING BRACKET

1шт.

51

H531251

PINION

SPROCKET ASM

1шт.

52

H115683

DRIVE SPROCKET

SPROCKET

1шт.

53

H747139

BALL BEARING

BEARING

1шт.

54

H33837

RING

- retainer

1шт.

55

H117598

WASHER

(Replaces H117606)

2шт.

56

H251033

BOOM

BEARING SHAFT

1шт.

57

195-108

WASHER,5/8"

(5/8 - flat)

2шт.

58

113-627

BOLT,Hex, 5/8" - 11 x 3-1/4", Gr 5

1шт.

59

131-1130

LOCK NUT,5/8"-11, GA

NUT (5/8 NC hex-lock)

1шт.

60

113-630

BOLT,Hex, 5/8" - 11 x 6", Gr 5

HHCS (5/8 x 6 NC)

4шт.

61

131-1130

LOCK NUT,5/8"-11, GA

NUT (5/8 NC hex-lock)

4шт.

62

113-737

BOLT,Hex, 3/4" - 10 x 6", Gr 5

2шт.

63

131-1131

LOCK NUT,3/4"-10, GA

NUT (3/4 NC hex - lock)

2шт.

64

113-709

BOLT,Hex, 3/4" - 10 x 1-1/2", Gr 5

HHCS (3/4 x 1-1/4 NC - grd 5)

2шт.

65

192-27

LOCK WASHER,3/4"

WASHER, LOCK, 3/4"

2шт.

Выбрано товаров: 65