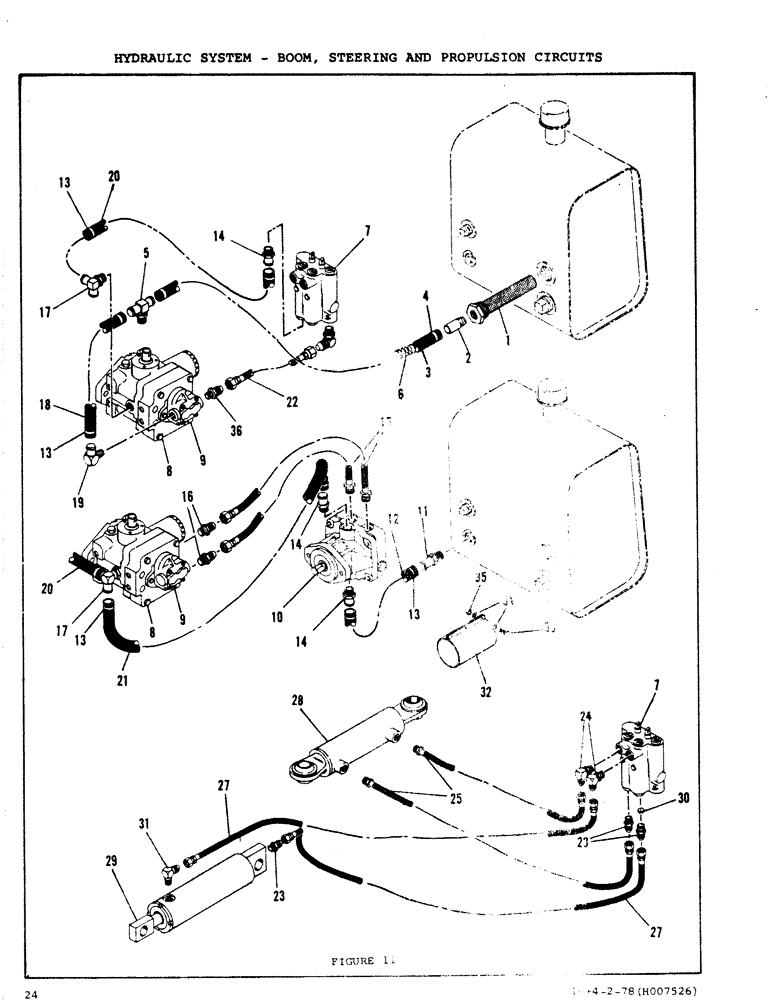
Запчасти Case DAVIS (24) - HYDRAULIC SYSTEM, BOOM, STEERING AND PROPULSION CIRCUITS

Схема запчастей Case DAVIS - (24) - HYDRAULIC SYSTEM, BOOM, STEERING AND PROPULSION CIRCUITS
FIT
1:1
100%

Артикул

Название

Примечание

Количество

1

H228197

FILTER CARTRIDGE

Filter - Suction

1шт.

2

H30650

NIPPLE, LUBE

Nipple - Special

1шт.

3

H61580

LARGE HOSE

Hose (1 x 52)

1шт.

4

214-254

HOSE CLAMP,#12, 0.69" - 1.25", Type F Worm

Clamp - Hose

2шт.

5

H346759

Tee- Hose Barb (1 x 3/4 x 3/4 ORB)

1шт.

6

H33233

VALVE SPRING

Spring - Hose

1шт.

7

H630244

VALVE

Asm - Boom & Steering (See Figure 40)

1шт.

8

H630970

PUMP

Asm - Propulsion (See Figure 32)

1шт.

9

H630251

PUMP

Asm - Boom and Steering (See Figure 30)

1шт.

10

H619676

FASTENER

Motor Asm - Proplison (See Page 31)

1шт.

11

217-155

FITTING,3/4" Hose Barb x 3/4" Male NPTF

Connector (3/4 MP x 3/4 Hose Barb)

1шт.

12

H307900

HOSE ASSY.

Hose (3/4 x 6)

1шт.

13

214-256

HOSE CLAMP,#20, 0.81" - 1.75", Type F Worm

Clamp - Hose

8шт.

14

217-396

FITTING,3/4" Hose Barb x 3/4" - 16 Male ORB

Connector (3/4 ORB x 3/4 Hose Barb)

3шт.

15

H307934

HOSE ASSY.

Hose (1/2 x 56 - 3/4 ORB x 3/4 JIC Fe Sw)

2шт.

16

218-5059

HYD CONNECTOR,3/4"-16, 37 Degree x 3/4"-16, O-Ring

Connector (3/4 ORB x 3/4 JIC M)

2шт.

17

H307751

TEE

- Hose Barb (3/4 Hose x 3/4 ORB)

1шт.

18

H307918

HOSE ASSY.

Hose (3/4 x 10 1/2)

1шт.

19

217-333

FITTING,90 Degree Elbow, 3/4" Hose Barb x 3/8" Male NPTF

Elbow - 90 degree (3/8 MP x 3/4 Hose Barb)

1шт.

20

H309021

HOSE

(3/4 x 24)

1шт.

21

H312538

Hose (3/4 x 55)

1шт.

22

H205948

HOSE

(3/8 x 22 - 3/4 JIC Fe Sw Ends)

1шт.

23

218-5057

HYD CONNECTOR,9/16" - 18 JIC x 9/16" - 18 ORB

Connector (9/16 ORB x 9/16 JIC M)

3шт.

24

218-5105

ELBOW,90 Degree Elbow, 9/16" - 18 Male JIC x 9/16" - 18 Male ORB

- 90 degree (9/16 ORB x 9/16 JIC M)

2шт.

25

H203083

HOSE ASSY.

Hose (3/8 x 20 - 9/16 ORB x 9/16 JIC Fe Sw)

2шт.

27

H185736

HYDRAULIC HOSE,6.35 mm ID x 1066.80 mm, SAE 100R1

6.35 mm ID x 1066.80 mm, SAE 100R1

2шт.

28

H624528

STEERING CYLINDER

Asm (See Figure 30)

1шт.

29

H504076

CYLINDER BLOCK

Boom Cylinder Asm (See Figure 30)

1шт.

30

H746875

SCREW

Plate - Orifice ("B" Port Valve )

1шт.

31

218-1053

ELBOW,90 Degree, 9/16"-18, 37 Degree x 3/8"-18, NPTF

- 90 degree (3/8 MP x 9/16 JIC M)

1шт.

32

H346932

COVER

- Hose

1шт.

33

113-102

BOLT,Hex, 5/16" - 18 x 3/4", Gr 5

Hex, 5/16"-18 x 3/4", G5, Full Thd

3шт.

34

195-621

Washer (5/16 - Flat)

6шт.

35

131-176

LOCK NUT,Prev Torque, Hex, 5/16" - 18, Gr A

Nut (5/16 NC Hex - Lock)

3шт.

36

218-5351

HYD CONNECTOR,3/4"-16, 37 Degree x 9/16"-18, O-Ring

Connector (9/16 ORB x 3/4 JIC M)

1шт.

Выбрано товаров: 35