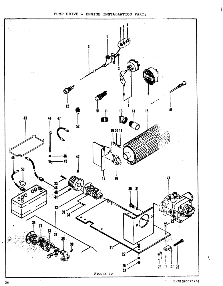
Запчасти Case DAVIS (26) - PUMP DRIVE, ENGINE INSTALLATION PARTS

Схема запчастей Case DAVIS - (26) - PUMP DRIVE, ENGINE INSTALLATION PARTS
FIT
1:1
100%

Артикул

Название

Примечание

Количество

1

H581736

CONTROL BLOCK

Control - Throttle

1шт.

2

H244434

KNOB

- Control

1шт.

3

H323675

CABLE PULLING GRIP

Wire - Throttle Control

1шт.

4

113-1

BOLT,Hex, 1/4" - 20 x 1/2", Gr 5

2шт.

5

195-518

WASHER,1/4", SAE

(1/4 -Flat)

2шт.

6

131-1180

LOCK NUT,1/4"-20, GA

NUT, LOCK, 1/4"-20, GA

2шт.

7

H71498

SWITCH

- Ignition

1шт.

8

A24509

KEY

- ignition start, Set of 2

1шт.

9

B53888

AMMETER

1шт.

10

H501916

CABLE

Control - Choke

1шт.

11

221-260

HYD CONNECTOR

Nipple (1 1/4" Pipe)

1шт.

12

H340505

NOZZLE HOLDER

Fuse Holder (Uses H233718 - 30 Amp Fuse)

1шт.

13

221-371

ELBOW

(1 1/4 x 45 degree - Pipe)

1шт.

14

H123778

NIPPLE, LUBE

Nipple - Special Exhaust

1шт.

15

H602581

MUFFLER

1шт.

16

H262550

CLAMP

- Muffler

1шт.

17

H347674

BRACKET

- Muffler & Solenoid Mtg

1шт.

18

113-355

BOLT,Hex, 7/16" - 14 x 6", Gr 5

HHCS (7/16 x 3/4 NC)

2шт.

19

195-529

WASHER,7/16", SAE

(7/16 - Flat)

2шт.

20

192-522

Washer (7/16 - Lock)

2шт.

21

H630269

Plate - Engine Mount

1шт.

22

113-209

BOLT,Hex, 3/8" - 16 x 1-1/2", Gr 5

8шт.

23

H18155

Key (1/4 Sq x 3)

1шт.

24

230-4216

LOCK NUT,3/8"-16, GA

Nut (3/8 NC Hex - Lock)

8шт.

25

195-104

WASHER,3/8"

(3/8 - Wrought)

8шт.

26

87016560

JAM NUT,Jam, 3/8"-16, G5

4шт.

27

H346742

Adjusting Angle

2шт.

28

H42465

Bolt - Belt Adjusting, Special

2шт.

29

H630970

PUMP

Asm - Propulsion (See Figure 32)

1шт.

30

114-640

BOLT,Hex, 5/8" - 18 x 1-1/4", Gr 5

2шт.

31

192-25

LOCK WASHER,5/8"

WASHER, LOCK, 5/8"

2шт.

32

H592709

U-JOINT SPIDER

"U" Joint - Pump Drive

1шт.

33

H244855

COUPLING

Yoke

1шт.

34

H245902

FORK

Flange Yoke

1шт.

35

H266379

YOKE

1шт.

36

86636814

LUBE NIPPLE,1/4"-28 x .52" lg

NIPPLE, LUBE, 1/4"-28 x .52" lg

1шт.

37

H582437

BEARING ASSY

Journal Cross and Bearing Kit

2шт.

38

113-102

BOLT,Hex, 5/16" - 18 x 3/4", Gr 5

Hex, 5/16"-18 x 3/4", G5, Full Thd

4шт.

39

192-20

LOCK WASHER,Helical Spring, 0.318" ID, CST, ZND

WASHER, LOCK, 5/16"

4шт.

40

H326149

Sheave - Engine

1шт.

41

178-853

SET SCREW,Hex Soc, 3/8"-16 x 3/8"

(3/8 x 3/8 NC Half Dog Pt)

2шт.

42

178-53

SET SCREW,Hex Soc, 3/8"-16 x 3/8"

(3/8 x 3/8 NC Cone Pt)

2шт.

43

H30833

FUNNEL

Frame - Battery Hold Down

1шт.

44

H283739

BOLT

Bolt - Battery Hold Down

2шт.

45

129-419

WING NUT,5/16"-18

Nut (5/16 NC - Wing)

2шт.

46

195-521

WASHER,5/16", SAE

(5/16 - Flat)

2шт.

47

H256990

CABLE PULLING GRIP

Cable - Solenoid

1шт.

48

H116996

CABLE PULLING GRIP

Cable - Battery, Ground

1шт.

49

H35071

CABLE PULLING GRIP

Cover - Battery Cable Positive

1шт.

50

H102681

COVER ASSY

Cover - Battery Cable

1шт.

51

H603852

LIGHT

- Oil Temp

1шт.

Ref. 51 H603852, red replacement lens is P/N 114323A1.

1шт.

52

H81935

SENDER UNIT

Sender - Hyd Oil Temp

1шт.

Выбрано товаров: 53