Запчасти Case DAVIS (32) - CRUMBER BAR

Схема запчастей Case DAVIS - (32) - CRUMBER BAR
FIT
1:1
100%

Артикул

Название

Примечание

Количество

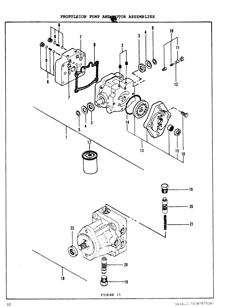
1

H630970

PUMP

Propulsion Pump Asm

1шт.

2

221-849

PLUG,Hex Soc, 1/8"-27

(1/8 - 27 Socket HD Pipe)

4шт.

3

H755884

SEAL

Shaft Seal

2шт.

4

H249599

WASHER

2шт.

5

A27521

SNAP RING,#68, Ext

Ring, Snap, #68, Ext

2шт.

6

H255059

GASKET

1шт.

7

F23125

O-RING,0.07" Thk x 0.489" ID, -14, Cl 6, 90 Duro

"O" Ring

2шт.

8

H591537

KIT

Check Valve Kit

2шт.

10

H620815

Charge Relief Valve Kit

1шт.

12

D63406

SHIM

Pack

1шт.

13

H619858

KIT

Charge Pump Kit

1шт.

14

H756650

O-RING

"O" Ring

1шт.

15

A50421

OIL SEAL,19.05mm ID x 31.95mm OD x 6.73mm Thk

Shaft Seal

1шт.

16

113-113

BOLT,Hex, 5/16" - 18 x 7/8", Gr 5

4шт.

17

H334540

FILTER CARTRIDGE

1шт.

18

H619676

FASTENER

Propulsion Asm

1шт.

19

214389

PLUG,3/4" - 16 ORB

2шт.

20

H620823

VALVE

Accelerator Valve Asm

2шт.

21

H249607

SPRING

Accelerator Spring

1шт.

22

H755892

SEAL ASSY.

Shaft Seal

1шт.

9

218-5004

O-RING,0.072" Thk x 0.414" ID, -905, Cl 6, 90 Duro

5-1, 90 Duro, .414" ID x .072" Thk

1шт.

11

218-5004

O-RING,0.072" Thk x 0.414" ID, -905, Cl 6, 90 Duro

5-1, 90 Duro, .414" ID x .072" Thk

1шт.

Выбрано товаров: 22