Запчасти Case DAVIS (44) - HYDRA-BORE PUMP, VALVE AND MOTOR ASSEMBLIES

Схема запчастей Case DAVIS - (44) - HYDRA-BORE PUMP, VALVE AND MOTOR ASSEMBLIES
FIT
1:1
100%

Артикул

Название

Примечание

Количество

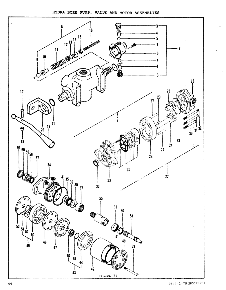
1

H616136

LOCK VALVE

Hydra-Bore Control Valve Asm

1шт.

2

H624411

DETENT

Kit

1шт.

3

C17443

SCREW,5/16" - 24 x 3/16"

Detent Screw

2шт.

4

C17444

SPRING

Detent Spring

2шт.

5

211-7

BALL,1/4" Dia

- steel 1/4" Dia

2шт.

6

H331090

CAP

End Cap

1шт.

7

169-146

SCREW,Phil Fil Hd, #8 - 32 x 3/8"

4шт.

8

H623934

LOCK VALVE

Relief Valve Kit

1шт.

9

211-13

BALL,1/2" Dia

- steel relief ball 1/2" Dia

1шт.

10

H331033

Ball Guide

1шт.

11

H331041

Relief Spring

1шт.

12

H331058

Relief Spool

1шт.

13

A27891

O-RING,0.103" Thk x 0.362" ID, -110, Cl 5, 75 Duro

O Ring

1шт.

14

H331066

Relief Plug

1шт.

15

129-577

NUT,1/4"-20, G5

(1/4 NC)

1шт.

16

83-420

Adjusting Screw Hex Soc, 1/4"-20 x 1 1/4"

1шт.

17

H331074

Pin

1шт.

18

C18845

RETAINER

1шт.

19

H310268

Handle

1шт.

20

H331082

Handle Bracket

1шт.

21

F62075

O-RING,0.139" Thk x 0.734" ID, -210, Cl 5, 75 Duro

O Ring

2шт.

22

H561282

PUMP

Hydra-Bore Pump Asm

1шт.

23

H501577

PLATE ASSY.

Front Plate Asm

1шт.

24

H563056

GEAR

Drive Gear Asm

1шт.

25

R33010

GEAR WHEEL

Idler Gear Asm

1шт.

26

H203679

HOUSING

Body

1шт.

27

H753848

AXLE PIN

Dowel

2шт.

28

H562983

LARGE PLATE

Back Plate Asm

1шт.

29

H35147

KEY

(3/16 Sq x 49/64)

1шт.

30

113-110

BOLT,Hex, 5/16" - 18 x 2-1/4", Gr 5

Hex, 5/16"-18 x 2 1/4", G5

4шт.

31

113-119

BOLT,Hex, 5/16" - 18 x 2-3/4", Gr 5

2шт.

32

166-33

12 PT SCREW,Flg, 5/16" - 18 x 2 3/4", Gr 8

12 Point CS (5/16 x 2 3/4 NC)

2шт.

33

S89448

SEAL KIT

Seal Repair Kit

1шт.

34

NSS

NOT SOLD SEPARAT

Housing - Cover

1шт.

35

D60861

WASHER

- Thrust

2шт.

36

D60860

THRUST BEARING,1.366" ID x 2.24" OD x 0.125"

Bearing - Thrust

1шт.

37

D60862

NEEDLE BEARING

Bearing - Needle, Long

1шт.

38

A32424

NEEDLE BEARING,1.875" ID x 2.2505" OD x 1"

Bearing - Needle, Short

1шт.

39

28-662

BOLT,Hex, 3/8" - 24 x 3-7/8", Gr 8

HHCS (3/8 x 3 7/8 NF)

7шт.

40

D60858

COVER

- End

1шт.

41

C18382

RING

Seal- O Ring

2шт.

Part of seal kit P/N C19037

1шт.

42

C18092

SLEEVE

Housing - Center

1шт.

43

D60857

COMMUTATOR

Asm - Matched Set

1шт.

44

NSS

NOT SOLD SEPARAT

Ring - Commutator

1шт.

45

NSS

NOT SOLD SEPARAT

Commutator - Rotor

1шт.

46

NSS

NOT SOLD SEPARAT

Ring - Bonded

1шт.

Part of seal kit P/N C19037

1шт.

47

D59700

TUBE ASSY.

Manifold - Motor

1шт.

48

C14832

PLATE

- Manifold

1шт.

49

C18110

ROTOR

Asm - Set

1шт.

50

NSS

NOT SOLD SEPARAT

Housing - Rotor

1шт.

51

NSS

NOT SOLD SEPARAT

Rotor

1шт.

52

NSS

NOT SOLD SEPARAT

Roller

7шт.

53

C14830

PLATE

- Wear

1шт.

54

D59699

SHAFT

- Drive Link

1шт.

55

D59697

SHAFT

- Coupling

1шт.

56

D59698

THRUST BEARING,1.25" ID x 2.247" OD x 0.1094"

Bearing - Thrust

1шт.

57

NSS

NOT SOLD SEPARAT

Seal - Inner, Oil

1шт.

Part of seal kit P/N C19037

1шт.

58

NSS

NOT SOLD SEPARAT

Shim - Seal

1шт.

Part of seal kit P/N C19037

1шт.

59

NSS

NOT SOLD SEPARAT

Spacer - Seal

1шт.

Part of seal kit P/N C19037

1шт.

60

NSS

NOT SOLD SEPARAT

Ring - Retaining

1шт.

Part of seal kit P/N C19037

1шт.

61

NSS

NOT SOLD SEPARAT

Seal - Outer, Dirt

1шт.

Part of seal kit P/N C19037

1шт.

C19037

SEAL

Kit-Seal Includes Refs. 41, 46, 57, 58, 59, 60 and 61

1шт.

Выбрано товаров: 69