Запчасти Case DAVIS (18) - FRICTION CLUTCH ASSEMBLY

Схема запчастей Case DAVIS - (18) - FRICTION CLUTCH ASSEMBLY
FIT
1:1
100%

Артикул

Название

Примечание

Количество

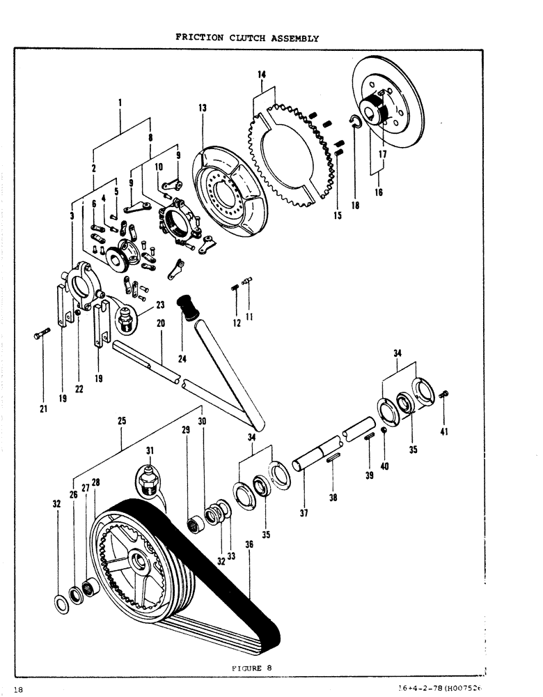
1

H559054

CLUTCH ASSEMBLY

Friction Clutch Asm

1шт.

2

H529370

CLUTCH ASSEMBLY

Sliding Sleeve Asm

1шт.

3

H529388

COLLAR

Shifting Collar Asm

1шт.

4

H111229

AXLE PIN

Lever Link Pin

4шт.

5

F11938

AXLE PIN

Lever Link Pin

4шт.

6

F11937

DRAG LINK

Lever Link

8шт.

7

NSS

NOT SOLD SEPARAT

Sliding Sleeve

1шт.

8

H529362

YOKE

Adjusting Yoke Asm

1шт.

9

H111179

LEVER

Finger

4шт.

10

H111187

AXLE PIN

Finger Pin

4шт.

11

H111195

AXLE PIN

Adjusting Pin

1шт.

12

A26944

VALVE SPRING

Spring - Adjusting Pin

1шт.

13

H189050

PLATE ASSY.

Floating Plate

1шт.

14

H111245

PLATE

Driving Plate

1шт.

15

H111260

VALVE SPRING

Release Spring

6шт.

16

H559062

HUB CAP

Hub & Back Plate Asm

1шт.

17

H111161

AXLE PIN

Pin - Plate

1шт.

18

F62235

SNAP RING,#112, Ext

Ring, Snap, #112, Ext

1шт.

19

H344523

FORK TEDDER

Fork - Clutch

2шт.

20

H629626

Shaft Asm - Clutch

1шт.

21

113-120

BOLT,Hex, 5/16" - 18 x 1-3/4", Gr 5

2шт.

22

131-176

LOCK NUT,Prev Torque, Hex, 5/16" - 18, Gr A

Nut (5/16 NC Hex - Lock)

2шт.

23

219-55

LUBE NIPPLE,90 Degree Elbow, 1/8" - 27 NPTF

NIPPLE, LUBE, 90º, 1/8" NPT x .84" lg

1шт.

24

H33332

GRIP

- Hand

1шт.

25

H584995

SHEAVE

Asm

1шт.

26

H749234

SEAL

Grease Seal

1шт.

27

H747998

NEEDLE BEARING

Bearing - Needle

1шт.

28

H179614

SHEAVE

Large shave

1шт.

29

H748178

NEEDLE BEARING

Bearing - Needle

1шт.

30

H749143

SEAL

Grease Seal

1шт.

31

219-1

LUBE NIPPLE,1/8" - 27 NPTF

Grease Fitting

1шт.

32

H68015

WASHER

- Fitting

2шт.

33

H81760

WASHER

- Steel

1шт.

34

H747188

FLANGED BEARING,112.73 mm OD x 8.74 mm

Flangette - Bearing

4шт.

35

T36576

BALL BEARING,1.12" ID x 2.4409" OD

Bearing

2шт.

36

H209015

V-BELT

Drive

1шт.

37

H347500

JACKSHAFT

Shaft - Jack

1шт.

38

H41996

KEY

(1/4 Sq x 1 3/4)

1шт.

39

T13450

KEY

(1/4 Sq x 1 1/4)

1шт.

40

131-207

Nut (3/8 NC Hex - Lock)

6шт.

41

113-207

BOLT,Hex, 3/8" - 16 x 1", Gr 5

6шт.

Выбрано товаров: 41