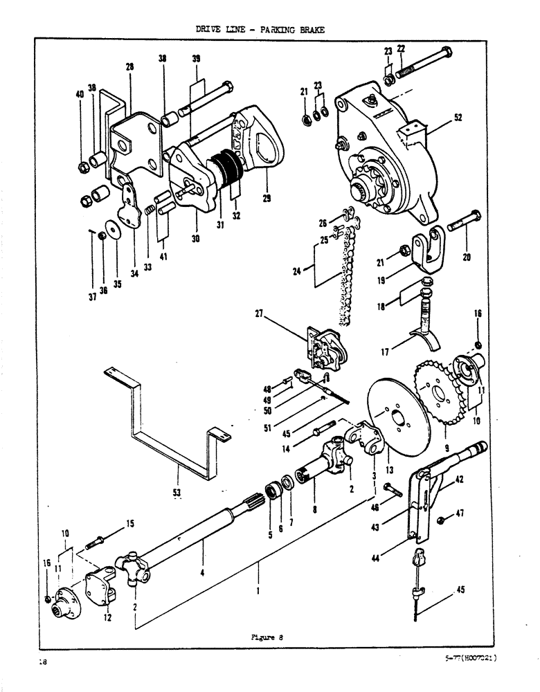
Запчасти Case DAVIS (18) - DRIVE LINE, PARKING BRAKE

Схема запчастей Case DAVIS - (18) - DRIVE LINE, PARKING BRAKE
FIT
1:1
100%

Артикул

Название

Примечание

Количество

1

H625194

DRIVE ASSY.

Drive Shaft Assy

1шт.

2

H584813

BEARING

Journal & Bearing Kit

2шт.

3

H251777

FLANGE

Companion Flange

1шт.

4

H652552

TUBE

- Spline & Yoke Assy (replaces H625194)

1шт.

5

H223875

CYLINDER END CAP

Dust Cap

1шт.

6

H223891

WASHER

Steel Washer

1шт.

7

H223883

WASHER

Cork Washer

1шт.

8

H223867

YOKE

Sleeve & Yoke Assy

1шт.

9

H328138

DRIVE SPROCKET

Sprocket - Driven

1шт.

10

H560524

FLANGE

End Assy (Part of Axle Assy)

2шт.

11

H196998

SPACER

Slinger Ring

1шт.

12

H251777

FLANGE

Companion Flange

1шт.

13

H621581

DISC

- Brake

1шт.

14

H348433

BOLT

HHCS (3/8-24 UNF-AN6-3A x 3 3/64)

4шт.

15

H304691

BOLT,Hex, 3/8" - 24 x 27.38mm

HHCS (3/8-24 UNF-3A-10A x 1 5/16)

4шт.

16

131-1133

NUT,3/8"-24, GC

Nut (3/8 NF Hex T/L)

8шт.

17

H657957

SADDLE

Assy (replaces H591826)

1шт.

18

129-148

JAM NUT,Jam, 3/4"-10, G5

(3/4 NC Hex - Jam)

2шт.

19

H253641

YOKE

- Chain Adj

1шт.

20

113-618

BOLT,Hex, 5/8" - 11 x 4", Gr 5

HHCS (5/9 x 4 NC)

1шт.

21

131-1130

LOCK NUT,5/8"-11, GA

Nut (5/8 NC Hex - Lock)

2шт.

22

113-630

BOLT,Hex, 5/8" - 11 x 6", Gr 5

HHCS (5/8 x 6NC)

1шт.

23

195-541

WASHER,5/8", SAE

(5/8 - Flat)

4шт.

24

H757781

CHAIN (AG)

Chain (ASA #60 - 42 Pitches)

1шт.

25

B12509

DRAG LINK

Connector Link (#60)

1шт.

26

B12506

LINK

Half Link (#60)

1шт.

27

H609263

BRAKE

Assy

1шт.

28

H616128

Mounting Bracket

1шт.

29

H265504

CARRIER

Side Casting

1шт.

30

H265512

CASTING

Cam Side Casting

1шт.

31

H316299

WASHER

- Back-Up (replaces H265702)

1шт.

32

H265520

BRAKE PAD

Puck

1шт.

33

H265546

VALVE SPRING

Spring - Compression

1шт.

34

H265553

CAM

1шт.

35

195-104

WASHER,3/8"

- Thrust

1шт.

36

H756411

NUT

(5/16-24 - Castelated)

1шт.

37

132-320

COTTER PIN,3/32" x 3/4"

PIN, SPLIT (COTTER), 3/32" x 3/4"

1шт.

38

H265579

BUSHING

4шт.

39

114-259

BOLT,Hex, 3/8" - 24 x 3-1/4", Gr 5

HHCS (3/8 x 3 1/2 NF)

2шт.

40

131-1133

NUT,3/8"-24, GC

Nut (3/8 NF Hex - Lock)

2шт.

41

H265538

AXLE PIN

Pin - Puck

2шт.

42

H506881

HANDLE

Lever - Brake

1шт.

43

H53942

SPACER

- Upper

1шт.

44

H53959

SPACER

- Lower

1шт.

45

H589184

CABLE PULLING GRIP

Cable - Brake

1шт.

46

113-110

BOLT,Hex, 5/16" - 18 x 2-1/4", Gr 5

Hex, 5/16"-18 x 2 1/4", G5

2шт.

47

131-176

LOCK NUT,Prev Torque, Hex, 5/16" - 18, Gr A

Nut (5/16 NC Hex - Lock)

2шт.

48

D23693

AXLE PIN

Pin (1/4 x 1 - Clevis)

1шт.

49

132-320

COTTER PIN,3/32" x 3/4"

PIN, SPLIT (COTTER), 3/32" x 3/4"

1шт.

50

H166421

HARDWARE

U-Bolt

1шт.

51

131-1180

LOCK NUT,1/4"-20, GA

NUT, LOCK, 1/4"-20, GA

2шт.

52

H620724

TRANSMISSION

Assy (See Figure 30)

1шт.

53

H352864

Brake Guard

1шт.

Выбрано товаров: 53