Запчасти Case DAVIS (22) - FRICTION CLUTCH

Схема запчастей Case DAVIS - (22) - FRICTION CLUTCH
FIT
1:1
100%

Артикул

Название

Примечание

Количество

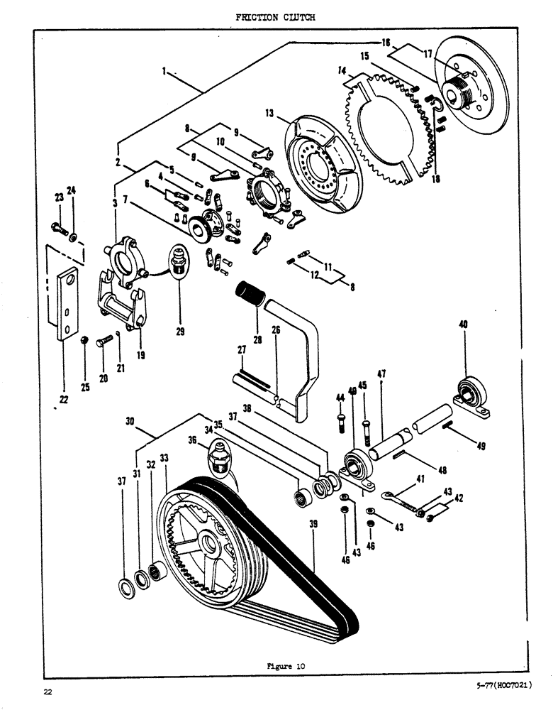
1

H559054

CLUTCH ASSEMBLY

Friction Clutch Assy

1шт.

2

H529370

CLUTCH ASSEMBLY

Sliding Sleeve Assy

1шт.

3

H529388

COLLAR

Shifting Collar Assy

1шт.

4

H111229

AXLE PIN

Lever Link Pin

4шт.

5

F11938

AXLE PIN

Lever Link Pin

4шт.

6

F11937

DRAG LINK

Lever Link

1шт.

7

H142125

SLEEVE

Sliding Sleeve

1шт.

8

H529362

YOKE

Adjusting Yoke Assy

1шт.

9

H111179

LEVER

Finger

4шт.

10

H111187

AXLE PIN

Finger Pin

4шт.

11

H111195

AXLE PIN

Adjusting Pin

1шт.

12

A26944

VALVE SPRING

Spring - Adjusting Pin

1шт.

13

H189050

PLATE ASSY.

Floating Plate

1шт.

14

H111245

PLATE

Driving Plate

1шт.

15

H111260

VALVE SPRING

Release Spring

6шт.

16

H559062

HUB CAP

Hub & Back Plate Assy

1шт.

17

H111161

AXLE PIN

Pin - Plate

1шт.

18

F62235

SNAP RING,#112, Ext

Ring, Snap, #112, Ext

1шт.

19

H215608

CONTROL BLOCK

Yoke - Clutch

1шт.

20

113-209

BOLT,Hex, 3/8" - 16 x 1-1/2", Gr 5

2шт.

21

192-21

LOCK WASHER,3/8"

WASHER, LOCK, 3/8"

2шт.

22

H334052

Plate - Clutch Pivot

1шт.

23

113-410

BOLT,Hex, 1/2" - 13 x 1-1/2", Gr 5, Full Thd

2шт.

24

195-533

WASHER,1/2", SAE

2шт.

25

131-1182

LOCK NUT,1/2"-13, GA

Nut (1/2 NC Hex - Lock)

2шт.

26

H560508

SHAFT

- Clutch Operating

1шт.

27

H112292

KEY

(1/4 Sq x 4 7/8")

1шт.

28

H33332

GRIP

Hand Grip

1шт.

29

219-55

LUBE NIPPLE,90 Degree Elbow, 1/8" - 27 NPTF

NIPPLE, LUBE, 90º, 1/8" NPT x .84" lg

1шт.

30

H584995

SHEAVE

Large Sheave Assy

1шт.

31

H749234

SEAL

Grease Seal

1шт.

32

H747998

NEEDLE BEARING

Bearing - Needle

1шт.

33

H179614

SHEAVE

Large Sheave

1шт.

34

H748178

NEEDLE BEARING

Bearing - Needle

1шт.

35

H749143

SEAL

Grease Seal

1шт.

36

219-1

LUBE NIPPLE,1/8" - 27 NPTF

Grease Fitting

1шт.

37

H68015

WASHER

- Thrust

2шт.

38

H81760

WASHER

- Steel

1шт.

39

H349688

BELT

Drive

1шт.

40

H747295

BEARING,28.58 mm ID x 44.45 mm OD x 44.45 mm

- Pillow Block

2шт.

41

H170233

BOLT (SPREADER)

Eye Bolt - Belt Adj

2шт.

42

129-165

JAM NUT,Jam, 1/2"-20, G5

4шт.

43

195-533

WASHER,1/2", SAE

6шт.

44

113-421

BOLT,Hex, 1/2" - 13 x 2", Gr 5

2шт.

45

80087972

BOLT,Hex, 1/2" - 13 x 2 1/2", Gr 5

HHCS (1/2 x 2 1/2 NC)

2шт.

46

131-1182

LOCK NUT,1/2"-13, GA

Nut (1/2 NC Hex - Lock)

4шт.

47

HJ433627

Jack Shaft (replaces H109090)

1шт.

Replaced by HJ433627 at S/N 1231994.

1шт.

48

H41996

KEY

(1/4 Sq x 1 3/4)

1шт.

49

T13450

KEY

(1/4 Sq x 1 1/4)

1шт.

Выбрано товаров: 50