Запчасти Case DAVIS (24) - DIGGING CHAIN DRIVE LINE

Схема запчастей Case DAVIS - (24) - DIGGING CHAIN DRIVE LINE
FIT
1:1
100%

Артикул

Название

Примечание

Количество

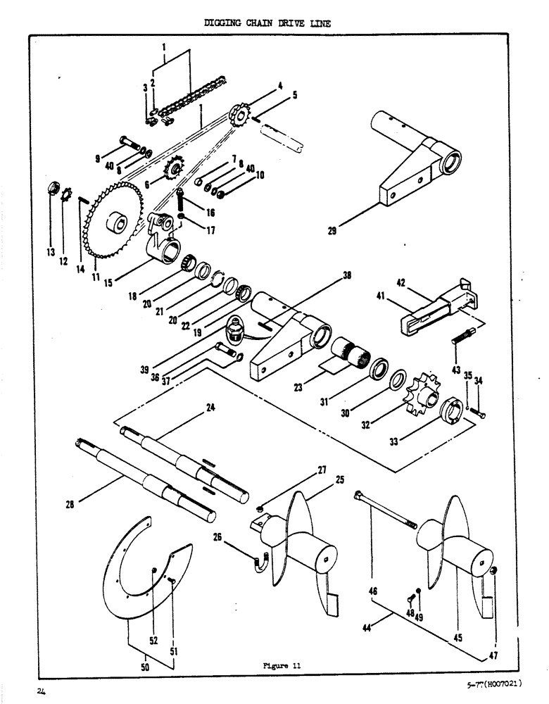
1

H757351

CHAIN (AG)

Chain - Asa #60 (90 Pitches)

1шт.

2

B12509

DRAG LINK

Connector Link (#60)

1шт.

3

H750562

CHAIN (AG)

Half Link (#60) (replaces B12510 )

1шт.

4

H48850

DRIVE SPROCKET

Sprocket Drive

1шт.

5

T13450

KEY

(1/4 Sq x 1 1/4)

1шт.

6

H747386

DRIVE SPROCKET

Sprocket - Idler

1шт.

7

H114140

SPACER

- Sprocket

1шт.

8

195-108

WASHER,5/8"

(5/8 - Flat - Wrought)

2шт.

9

113-626

BOLT,Hex, 5/8" - 11 x 2-1/2", Gr 5

1шт.

10

131-1130

LOCK NUT,5/8"-11, GA

Nut (5/8 NC Hex - Lock)

1шт.

11

H91041

DRIVE SPROCKET

Sprocket - Driven

1шт.

12

192-306

LOCK WASHER,Type W-06

Washer - Lock

1шт.

13

131-1034

BEARING LOCK NUT,Bearing, 1.1811" Bore

Nut - Lock

1шт.

14

H70045

KEY

(3/8 Sq x 1 3/4)

3шт.

15

H109421

LEVER

Casting - Cylinder Attach.

1шт.

16

H33746

SET SCREW,1/2" - 20 x 2 1/4"

- Special Cap

2шт.

17

129-165

JAM NUT,Jam, 1/2"-20, G5

2шт.

18

T17079

CUP

Cone - Bearing

1шт.

19

H110445

CASTING

Boom Mounting Casting - 12" Trench

1шт.

20

B12408

BEARING CUP,59.156 mm OD x 11.862 mm

Cup - Bearing

2шт.

21

H91025

RETAINER

Square Retainer Ring

1шт.

22

B12409

BEARING, ROLLER,31.763 mm ID x 16.84 mm

Bearing - Cone

1шт.

23

H748111

NEEDLE BEARING,Needle, 50.8mm ID x 65.17mm OD x 25.4mm W

Bearing - Needle

2шт.

24

H520411

SHAFT

Drive Shaft Asm - 12" Trench

1шт.

25

H502526

AUGER

Dirt Auger Asm

1шт.

26

H34439

U-BOLT

U Bolt

1шт.

27

131-1182

LOCK NUT,1/2"-13, GA

Nut - U-Bolt

2шт.

28

H529800

SHAFT

Drive Shaft Assy - 16" Trench

1шт.

28a

H70789

SLEEVE CYLINDER

BUSHING, for the H529800 drive shaft assy

1шт.

29

H112318

PIVOT

Boom Mounting Casting - 16" Trench

1шт.

30

H53546

SEAL

Seal Shield

1шт.

31

H749085

SEAL

Grease Seal

1шт.

32

H69773

DRIVE SPROCKET

Sprocket - Digging Chain Drive

1шт.

33

H69930

HUB CAP

Retainer - Sprocket

1шт.

34

113-219

BOLT,Hex, 3/8" - 16 x 2", Gr 5

2шт.

35

129-21

NUT,#2-64

Washer (3/8 - Lock)

2шт.

36

113-705

BOLT,Hex, 3/4" - 10 x 2-1/2", Gr 5

HHCS - Boom Retainer (3/4 x 2 1/2 NC)

2шт.

37

193-98

LOCK WASHER,Ext Tooth, 3/4"

WASHER, LOCK, Ext Tooth, 3/4"

2шт.

38

H33290

KEY

(1/4 Sq x 2 1/4)

1шт.

39

219-1

LUBE NIPPLE,1/8" - 27 NPTF

Grease Fitting (1/8 NPT)

1шт.

40

195-541

WASHER,5/8", SAE

(5/8 - Flat)

2шт.

41

H93682

BOOM

Chain Adjusting Casting - Standard (See Equipment Price List)

1шт.

42

H326728

GUIDE

Chain Adjusting Casting - Channel Booms (See Equipment Price List)

1шт.

43

H33993

ADJUSTMENT SCREW,5/8" - 11 x 2 5/8"

- Chain Adjusting

1шт.

44

Auger Extension Assy (See Equipment Price List)

1шт.

45

H502641

AUGER

Extension

1шт.

46

11-10168

CARRIAGE BOLT,Short NK, 5/8"-11 x 10 1/2", G2

Bolt - Auger Mounting

1шт.

47

131-1130

LOCK NUT,5/8"-11, GA

Nut (5/8 NC Hex - Lock)

1шт.

48

113-206

BOLT,Hex, 3/8" - 16 x 3/4", Gr 5, Full Thd

1шт.

49

230-4216

LOCK NUT,3/8"-16, GA

Nut (3/8 NC Hex - Lock)

1шт.

50

Auger Radial Extension (See Equipment Price List)

1шт.

51

111-202

CARRIAGE BOLT,Short NK, 5/16"-18 x 3/4", G2

BOLT, CARRIAGE, Short NK, 5/16"-18 x 3/4", G2

7шт.

52

131-176

LOCK NUT,Prev Torque, Hex, 5/16" - 18, Gr A

Nut (5/16 NC Hex - Lock)

7шт.

Выбрано товаров: 53