Запчасти Case DAVIS (11A) - EXTRA HEAVY DUTY DIGGING BOOMS, BOOM END

Схема запчастей Case DAVIS - (11A) - EXTRA HEAVY DUTY DIGGING BOOMS, BOOM END
FIT
1:1
100%

Артикул

Название

Примечание

Количество

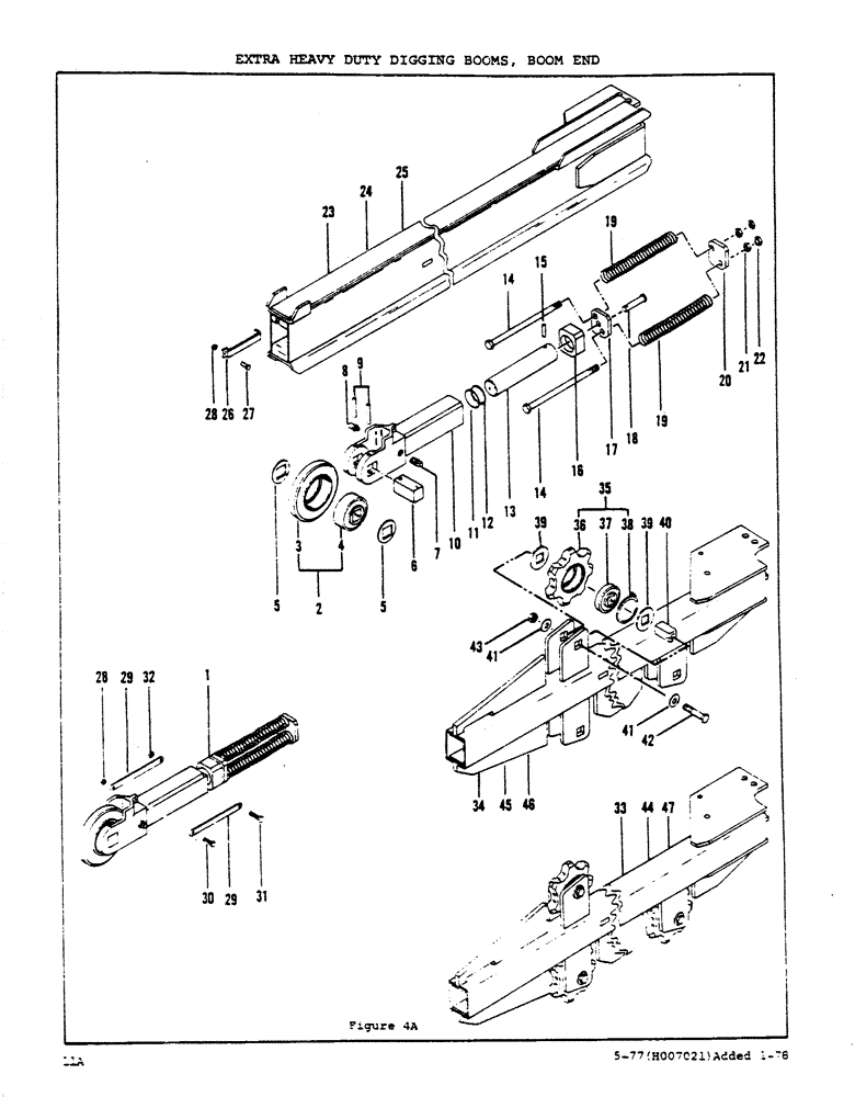
1

H531087

BOOM

End Asm (Used with either Sprocket on Channel Booms

1шт.

2

H531384

ROLLER

Arm

1шт.

3

H115261

ROLLER

- Outer

1шт.

4

H747444

ROLLER BEARING,1.5" ID x 100 mm OD x 1.3125"

Bearing - Roller

1шт.

5

H117598

WASHER

- Outer Roller

2шт.

6

H115246

SHAFT

- Outer Roller

1шт.

7

H114728

PLUG

- Bleed

1шт.

8

219-66

LUBE NIPPLE,1/8"-27 NPT, Dustproof

Grease Fitting - W/Cap

1шт.

9

138-180

LOCK PIN,3/8" x 2 1/2", Slotted

PIN, 3/8" x 2 1/2", Slotted

2шт.

10

H115204

CASTING

- Outer Roller

1шт.

11

H748871

O-RING,0.21" Thk x 1.725" ID, -327, Cl 6, 90 Duro

1шт.

12

H755009

RING

Backup Washer

1шт.

13

H115188

PLUNGER

1шт.

14

H90787

BOLT

Bolt - Special

2шт.

15

138-138

LOCK PIN,1/4" x 1 1/2", Slotted

PIN, 1/4" x 1 1/2", Slotted

1шт.

16

H115196

BEARING

Plate - Bearing

1шт.

17

H115238

VALVE SPRING

Spring Retainer - Outer

1шт.

18

H119172

CLEVIS COUPLING

Pin - Clevis

1шт.

19

H101998

VALVE SPRING

Spring

2шт.

20

H119164

VALVE SPRING

Spring Retainer - Inner

1шт.

21

230-41110

LOCK NUT,5/8"-11, GA

Nut (5/8 NC Hex - Lock)

2шт.

22

425-1410

JAM NUT,Jam, 5/8"-11, G5

(5/8 NC Hex - Jam)

2шт.

23

H628891

Channel Boom Asm - 36"

1шт.

24

H651786

BOOM

Channel Boom Asm - 48" (replaces H628883)

1шт.

25

H648154

BOOM

Channel Boom Asm - 60" (replaces H628875)

1шт.

26

H615757

RETAINER

- Boom End (Channel Booms)

1шт.

27

113-104

BOLT,Hex, 5/16" - 18 x 1-1/4", Gr 5

1шт.

28

131-176

LOCK NUT,Prev Torque, Hex, 5/16" - 18, Gr A

Nut (5/16 NC Hex - Lock)

1шт.

29

H114934

DRAG LINK

Retainer - Boom End (Sprocket Booms)

2шт.

30

113-122

BOLT,Hex, 5/16" - 18 x 1-1/2", Gr 5

1шт.

31

113-410

BOLT,Hex, 1/2" - 13 x 1-1/2", Gr 5, Full Thd

HHCS (3/8 x 1 1/2 NC)

1шт.

32

131-1117

LOCK NUT,5/16"-18, GA

Nut (3/8 NC Hex - Lock)

1шт.

33

H633255

BOOM

Sprocket Boom Asm - 36"

1шт.

34

H628768

ASSEMBLY

Sprocket Boom Weld Asm - 36"

1шт.

35

H631251

Sprocket Asm - Idler

2шт.

36

H115683

DRIVE SPROCKET

Sprocket

1шт.

37

H747139

BALL BEARING

Bearing - Sprocket

1шт.

38

H33837

RING

- Retaining

1шт.

39

H117606

WASHER

4шт.

40

H251033

BOOM

Shaft - Bearing

2шт.

41

195-108

WASHER,5/8"

(5/8 - Wrought)

4шт.

42

113-627

BOLT,Hex, 5/8" - 11 x 3-1/4", Gr 5

2шт.

43

131-1130

LOCK NUT,5/8"-11, GA

Nut (5/8 NC Hex - Lock)

2шт.

44

H633263

BOOM

Sprocket Boom Asm - 48" (Also contains 3 ea items 35,40,42,43, and 6 ea items 39 and 41)

1шт.

45

H628750

ASSEMBLY

Sprocket Boom Weld Asm - 48"

1шт.

46

H634857

BOOM

Sprocket Boom Asm - 60" (Also contains 4 ea items 35,40,42,43 and 8 ea items 39 and 41)

1шт.

47

H628743

BOOM

Sprocket Boom Weld Asm

1шт.

Выбрано товаров: 47