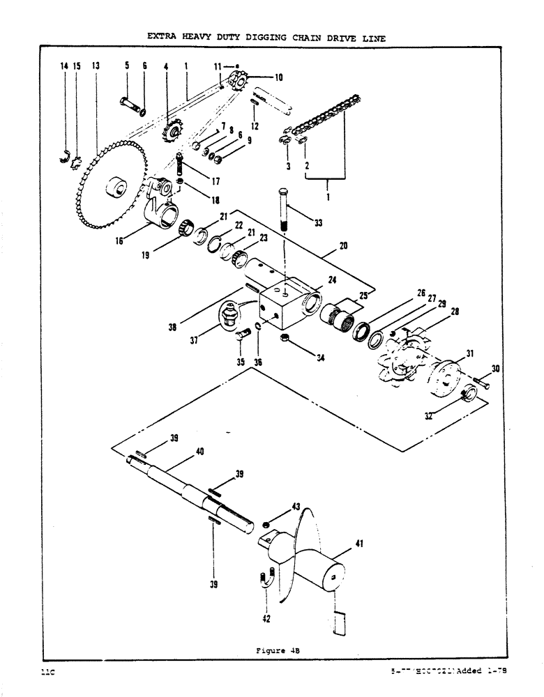
Запчасти Case DAVIS (11C) - EXTRA HEAVY DUTY DIGGING CHAIN DRIVE LINE

Схема запчастей Case DAVIS - (11C) - EXTRA HEAVY DUTY DIGGING CHAIN DRIVE LINE
FIT
1:1
100%

Артикул

Название

Примечание

Количество

1

H757351

CHAIN (AG)

Chain ASA #60 (90 Pitches)

1шт.

2

B12509

DRAG LINK

Connector Link (#60)

1шт.

3

B12510

CHAIN LINK

Half Link (#60)

1шт.

4

H747386

DRIVE SPROCKET

Sprocket - Idler

1шт.

5

113-626

BOLT,Hex, 5/8" - 11 x 2-1/2", Gr 5

1шт.

6

195-541

WASHER,5/8", SAE

(5/8 - Flat)

2шт.

7

H114140

SPACER

1шт.

8

195-108

WASHER,5/8"

(5/8 Flat - Wrought)

1шт.

9

131-1130

LOCK NUT,5/8"-11, GA

Nut (5/8 NC Hex - Lock)

1шт.

10

H342899

SPROCKET ASSY.

Sprocket - Drive

1шт.

11

83-46

SET SCREW,Hex Soc, 1/4"-20 x 3/8"

(1/4 x 3/8 NC Cone Point)

2шт.

12

T13450

KEY

(1/4 Sq x 1 1/4)

1шт.

13

H628628

DRIVE SPROCKET

Sprocket - Driven (50 Teeth)

1шт.

14

131-1034

BEARING LOCK NUT,Bearing, 1.1811" Bore

Nut - lock

1шт.

15

192-306

LOCK WASHER,Type W-06

Washer - Lock

1шт.

16

H109421

LEVER

Casting - Cylinder Attaching

1шт.

17

H33746

SET SCREW,1/2" - 20 x 2 1/4"

- Special Cap

2шт.

18

129-165

JAM NUT,Jam, 1/2"-20, G5

2шт.

19

T17079

CUP

Cone - Bearing

1шт.

20

H633230

CASTING

Arm - Boom Pivot

1шт.

21

B12408

BEARING CUP,59.156 mm OD x 11.862 mm

Cup - Bearing

2шт.

22

H91025

RETAINER

Ring - Retaining

1шт.

23

B12409

BEARING, ROLLER,31.763 mm ID x 16.84 mm

Cone - Bearing

1шт.

24

H628602

BOOM

Pivot - Boom

1шт.

25

H748111

NEEDLE BEARING,Needle, 50.8mm ID x 65.17mm OD x 25.4mm W

Bearing - Needle

2шт.

26

H749085

SEAL

Grease Seal

1шт.

27

H53546

SEAL

Shield - Seal

1шт.

28

H148569

DRIVE SPROCKET

Sprocket - Split

1шт.

29

131-1133

NUT,3/8"-24, GC

Nit (3/8 NC Hex - Lock - Grade C)

8шт.

30

114-255

BOLT,Hex, 3/8" - 24 x 2-1/4", Gr 8

Hex, 3/8"-24 x 2 1/4", G8

8шт.

31

H333740

HUB CAP

Hub - Sprocket

1шт.

32

H353722

COLLAR CLAMP

Collar - Hub Retaining

1шт.

33

113-2702

BOLT,Hex, 3/4" - 10 x 6", Gr 8

HHCS (3/4 x 6 NC - Grade 8)

2шт.

34

131-1152

LOCK NUT,3/4"-10, GC

NUT, LOCK, 3/4"-10, GC

2шт.

35

113-798

BOLT,Hex, 3/4" - 10 x 1-1/2", Gr 8

HHCS (3/4 x 1 1/2 NC - Grade 8)

2шт.

36

192-27

LOCK WASHER,3/4"

WASHER, LOCK, 3/4"

2шт.

37

219-1

LUBE NIPPLE,1/8" - 27 NPTF

Grease Fitting

1шт.

38

H33290

KEY

(1/4 Sq x 2 1/4)

1шт.

39

H70045

KEY

(3/8 Sq x 1 3/4)

3шт.

40

H520411

SHAFT

Asm - Drive

1шт.

41

H502526

AUGER

Asm

1шт.

Holes should be 52.37 mm center to center where u-bolt goes through.

1шт.

42

H34439

U-BOLT

1шт.

U-bolt is 2-1/16 from center of threaded area to threaded area.

1шт.

43

131-1182

LOCK NUT,1/2"-13, GA

Nut (1/2 NC Hex - Lock)

2шт.

Выбрано товаров: 45