Запчасти Case L55 (28) - FRONT & REAR AXLE ASSEMBLIES

Схема запчастей Case L55 - (28) - FRONT & REAR AXLE ASSEMBLIES
FIT
1:1
100%

Артикул

Название

Примечание

Количество

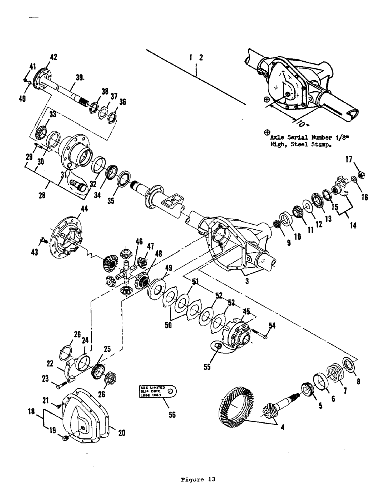
1

H567560

AXLE

ASM, front - includes hubs

1шт.

1

H567578

AXLE ASM, rear - includes hubs

1шт.

2

H596502

AXLE

limited slip, front - less hubs

1шт.

2

H596510

AXLE

limited slip, rear less hubs

1шт.

3

H596387

AXLE HOUSING, front includes ref. #22 & 23

1шт.

3

H596395

AXLE HOUSING, rear includes ref. #22 & 23

1шт.

4

GEAR & PINION ASM DRIVE

1шт.

Part not serviced individually - Includes in applicable service kit.

1шт.

5

H755124

CONE

BEARING CONE - inner pinion

1шт.

6

H755116

BEARING, CUP

BEARING CUP - inner pinion

1шт.

7

H224600

SHIM,.003" Thk

Drive pinion adjusting .003" Thk

1шт.

7

H224618

SHIM,.005" Thk

Drive pinion adjusting .005" Thk

1шт.

7

H224626

SHIM,.010" Thk

Drive pinion adjusting .010" Thk

1шт.

8

H224592

BAFFLE

- pinion brg

1шт.

9

H581744

SHIM KIT - pinion brg adjusting

1шт.

912708R1

SHIM,32.15mm ID x 41.27mm OD x 0.08mm Thk

service bulletin to 4-85 in george hicks book

2шт.

912709R1

SHIM,32.15mm ID x 41.27mm OD x 0.13mm Thk

service bulletin to 4-85 in george hicks book

2шт.

912710R1

SHIM,32.15mm ID x 41.27mm OD x 0.25mm Thk

service bulletin to 4-85 in george hicks book

8шт.

10

H747816

CUP

BEARING CUP - outer pinion bearing

1шт.

11

H747824

ROLLER BEARING,1.25" ID x 1.1563"

BEARING CONE - outer pinion bearing

1шт.

12

H224535

SHIELD

SLINGER - pinion brg outer

1шт.

13

H755157

SEAL

SEAL - pinion

1шт.

14

H224519

YOKE

END YOKE ASM

1шт.

15

H224527

SHIELD

DUST SHIELD

1шт.

16

H224501

WASHER

- pinion nut, 7/8 inch

1шт.

17

H224642

NUT

- pinion

1шт.

18

H224717

COVER ASSY

COVER ASM - carrier

1шт.

Up to axle serial no. 7-16-2B2.

1шт.

18

H275131

COVER

ASM - carrier

1шт.

Axle serial number 7-16-2B2 and up.

1шт.

19

H749648

PLUG

PIPE PLUG (3/4)

1шт.

20

H224725

GASKET

- carrier cover

1шт.

21

H227132

FLANGE BOLT

BOLT - carrier cover

10шт.

22

H275214

CAP

- differential brg included in ref #3

2шт.

23

H226548

SCREW

BOLT - differential brg cap - included in ref #3

4шт.

24

H755140

CUP

BEARING CUP - diff.

2шт.

25

H755132

BEARING

CONE - diff.

2шт.

26

H590174

KIT

SHIM KIT - diff. brg

1шт.

Ref. 26 SHIMS no longer in KIT, order H261271.1505 and H261289 .181

1шт.

28

H568170

HUB ASSY.

HUB ASM

2шт.

29

H214882

STUD

BOLT

6шт.

30

H754549

CUP ASSY.

BEARING CUP - outer

1шт.

31

H214908

BOLT

LUG BOLT

5шт.

32

H754523

BEARING, CUP

BEARING CUP - inner

1шт.

33

H754531

CONE

BEARING CONE - outer hub

2шт.

34

H754515

BEARING, CONE

BEARING CUP - inner hub

2шт.

35

H754556

SEAL

GREASE SEAL - hub

2шт.

36

H216283

NUT

- spindle, inner

12шт.

37

H216309

WASHER

LOCK WASHER - spindle nut

2шт.

38

H216317

NUT

- spindle, outer

2шт.

39

H224584

SHAFT

- axle flange drive

2шт.

40

H214890

ADAPTER

- stud nut

2шт.

41

H738179

NUT

(1/2 NF - lock)

12шт.

42

H217018

GASKET

- shaft, axle flanged drive

12шт.

43

H136416

FLANGE BOLT,Serr, 1/2" - 20 x 1.125", Gr 8

BOLT - drive gear

2шт.

44

FLANGED HALF - diff. case

1шт.

Part not serviced individually - Includes in applicable service kit.

1шт.

45

CAP HOLE - diff. case

1шт.

Part not serviced individually - Includes in applicable service kit.

1шт.

46

H224709

AXLE PIN

SHAFT - diff.

2шт.

47

PINION - diff.

4шт.

Part not serviced individually - Includes in applicable service kit.

1шт.

48

GEAR - diff.

2шт.

Part not serviced individually - Includes in applicable service kit.

1шт.

49

H224683

RING

- diff. gear

2шт.

50

PLATE - diff.

4шт.

Part not serviced individually - Includes in applicable service kit.

1шт.

51

DISC - diff.

2шт.

Part not serviced individually - Includes in applicable service kit.

1шт.

52

DISC - diff. (Dished)

2шт.

Part not serviced individually - Includes in applicable service kit.

1шт.

53

PLATE - diff. (Dished)

4шт.

Part not serviced individually - Includes in applicable service kit.

1шт.

54

H272666

BOLT (SPREADER)

BOLT - diff. case

8шт.

Up to axle serial no. 7-16-2B2.

1шт.

54

H275172

BOLT

- diff. case

8шт.

Axle serial number 7-16-2B2 and up.

1шт.

55

H275164

STUD

ADAPTER STUD

8шт.

Axle serial number 7-16-2B2 and up.

1шт.

56

H226571

TAG

- lube, limited slip diff.

1шт.

H596478

GEAR-SET

DIFFERENTIAL ASM (Includes ref. #4, 17, 43, 44, 45, 46, 47, 48, 49, 50, 51, 52, 53, 54 & 55)

1шт.

H596486

CASE

ASM - diff. includes ref. #44, 45, 46, 47, 48, 49, 50, 51, 52, 53, 54 & 55.

1шт.

H604132

GEAR WHEEL

KIT - case asm includes ref. #46, 47, 48, 49, 50, 51, 52 & 53.

1шт.

H596494

CARRIER

CASE SUB-ASM - diff. includes ref. #44, 45, 54 & 55.

1шт.

H224675

DISC

KIT - diff. disc & plate includes ref. #50, 51, 52 & 53.

1шт.

H224691

GEAR

KIT - diff. gear & pinion includes ref. #47 & 48.

1шт.

H224634

GEAR WHEEL

GEAR & PINION ASM - drive includes ref. #4 & 17.

1шт.

Refer to Axle Tube, Flange shown is Part H567537

1шт.

Выбрано товаров: 88