Запчасти Case L55 (34) - PTO CIRCUIT - T-70 TRENCHER ATTACHMENT, SPEC. # 7055-3001 TO 7055-3067

Схема запчастей Case L55 - (34) - PTO CIRCUIT - T-70 TRENCHER ATTACHMENT, SPEC. # 7055-3001 TO 7055-3067
FIT
1:1
100%

Артикул

Название

Примечание

Количество

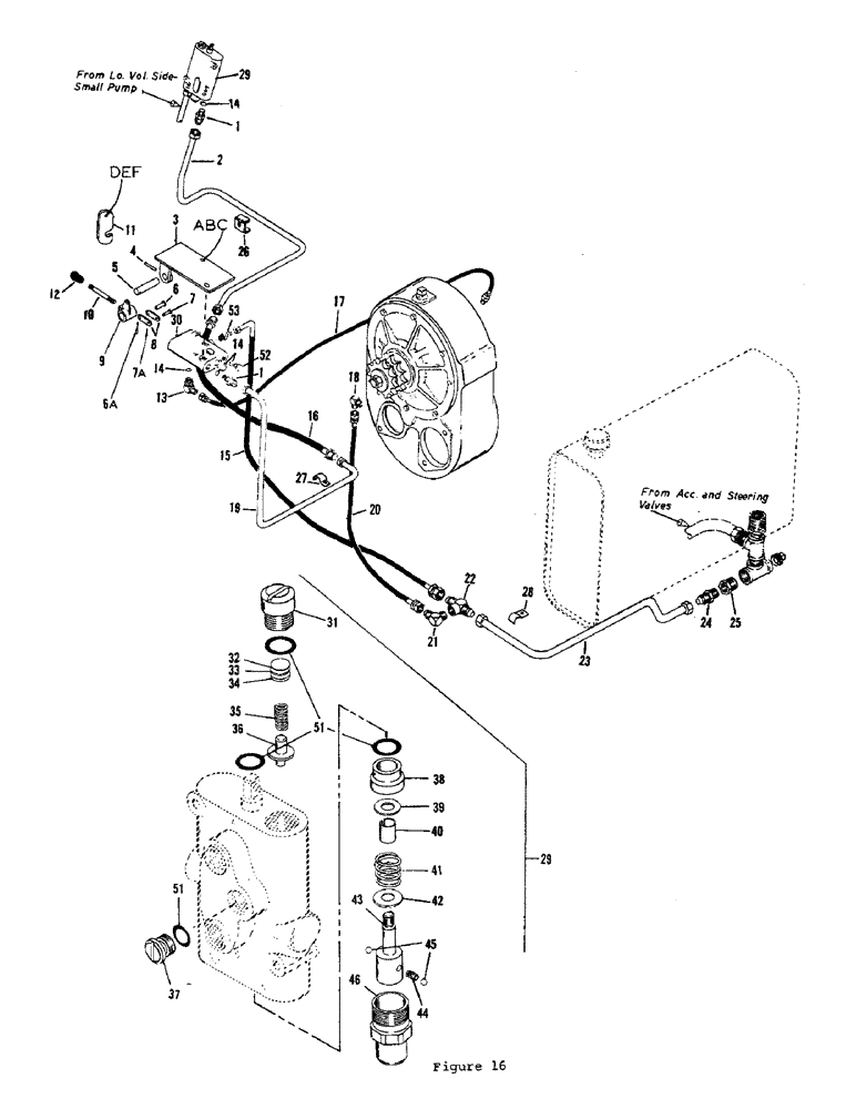
1

86509028

HYD CONNECTOR,3/4" - 16 JIC x 9/16" - 18 ORB

ADAPTER - straight

3шт.

2

H568709

TUBE - steering valve to PTO valve 0.5" OD

1шт.

3

H567792

VALVE MOUNTING PLATE

1шт.

4

H741991

PIN

ROLL PIN (3/16 x 1)

1шт.

5

H215509

LEVER PIN

1шт.

6

H174771

CLEVIS PIN

(1/4 x 1)

1шт.

6a

H739771

HARDWARE

COTTER PIN (3/32 x 3/4)

1шт.

7

H35279

AXLE PIN,4.72mm OD x 23.76mm L

CLEVIS PIN (3/16 x 57/64)

1шт.

7a

H739623

PIN

COTTER PIN (1/16 x 1/2)

1шт.

8

H212068

VALVE LINK

2шт.

9

H275255

CRANK LEVER

LEVER CASTING

1шт.

10

H242701

HANDLE

LEVER

1шт.

11

H223560

LOCK

SAFETY LOCK - PTO lock

1шт.

12

H182121

KNOB

1шт.

13

H165068

ADAPTER

- 90 degrees

1шт.

14

H745158

O-RING

O RING

4шт.

15

H225573

HOSE (1/2 x 42) 3/4 JIC Fe. Sw. & 7/8 JIC Fe. Sw. ends

1шт.

16

H202168

HOSE ASSY.

HOSE (3/8 x 26) 3/4 JIC M ends

1шт.

17

H218818

FLEXIBLE HOSE

HOSE (1/4 x 26) 1/4 MP & 9/16 JIC Fe. Sw. ends

1шт.

18

578384

90 ELBOW,90 Degree, 9/16"-18, 37 Degree x 1/4"-18, NPTF

90°, 9/16"-18, 37° x 1/4"-18, NPTF

1шт.

19

H568717

TUBE,0.5" OD x 12.5" L

ASSEMBLY

1шт.

20

H212886

HOSE (3/8 x 22) 9/16 JIC Fe. Sw. ends

1шт.

21

H190082

ADAPTER

- 90 degrees

1шт.

22

H185389

FITTING

TEE

1шт.

23

H568741

TUBE ASSEMBLY 0.625" OD

1шт.

24

H168831

ADAPTER

- straight

1шт.

25

H753970

BUSHING

(3/4" to 1" pipe)

1шт.

26

H45468

CLAMP

1шт.

27

H98897

CLAMP

1шт.

28

H51763

CLAMP

1шт.

29

H567750

VALVE

STEERING CONTROL VALVE - See figure 30 for parts list

1шт.

30

H567768

PTO CONTROL VALVE (serial no., Serial Range: 3001-3067)

1шт.

31

H229195

PLUG

(Includes o ring)

1шт.

32

H77990

SHIM

(.015)

1шт.

33

H746180

SHIM

(.010)

1шт.

34

H220798

SHIM,.035" Thk

1шт.

35

H78006

VALVE SPRING

SPRING

1шт.

36

H220962

SPOOL

POPPET

1шт.

37

H570218

PLUG (Includes o ring)

1шт.

38

H220756

BUSHING

1шт.

39

H220806

WASHER

1шт.

40

H220749

SPACER

1шт.

41

H220764

SPRING

1шт.

42

H220947

WASHER

1шт.

43

H220400

DETENT SCREW

1шт.

44

H220954

DETENT SPRING

1шт.

45

H755306

BALL

DETENT BALL

2шт.

46

H580035

CYLINDER END CAP

DETENT CAP

1шт.

51

H570382

SEAL ASSY.

SEAL REPAIR KIT

1шт.

52

H96719

PLUG

(Includes o ring)

1шт.

53

H112573

ADAPTER

1шт.

a

H709196

BOLT

HHCS (1/4 x 2-1/2 NC)

2шт.

b

H738443

WASHER

FLAT WASHER (1/4)

2шт.

c

H737999

LOCK NUT

NUT (1/4 NC - lock)

2шт.

d

H750398

RHCS (10-24 x 3/4)

1шт.

e

H739185

WASHER

LOCK WASHER (#10)

1шт.

f

H735761

NUT

(10-24)

2шт.

Выбрано товаров: 57