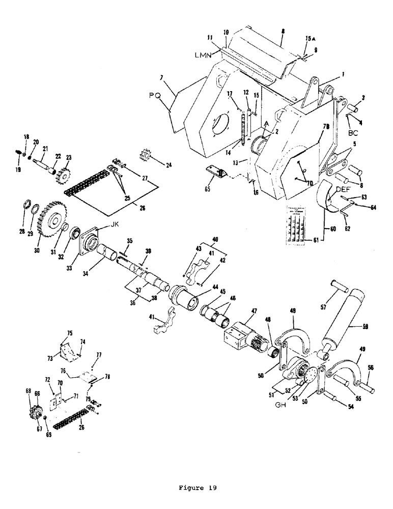
Запчасти Case L55 (40) - T-70 TRENCHER DIGGING CHAIN DRIVE

Схема запчастей Case L55 - (40) - T-70 TRENCHER DIGGING CHAIN DRIVE
FIT
1:1
100%

Артикул

Название

Примечание

Количество

1

H566315

BOOM SUPPORT ASM

1шт.

2

H36905

BUSHING

BRONZE BEARING

1шт.

3

H224360

PIN (1-1/2 x 3-1/2 hdls)

2шт.

4

H36509

AXLE PIN

PIN RETAINER

2шт.

5

H211433

LINK - lower mounting

4шт.

6

H210658

AXLE PIN

PIN - lower mounting

4шт.

7

H215301

COVER, boom support - R

1шт.

7b

H570689

COVER ASM, boom support - L

1шт.

7d

H123208

NUT

WELD NUT

2шт.

8

H568550

DEFLECTOR

DIRT DEFLECTOR

1шт.

9

H126102

AXLE PIN

PIN (3/8 x 2-7/8)

2шт.

10

H217125

FLAP

DIRT FLAP

1шт.

11

H217133

PLATE, dirt flap

1шт.

12

H68577

TUBE,10" L

1шт.

13

H216762

TUBE,0.493" ID x 0.675" OD

LIFT TUBE

1шт.

14

H32946

VALVE SPRING

LIFT SPRING

1шт.

15

H31971

CLEVIS COUPLING

PIN (3/8 x 2-1/4)

1шт.

15a

H740092

X

COTTER PIN (5/32 x 3/4)

4шт.

16

H32284

AXLE PIN

PIN (3/8 x 1-3/4)

1шт.

17

H92015

AXLE PIN

PIN (3/8 x 1-1/4)

1шт.

18

H755819

NUT

- stop

1шт.

19

H745299

FITTING

GREASE FITTING

1шт.

20

H738518

WASHER

FLAT WASHER (3/4)

1шт.

21

H37747

SHAFT

IDLER SPROCKET SHAFT

1шт.

22

H748103

NEEDLE BEARING

BEARING - idler sprocket

1шт.

23

H37754

DRIVE SPROCKET

IDLER SPROCKET

1шт.

24

H418590

DRIVE SPROCKET

SPROCKET - driver (replaces H45054)

1шт.

25

H748350

DRAG LINK

HALF LINK (replaces H227850)

1шт.

25a

H234195

AXLE PIN

KEEPER PIN

1шт.

26

H754911

CHAIN (AG)

DRIVE CHAIN (124 pitches)

1шт.

Wisconsin powered units up to spec. no. 7055-3320.

1шт.

26

H755637

CHAIN (AG)

BOOM DRIVE CHAIN (126 pitch)

1шт.

Wisconsin powered units - spec. no. 7055-3320 & up.

1шт.

26

H755744

CHAIN (AG)

BOOM DRIVE CHAIN (128 pitch)

1шт.

Ford powered units.

1шт.

27

H750992

CONNECTOR, ELEC

CONNECTOR (replaces H227868)

1шт.

28

H748715

NUT

RETAINER NUT

1шт.

29

H748756

WASHER

LOCK WASHER

1шт.

30

H58693

DRIVE SPROCKET

SPROCKET - driven

1шт.

30a

H37010

SPROCKET high speed (36 tooth)

1шт.

31

H36996

SPACER

1шт.

32

H747170

BALL BEARING

BEARING

1шт.

33

H301473

BEARING

BLOCK

1шт.

34

H211383

SLEEVE CYLINDER

SPACER

1шт.

35

H37002

KEY

(1/2 sq. x 3)

1шт.

36

H567925

SHAFT

DRIVE SHAFT ASM

1шт.

37

H70268

BEARING

RACE & SEAL SEAT

1шт.

38

H748152

RING RACE

BEARING RACE

1шт.

39

H101196

KEY

(1/2 sq. x 4-7/8)

1шт.

40

H527226

SPLIT SPROCKET ASM (heavy duty)

1шт.

40

H573030

SPLIT SPROCKET ASM (extra heavy duty)

1шт.

41

H37168

DRIVE SPROCKET

SPLIT SPROCKET SET (3.075 pitch dia. heavy duty)

1шт.

41

H220509

DRIVE SPROCKET

SPLIT SPROCKET SET (3.250 pitch dia. extra heavy duty)

1шт.

42

H723262

BOLT

HHCS (3/8 x 1-3/4 NF grade 8)

10шт.

43

H746750

LOCK NUT

NUT (3/8 NF)

10шт.

44

H211367

HUB CAP

SPROCKET HUB

1шт.

45

H749093

OIL SEAL

GREASE SEAL

1шт.

46

H748137

NEEDLE BEARING

BEARING

2шт.

47

H77800

BOOM

PIVOT CASTING (for 3/4 boom mounting bolts)

1шт.

47

H281329

PIVOT ASSY.

BOOM PIVOT CASTING (for 1" boom mounting bolts)

1шт.

48

H748145

BEARING

1шт.

49

H213652

DRAG LINK

CURVED LINK

2шт.

50

H225250

DRAG LINK

STRAIGHT LINK

2шт.

51

H568683

BOOM CRANK CASTING

1шт.

52

H217190

BUSHING

1шт.

53

H37028

PLATE ASSY.

CAP PLATE

1шт.

54

H218271

PIN

STRAIGHT LINK

1шт.

55

H257048

PIN,28.5mm OD x 146.05mm L

cylinder rod end

1шт.

56

H218263

AXLE PIN

PIN, curved link

1шт.

56a

H740555

PIN, SPLIT (COTTER)

COTTER PIN (1/4 x 2)

1шт.

57

H218255

PIN

CYLINDER HD END

1шт.

57a

H740530

SPLIT PIN

COTTER PIN (1/4 x 1-5/8)

3шт.

59

H567701

CYLINDER BLOCK

BOOM LIFT CYLINDER (See figure 38 for parts list)

1шт.

59

H540872

CYLINDER

BOOM LIFT CYLINDER (See figure 38 for parts list)

1шт.

60

H570648

DEPTH INDICATOR BRACKET

1шт.

61

H221523

DECAL

DEPTH INDICATOR

1шт.

62

H570655

INDICATOR ARM

1шт.

63

H755090

NIPPLE, LUBE

NIPPLE (1/8 x 3-1/2 pipe)

1шт.

64

H745257

FITTING

GREASE FITTING

1шт.

65

H599936

BRACKET

LIFT HOOD TUBE MOUNTING BRKT

1шт.

66

H37754

DRIVE SPROCKET

SPROCKET - idler

1шт.

67

H748103

NEEDLE BEARING

BEARING - idler sprocket

1шт.

68

H37747

SHAFT

- idler sprocket

1шт.

69

H755819

NUT

- stop

1шт.

70

H242313

BRACKET - idler sprocket

1шт.

Ford powered units.

1шт.

71

H710640

X

HHCS (1/2 x 1-1/2 NC)

2шт.

Ford powered units.

1шт.

72

H738039

LOCK NUT

NUT (1/2 NC - lock)

2шт.

Ford powered units.

1шт.

73

H580217

BRACKET, boom drive chain rub block

1шт.

H583047

GUARD

for Case 207 and Ford Diesel

1шт.

74

H709865

BOLT

HHCS (3/8 x 1-1/4 NC)

2шт.

75

H738013

LOCK NUT

NUT (3/8 NC - lock)

2шт.

76

H241703

BLOCK - rub

1шт.

H245753

BLOCK

for Case 207 and Ford diesel

1шт.

77

H709469

X

HHCS (5/16 x 1-1/4 NC)

2шт.

78

H738468

WASHER

FLAT WASHER (3/8)

2шт.

79

230-4215

NUT,5/16"-18, GA

NUT (5/16 NC - lock)

2шт.

REFER TO ILLUSTRATION FIGURE LETTER G IS 165-22 AND LETTER H 192-18 11/7/96

1шт.

REFER TO ILLUSTRATION FIGURE LETTER J IS 131-1130 AND LETTER K IS 113-604 11/7/96

1шт.

Выбрано товаров: 101