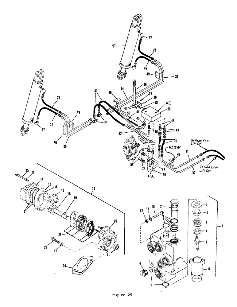
Запчасти Case L55 (52) - P-80 LINE-LAYER LEFT CIRCUIT, MOTOR CONTROL VALVE, & PUMP ASSEMBLIES

Схема запчастей Case L55 - (52) - P-80 LINE-LAYER LEFT CIRCUIT, MOTOR CONTROL VALVE, & PUMP ASSEMBLIES
FIT
1:1
100%

Артикул

Название

Примечание

Количество

1

H564146

MOTOR CONTROL VALVE ASM

1шт.

2

H124867

LOCK VALVE

RELIEF VALVE (2500 PSI includes o ring)

1шт.

3

H124826

PLUG (Includes o ring)

1шт.

4

H94425

WASHER

SPOOL WASHER

2шт.

5

H94433

VALVE SPRING

SPOOL SPRING

1шт.

6

H205070

RETAINER

O RING RETAINER

1шт.

7

H205054

SCREW,1/4" - 20 x 7/16"

DETENT SCREW

1шт.

8

H205062

CAP

DETENT CAP ASM (Includes detents & spring)

1шт.

9

H565721

SEAL

REPAIR KIT

1шт.

10

H709956

BOLT

HHCS (3/8" x 3-1/2" NC)

3шт.

11

H738468

WASHER

FLAT WASHER (3/8)

3шт.

12

H738013

LOCK NUT

NUT (3/8 NC - lock)

3шт.

13

H569384

PUMP

ASM (H026494 - 1/4 sq. x 3/4 key included) (H026492)

1шт.

14

H565820

BACK PLATE ASM

1шт.

15

H222703

BODY

1шт.

16

H755215

X

DOWEL PIN

1шт.

17

H570994

X

IDLER GEAR ASM

1шт.

18

H571000

DRIVE GEAR ASM

1шт.

19

H58016

KEY

(1/4" sq. x 3/4")

1шт.

20

H565796

COVER

FRONT PLATE ASM

1шт.

21

H565614

SEAL

REPAIR KIT

1шт.

22

H710632

BOLT

HHCS (1/2" x 1-1/4" NC) pump mtg

2шт.

23

H746107

GASKET

WASHER - copper crush (1/2)

2шт.

24

H238303

GASKET

GASKET - pump

1шт.

25

H138198

SCREW

12 POINT C.S. (3/8 x 2-3/4 NC)

4шт.

26

H101071

X

12 POINT C.S. (3/8 x 3 NC)

4шт.

27

H169763

FITTING

ADAPTER - 90 degrees

4шт.

28

H168625

HYDRAULIC HOSE,6.35 mm ID x 381.00 mm, SAE 100R1

6.35 mm ID x 381.00 mm

2шт.

29

H568873

3/8 TUBE ASM 0.375" OD

1шт.

30

H568865

3/8 TUBE ASM

1шт.

31

H165340

HYDRAULIC HOSE,6.35 mm ID x 304.80 mm, SAE 100R1

6.35 mm ID x 304.80 mm, SAE 100R1

2шт.

32

H213041

TEE

TUBE TEE

2шт.

33

H168625

HYDRAULIC HOSE,6.35 mm ID x 381.00 mm, SAE 100R1

6.35 mm ID x 381.00 mm

2шт.

34

H568857

3/8 TUBE ASSEMBLY 0.375" OD

1шт.

35

H568840

3/8 TUBE ASSEMBLY 0.375" OD

1шт.

36

H213181

HANDLE

1шт.

37

H174771

CLEVIS PIN

(1/4 x 1)

1шт.

38

H35279

AXLE PIN,4.72mm OD x 23.76mm L

CLEVIS PIN (3/16 x 57/64)

1шт.

39

H213421

ROD

ATTACH ROD

1шт.

40

H185066

DRAG LINK

LINK

2шт.

41

H568816

3/8 TUBE ASSEMBLY

1шт.

42

H568832

3/8 TUBE ASSEMBLY 0.625" OD

1шт.

43

86509028

HYD CONNECTOR,3/4" - 16 JIC x 9/16" - 18 ORB

ADAPTER - straight

4шт.

44

H745158

O-RING

O RING

6шт.

45

H165068

ADAPTER

- 90 degrees

1шт.

46

76350

HYD CONNECTOR,9/16" - 18 ORB x 9/16" - 18 JIC

CONNECTOR, HYD., 9/16"-18, 37º x 9/16"-18, O-Ring

1шт.

47

H568782

1/2 TUBE ASSEMBLY 0.5" OD

1шт.

47a

H250944

HOSE (3/8 x 12), Serial Range: valve-valve

2шт.

48

H568790

1/2 TUBE ASSEMBLY 0.5" OD

1шт.

49

H45468

CLAMP

TUBE CLAMP

3шт.

50

H219675

PLATE

- clamp riser

1шт.

51

H568691

3/8" TUBE ASSEMBLY 0.375" OD x 10, 6.5" L

1шт.

52

H568675

3/8" TUBE ASSEMBLY 0.375" OD

1шт.

53

H112573

ADAPTER

- straight

2шт.

Not required with hose

1шт.

54

H745166

O-RING

O RING

2шт.

55

H218792

HOSE ASSY.

HOSE (3/8 x 15) 9/16 JIC M & 3/4 JIC Fe Sw ends

2шт.

56

H594887

VALVE

SELECTOR VALVE

1шт.

57

H565655

CYLINDER BLOCK

LINE-LAYER LIFT CYLINDER - See Figure 54 for parts list

2шт.

a

H709915

BOLT

HHCS (3/8 x 2-1/2 NC)

2шт.

b

H709451

BOLT (SPREADER)

HHCS (5/16 x 1 NC)

1шт.

c

H709477

BOLT

HHCS (5/16 x 1-1/2 NC)

4шт.

d

H709493

BOLT

HHCS (5/16 x 2 NC)

2шт.

e

H738013

LOCK NUT

NUT (3/8 NC - lock)

2шт.

f

230-4215

NUT,5/16"-18, GA

NUT (5/16 NC - lock)

7шт.

Выбрано товаров: 65