Запчасти Case L55 (56) - P-80 LINE-LAYER GEAR CASE ASSEMBLY

Схема запчастей Case L55 - (56) - P-80 LINE-LAYER GEAR CASE ASSEMBLY
FIT
1:1
100%

Артикул

Название

Примечание

Количество

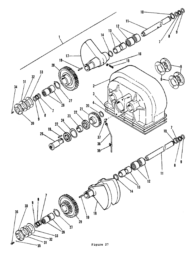
1

H563619

BOX

GEAR CASE ASSEMBLY

1шт.

2

H205559

CASE

GEAR CASE

1шт.

3

H189910

GASKET

1шт.

4

H202176

LARGE PLATE

COVER PLATE

1шт.

5

H189811

BEARING CAP

2шт.

6

H189852

GASKET

2шт.

7

H189845

WASHER

THRUST WASHER

4шт.

8

H753178

BEARING

4шт.

9

H189837

WASHER

THRUST WASHER (.095)

1шт.

9

H189845

WASHER

THRUST WASHER (.032)

1шт.

10

H746560

RING, SNAP

SNAP RING

2шт.

11

H189761

SHAFT

2шт.

12

H753152

NEEDLE BEARING

BEARING

4шт.

13

H753160

BEARING CUP

BEARING RACE

4шт.

14

H189803

SPACER

2шт.

15

H753202

SET SCREW

SET SCRE (1/2 x 2 NC - dog point)

2шт.

16

86632558

JAM NUT,Jam, 1/2"-13, G5

NUT (1/2" NC jam)

2шт.

17

H189506

WEIGHT

COUNTERWEIGHT

1шт.

18

H189514

WEIGHT

COUNTERWEIGHT

1шт.

19

H36384

KEY

(1/4" sq. x 1-3/8")

3шт.

20

H746560

RING, SNAP

SNAP RING

1шт.

21

H189787

GEAR

DRIVE GEAR

1шт.

22

H753194

BEARING

2шт.

23

H189795

SPACER

1шт.

24

H753186

RING, SNAP

SNAP RING

1шт.

25

H205567

SHAFT

DRIVE SHAFT

1шт.

26

H189746

GEAR WHEEL

COUNTERWEIGHT GEAR

1шт.

27

H746636

RING, SNAP

SNAP RING

2шт.

28

H753145

NEEDLE BEARING

BEARING

4шт.

29

H189753

GEAR

COUNTERWEIGHT GEAR

1шт.

30

H189829

CAP

BEARING CAP

2шт.

31

H189860

GASKET

2шт.

32

H189878

SHIM,.005" Thk

1шт.

33

H189886

SHIM,.015" Thk

1шт.

34

H745299

FITTING

GREASE FITTING

4шт.

35

H739201

WASHER

LOCK WASHER

16шт.

36

H709451

BOLT (SPREADER)

BOLT (5/16" x 1" NC)

16шт.

37

REFERENCE

SPARE PART

ELBOW (90 degrees)

1шт.

38

H546275

TUBE,0.25" OD x 18" L

OIL RELIEF TUBE

1шт.

39

H151753

CLAMP

TUBE CLAMP

1шт.

Выбрано товаров: 40