Запчасти Case L55 (08) - INSTRUMENTS, ENGINE CONTROLS & ACCESSORIES - WISCONSIN ENGINE

Схема запчастей Case L55 - (08) - INSTRUMENTS, ENGINE CONTROLS & ACCESSORIES - WISCONSIN ENGINE
FIT
1:1
100%

Артикул

Название

Примечание

Количество

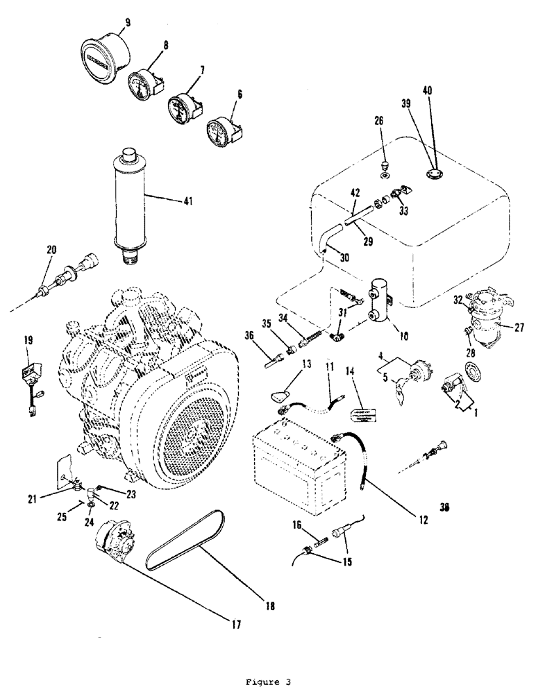
1

H516872

LIGHT

SPARE PART WARNING LIGHT - oil temperature

1шт.

2

H603852

LIGHT

WARNING LIGHT LESS TERMINALS - oil temperature

1шт.

3

H81943

DECAL

WARNING DECAL - oil temperature

1шт.

4

H71498

SWITCH

SWITCH & KEYS

1шт.

5

H95570

KEY

SPARE PART KEYS - set of two with ring

1шт.

6

H72603

AMMETER

AMMETER

1шт.

7

GAUGE - pressure

1шт.

Obtain these parts & all other engine parts from your local authorized Wisconsin Engine Dealer. When ordering parts, be sure to state serial no., model and specification. The serial plate is located near the top of the flywheel shroud.

1шт.

8

H142794

ELECTRICAL GAUGE

GAUGE - fuel level

1шт.

9

H129957

HOURMETER

HOUR METER

1шт.

10

H576595

PUMP

FUEL PUMP (Bendix), with Bendix fuel pump.

1шт.

11

H185306

CABLE PULLING GRIP

SPARE PART BATTERY CABLE - negative

1шт.

12

H173781

CABLE

BATTERY CABLE - positive

1шт.

13

H102681

COVER ASSY

BATTERY TERMINAL COVER

2шт.

14

H198457

TAG

GROUND CABLE TAG

1шт.

15

H576173

FUSE CARTRIDGE

FUSE HOLDER

2шт.

16

H233718

SPARE PART

FUSE - 30 AMP

2шт.

17

H527259

ALTERNATOR

ALTERNATOR ASSEMBLY

1шт.

17

103799A1R

REMAN-ALTERNATOR

Remanufactured 12 VOLT, 63 AMP Alternator

1шт.

17

103799A1C

CORE-ALTERNATOR

Return Number, 12 VOLT, 63 AMP Alternator

1шт.

17

H107508

SHEAVE

PULLEY

1шт.

18

H231472

BELT

ALTERNATOR DRIVE BELT

1шт.

19

H107516

GOVERNOR

VOLTAGE REGULATOR

1шт.

20

H580936

CABLE

SPARE PART THROTTLE CONTROL

1шт.

21

H245217

SPARE PART WIRE STOP - throttle

1шт.

22

H245779

SPARE PART SWIVEL - throttle control

1шт.

23

H752295

SPARE PART RHCS (8-32 x 1/4)

1шт.

24

H738443

WASHER

FLAT WASHER (1/4")

1шт.

25

H739623

PIN

COTTER PIN (1/16 x 1/2)

1шт.

26

H749606

SPARE PART PIPE PLUG

1шт.

27

H563197

PUMP

FUEL PUMP (Stuart - Warner), With Stuart - Warner fuel pump.

1шт.

28

H133389

ELBOW UNION

Union Elbow ADAPTER, With Stuart - Warner fuel pump.

1шт.

29

H216879

SPARE PART FUEL LINE (5/16 x 28), With Stuart - Warner fuel pump.

1шт.

30

H229013

SPARE PART FUEL LINE COVER 0.375" ID x 0.5" OD x 28" L

1шт.

31

H52332

FITTING - 90 degrees, With Stuart - Warner fuel pump.

1шт.

32

H749812

PLUG

BUSHING (1/4 x 1/8 NPT)

1шт.

33

H133389

ELBOW UNION

Union Elbow ADAPTER

1шт.

34

H50302

LINE

SPARE PART SHIELDED FUEL LINE

1шт.

35

H216838

COUPLING

FITTING

1шт.

36

H568436

SPARE PART FUEL LINE

1шт.

37

H52332

FITTING - 90 degrees

1шт.

38

H501916

CABLE

CHOKE CONTROL

1шт.

39

H142778

ELECTRICAL GAUGE

FUEL LEVEL SENDER

1шт.

40

H142786

SPARE PART GASKET - fuel level sender

1шт.

41

H213215

MUFFLER

MUFFLER

1шт.

41

H224378

CYLINDER END CAP

CAP rain

1шт.

42

H292870

FUEL LINE (5/16 x 30), with Bendix fuel pump.

1шт.

H516971

SPARE PART TANK fuel

1шт.

Выбрано товаров: 48