Запчасти Case N63 (26) - LINE-LAYER ATTACHMENT

Схема запчастей Case N63 - (26) - LINE-LAYER ATTACHMENT
31
20
12
11
15
14
14
25
19
23
14
12
24
13
8
12
22
5
30
2
28
14
14
10
5
21
28
5
13
30
13
12
1
12
26
6
17
10
27
15
25
13
9
12
11
18
15
10
14
3
30
13
4
9
13
15
7
15
16
29
28
FIT
1:1
100%

Артикул

Название

Примечание

Количество

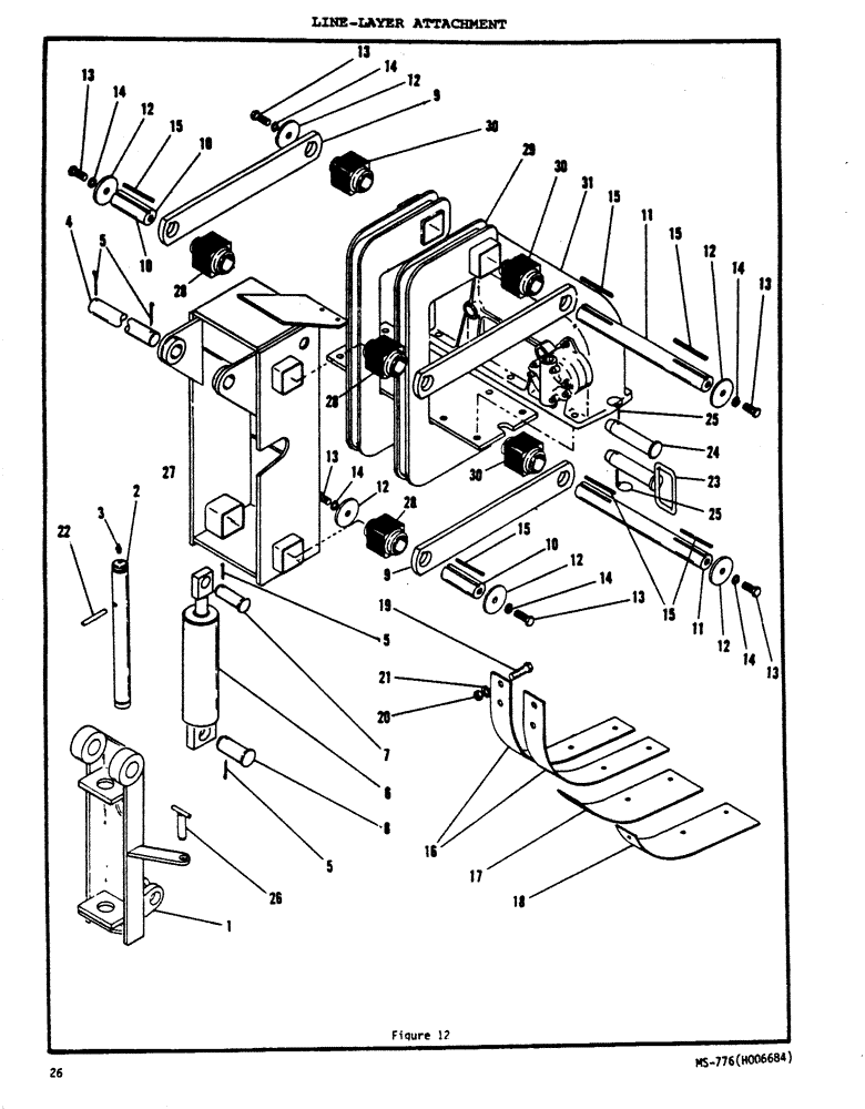
1

H614180

FRAME

Pivot Frame

1шт.

2

H241133

AXLE PIN

Pivot Pin

1шт.

3

H745257

FITTING

Grease Fitting

2шт.

4

H241406

PIN

Lift Hinge Pin

1шт.

5

H740548

PIN

Cotter Pin (1/4" x 1 3/4")

5шт.

6

H504076

CYLINDER BLOCK

Lift Cylinder Asm (See Figure 37)

1шт.

7

H143974

CLEVIS COUPLING

Pin (1" x 2 7/8")

1шт.

8

H126052

CLEVIS

Pin (1 1/8" x 2 15/16")

1шт.

9

H187583

ARM

Parallel Arm

4шт.

10

H190181

SHAFT

- Short

4шт.

11

H241398

SHAFT

- Long

2шт.

12

H165720

WASHER

Spacer

12шт.

13

H710624

X

HHCS (1/2" x 1" NC)

12шт.

14

H739235

WASHER

Lock Washer (1/2")

12шт.

15

H393785

KEY

(3/16" Sq. x 3 3/4")

8шт.

16

H241141

SPRING

Shoe Spring

2шт.

17

H116004

SHOE (ASSY)

Spring Shoe - Right

1шт.

18

H116012

SHOE (ASSY)

Spring Shoe - Left

1шт.

19

H710632

BOLT

HHCS (1/2" x 1 1/4" NC)

4шт.

20

H738039

LOCK NUT

Nut (1/2" NC - Lock)

4шт.

21

H738484

WASHER

Flat Washer (1/2")

4шт.

22

H742841

PIN

Roll Pin (3/8" x 2 1/4")

1шт.

23

H531830

AXLE PIN

Loop Pin

1шт.

24

H79293

AXLE PIN,28.5mm OD x 128.59mm L

Pin (1 1/8" x 4 7/8")

1шт.

25

H32367

PIN

Klik Pin (1/4")

1шт.

26

H582585

LOCK

Swing Lock Pin

1шт.

27

H634964

FRAME

Lift Frame & Rubber Mount Asm

1шт.

28

H235077

BUSHING

Rubber Mount

4шт.

29

H579847

BLADE

Mounting & Rubber Mount Asm

1шт.

30

H235077

BUSHING

Rubber Mount

4шт.

31

H530204

GEAR WHEEL

Gear Case Asm - w/o Motor (See Figure 28)

1шт.

a

H734400

BOLT

FHCS (3/8" x 1" NF)

6шт.

b

H746750

LOCK NUT

Nut (3/8" NF - Lock)

6шт.

Выбрано товаров: 0