Запчасти Case N63 (48) - HYDRA-BORER ATTACHMENT

Схема запчастей Case N63 - (48) - HYDRA-BORER ATTACHMENT
9
13
23
30
15
20
6
1
27
25
29
26
19
24
28
3
10
22
16
12
26
17
5
2
21
14
4
8
3
7
18
11
FIT
1:1
100%

Артикул

Название

Примечание

Количество

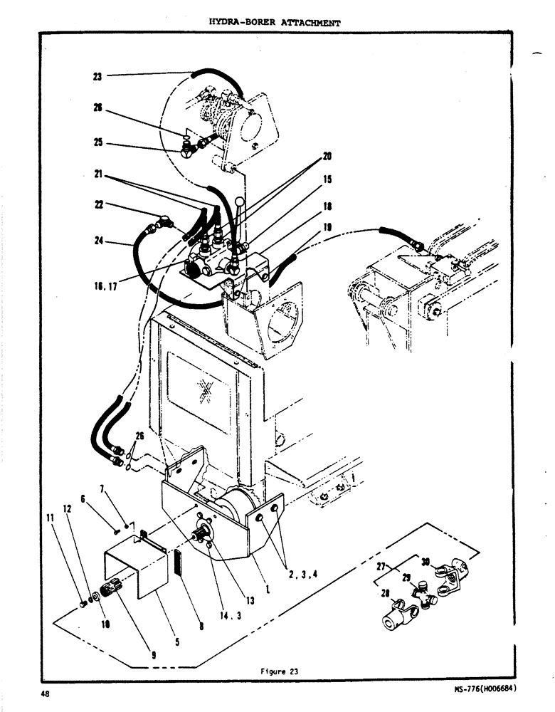
1

H616664

MOUNTING PARTS

Motor Mount Asm

1шт.

2

H710640

X

HHCS (1/2 x 1 1/2 NC)

4шт.

3

H738039

LOCK NUT

Nut (1/2" NC Hex - Lock)

8шт.

4

H738484

WASHER

(1/2" Flat)

4шт.

5

H616656

COVER

Asm

1шт.

6

H708933

HHCS (#10 x 1/4" NC)

2шт.

7

H755512

NUT

(#10-23 - Lock)

2шт.

8

H315903

Bumper

2шт.

9

H312314

ADAPTER

1шт.

10

H314054

RETAINER

- Adapter

1шт.

11

H715078

HHCS (1/2" x 3/4" NF)

1шт.

Ref.11 another cap screw 1/2 x 7/8 114-447.

1шт.

12

H739235

WASHER

(1/2" Lock)

1шт.

13

D58412

HYDRAULIC MOTOR

Hydra-Borer Motor Asm

1шт.

14

H710640

X

HHCS (1/2" x 1 1/2" NC)

4шт.

15

H618850

VALVE

Hydra-Borer Control Valve

1шт.

16

H709865

BOLT

HHCS (3/8 x 1 1/4 NC)

4шт.

17

H738013

LOCK NUT

Nut (3/8" NC Hex - Lock)

4шт.

18

H618629

BRACKET

Valve Mounting Bracket

1шт.

19

H709832

BOLT

HHCS (3/8" x 3/4" NC)

2шт.

20

H30742

ADAPTER

Connector (1/2" MP - 7/8 JIC M)

2шт.

21

H257113

HYDRAULIC HOSE,12.70 mm ID x 1600.20 mm, SAE 100R1

(7/8" ORB -7/8 JIC Fe. Sw.) 12.70 mm ID x 1600.20 mm, SAE 100R1

2шт.

22

277165

ELBOW,90 Degree, 7/8"-14, 37 Degree x 3/4"-14, NPTF

(3/4" MP - 7/8 JIC M)

2шт.

23

H203323

HOSE

(1/2" x 28" - 7/8" JIC Fe Sw)

1шт.

24

H249037

HOSE

(1/2" x 109" - 7/8" JIC Fe Sw)

1шт.

25

H31674

ADAPTER

Elbow (7/8 ORB - 7/8 JIC M)

1шт.

26

H745174

O-RING

O Ring

3шт.

27

H511113

JOINT

Universal Joint Asm

1шт.

28

H71159

YOKE

1шт.

29

H71167

JOURNAL

Asm

1шт.

30

H71142

YOKE

- Splined

1шт.

Ref. 30 Pin Retaining P/N H658179.

1шт.

Выбрано товаров: 32