Запчасти Case N63 (50) - HYDRA-BORER CONTROL VALVE, MOTOR

Схема запчастей Case N63 - (50) - HYDRA-BORER CONTROL VALVE, MOTOR
20
1
2
35
3
33
13
39
40
26
45
49
58
34
59
6
8
21
37
55
36
60
25
19
4
44
33
9
54
56
42
61
43
42
50
12
22
14
46
53
11
15
38
52
57
17
47
41
16
10
24
2
7
51
5
48
18
23
8
46
FIT
1:1
100%

Артикул

Название

Примечание

Количество

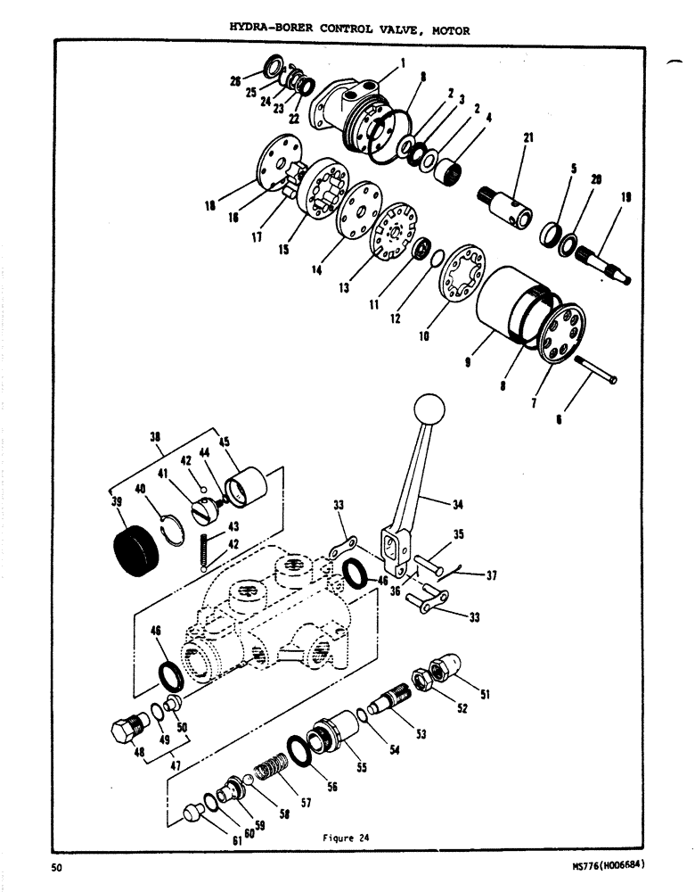
D58412

HYDRAULIC MOTOR

Motor - Hydraulic

1шт.

D59696

COVER

Asm - Mounting

1шт.

1

NSS

NOT SOLD SEPARAT

Housing - Cover

1шт.

2

D60861

WASHER

- Thrust

2шт.

3

D60860

THRUST BEARING,1.366" ID x 2.24" OD x 0.125"

Bearing - Thrust

1шт.

4

D60862

NEEDLE BEARING

Bearing - Needle- Long

1шт.

5

A32424

NEEDLE BEARING,1.875" ID x 2.2505" OD x 1"

Bearing - Needle - Short

1шт.

6

28-662

BOLT,Hex, 3/8" - 24 x 3-7/8", Gr 8

HHCS (3/8 x 3 7/8 NF)

7шт.

7

D60858

COVER

- End

1шт.

8

C18382

RING

Seal - O Ring, NSS

2шт.

Part of seal kit P/N C19037.

1шт.

9

C18092

SLEEVE

Housing - Center

1шт.

10

D60857

COMMUTATOR

Asm - Matched Set

1шт.

10

NSS

NOT SOLD SEPARAT

Ring - Commutator

1шт.

11

NSS

NOT SOLD SEPARAT

Commutator - Rotor

1шт.

12

NSS

NOT SOLD SEPARAT

Ring - Bonded

1шт.

Part of seal kit P/N C19037.

1шт.

13

D59700

TUBE ASSY.

Manifold - Motor

1шт.

14

C14832

PLATE

- Manifold

1шт.

C18110

ROTOR

Asm - Set

1шт.

15

NSS

NOT SOLD SEPARAT

Housing - Rotor

1шт.

16

NSS

NOT SOLD SEPARAT

Rotor

1шт.

17

NSS

NOT SOLD SEPARAT

Roller

7шт.

18

C14830

PLATE

e - Wear

1шт.

19

D59699

SHAFT

- Drive Link

1шт.

20

D59697

SHAFT

- Coupling

1шт.

21

D59698

THRUST BEARING,1.25" ID x 2.247" OD x 0.1094"

Bearing - Thrust

1шт.

22

NSS

NOT SOLD SEPARAT

Seal - Inner - Oil

1шт.

Part of seal kit P/N C19037.

1шт.

23

NSS

NOT SOLD SEPARAT

Shim - Seal

1шт.

Part of seal kit P/N C19037.

1шт.

24

NSS

NOT SOLD SEPARAT

Spacer - Seal

1шт.

Part of seal kit P/N C19037.

1шт.

25

NSS

NOT SOLD SEPARAT

Ring - Retaining

1шт.

Part of seal kit P/N C19037.

1шт.

26

NSS

NOT SOLD SEPARAT

Seal - Outer - Dirt

1шт.

Part of seal kit P/N C19037.

1шт.

C19037

SEAL

Kit - Seal, Includes Refs. 8, 12 and 22 - 26

1шт.

33

H620344

LINK

Asm

1шт.

34

D23722

HANDLE

1шт.

35

36627

SEAT

Pin (.247 x 1.25)

1шт.

36

132-5

COTTER PIN,1/16" x 1/2"

Pin, Split (Cotter), 1/16" x 1/2"

1шт.

37

132-13

PIN

(1/16 x 1 1/2 - Cotter)

1шт.

38

H620351

CAP ASSY.

Spool Positioner

1шт.

39

36645

CAP

- Bonnet

1шт.

40

H757625

SNAP RING,1.25, Int, #125

Ring, Snap, 1.25", Int, #125

1шт.

41

H325084

HOLDER

Holdr - Detent Ball

1шт.

42

211-7

BALL,1/4" Dia

detent (steel) 1/4" Dia

2шт.

43

H325092

SPRING

Detent Spring

1шт.

44

192-109

LOCK WASHER,1/4"

Washer ( Light - Lock) 1/4"

1шт.

45

H325100

SLEEVE

Detent Sleeve

1шт.

46

36642

SEAL

- Block V

2шт.

47

H620369

PLUG

Check Plug Asm

1шт.

48

H325118

PLUG

Check Plug

1шт.

49

D48359

O-RING,0.103" Thk x 0.549" ID, -113, Cl 6, 90 Duro

O Ring (9/16 x 3/4 x 3/32)

1шт.

50

D28576

VALVE POPPET

Popper

2шт.

51

129-877

NUT,Crown, 3/4"-10

Acorn Nut

1шт.

52

129-167

JAM NUT,Jam, 5/8"-18, G5

(5/8" NF Hex - Jam)

1шт.

53

34110

ADJUSTMENT SCREW

Adj Screw

1шт.

54

A29197

O-RING,0.424" ID x 0.63" OD x 0.103"

O Ring

1шт.

55

34113

BODY

- Valve

1шт.

56

34115

GASKET

1шт.

57

D24049

VALVE SPRING

Relief Spring

1шт.

58

211-13

BALL,1/2" Dia

- steel 1/2" Dia

1шт.

59

D28838

Relief Seat

1шт.

D28576

VALVE POPPET

Poppet

1шт.

60

218-5006

O-RING,0.087" Thk x 0.644" ID, -908, Cl 6, 90 Duro

O Ring

1шт.

Выбрано товаров: 67