Запчасти Case P-50 (04) - ATTACHING BRACKETS

Схема запчастей Case P-50 - (04) - ATTACHING BRACKETS
FIT
1:1
100%

Артикул

Название

Примечание

Количество

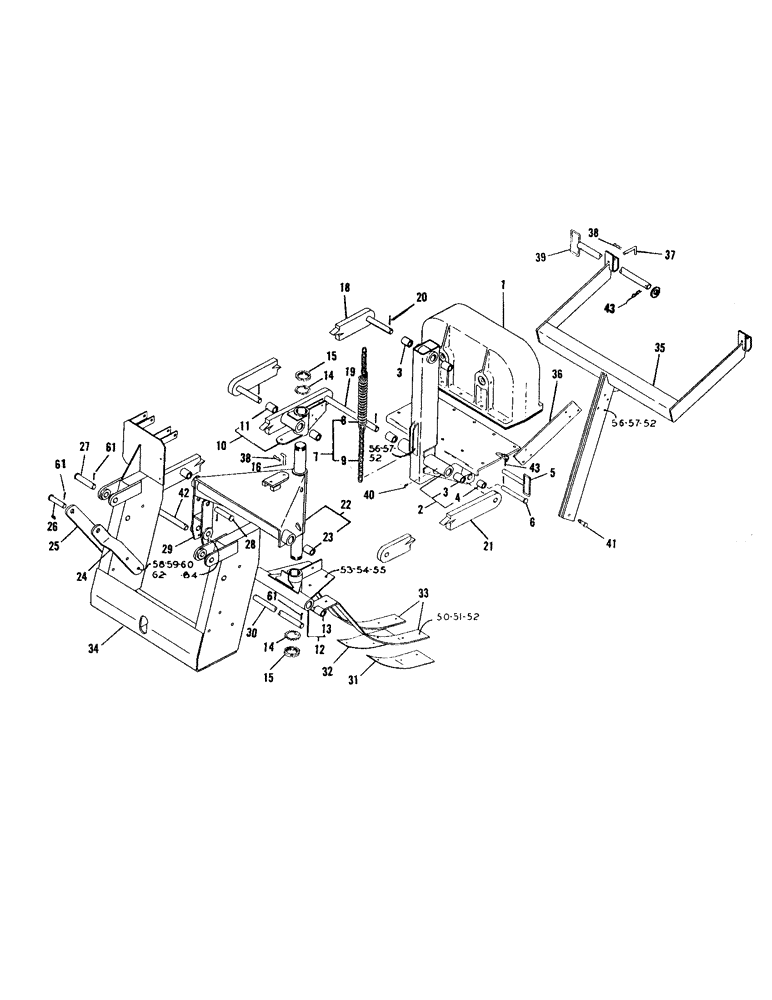
1

8H33-81001W

GEAR CASE ASSEMBLY

1шт.

2

8H33-81002W

GEAR CASE MOUNTING ASSEMBLY

1шт.

3

8H33-12785

BUSHING

4шт.

4

8H33-13110

BUSHING

4шт.

5

8H28-80529W

LOOP PIN

1шт.

6

8E11-7159

PIN

1шт.

7

8H33-81007W

SPRING AND CHAIN ASSEMBLY

1шт.

8

8H33-13971

SPRING

1шт.

9

8H33-13971

CHAIN

1шт.

10

8H33-80988W

UPPER PIVOT BEARING

1шт.

11

8H33-12785

BUSHING

2шт.

12

8H33-80989W

LOWER PIVOT BEARING ASSEMBLY

1шт.

13

8H33-12785

BUSHING

2шт.

14

1520-11

LOCKWASHER

2шт.

15

1519-11

BEARING NUT

2шт.

16

8D11-5090

PIN

1шт.

18

8H33-80992W

UPPER LINK

1шт.

19

8H33-80993W

LOWER LINK

1шт.

20

1026-1232

ROLL PIN

4шт.

21

8H33-12794

PARALLEL LINK

2шт.

22

8H33-80986W

TRUNNION ASSEMBLY

1шт.

23

8H33-12785

BUSHING

2шт.

24

8H33-12798

LOWER LINK - inside

2шт.

25

8H33-12797

LOWER LINK - outside

2шт.

26

8E6-7162

PIN, lower, Serial Range: link-trencher

2шт.

27

8H30-11497

PIN, upper, Serial Range: frame-trencher

2шт.

28

8E13-7062

PIN, frame to breakaway link

1шт.

29

8H33-81026W

BREAKAWAY LINK

1шт.

30

8H33-12846

HINGE PIN

1шт.

31

8H28-11601

SHOE - left

1шт.

32

8H28-11600

SHOE - right

1шт.

33

8H28-11602

SHOE SPRING

2шт.

34

8H33-80995W

ATTACHING FRAME ASSEMBLY

1шт.

35

8H33-80994W

REEL FRAME

1шт.

36

8H33-12792

REEL BRACE BAR

3шт.

37

8H28-11286

RETAINER PIN

2шт.

38

8B6-3229

HAIRPIN

2шт.

39

8H33-81029W

REEL SHAFT

1шт.

40

1065-1

GREASE FITTING

4шт.

41

1611-1020

BOLT (5/8" x 2" NC)

1шт.

42

8H30-11496

PIN, Serial Range: cyl.-link

1шт.

43

8B6-3236

KLIK PIN

1шт.

44

1605-221

FLAT WASHER (1-3/8" S.A.F.)

1шт.

50

1662-0610

BOLT (3/8" x 1" NF - flat - Allen hd.)

6шт.

51

1608-06

NUT - (3/8" NF - jam)

6шт.

52

1604-06

LOCKWASHER (3/8")

14шт.

53

1611-1014

BOLT (5/8" x 1-1/2" NC)

4шт.

54

1602-10

NUT (5/8" NC)

4шт.

55

1604-10

LOCKWASHER (5/8")

4шт.

56

1611-0614

BOLT (3/8" x 1-1/2" NC)

8шт.

57

1602-06

NUT (3/8" NF)

8шт.

58

1611-1240

BOLT (3/4" x 4" NC)

4шт.

59

1604-12

NUT (3/4" NC)

4шт.

60

1604-12

LOCKWASHER (3/4")

4шт.

61

1624-0820

SHEAR PIN

1шт.

62

8H33-13904

PIN, shear

1шт.

64

8H33-13904

COTTER PIN (1/8" x 5/8")

1шт.

Выбрано товаров: 57