Запчасти Case P-50 (08) - GEAR CASE, HYDRAULIC MOTORS, CONTROL VALVES

Схема запчастей Case P-50 - (08) - GEAR CASE, HYDRAULIC MOTORS, CONTROL VALVES
FIT
1:1
100%

Артикул

Название

Примечание

Количество

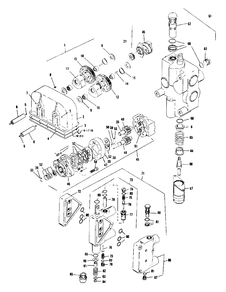
1

8H33-81001W

GEAR CASE ASSEMBLY

1шт.

Indicates 8H33-81131W gear case and motor assembly.

1шт.

2

8H33-12770

GEAR CASE

1шт.

3

8H33-12812

GASKET, gear case

1шт.

4

8H33-12813

COVER PLATE, gear case

1шт.

5

1065-1

GREASE FITTING

4шт.

6

8H33-12776

SHAFT, gear

2шт.

7

1091-606

SET SCREW (3/8" x 3/8" NC - cone point)

2шт.

8

8B6-2914

AIR BREATHER

1шт.

9

8H33-12777

WASHER, gear spacer

4шт.

10

1506-0002

BEARING

6шт.

11

8H33-12810

COUNTERWEIGHT

2шт.

12

8H33-13208

GEAR, driver

1шт.

13

8H33-13209

GEAR, driven

1шт.

14

8C8-3638

KEY (1/4" sq. x 1-3/8")

2шт.

15

1078-52

SNAP RING

2шт.

16

1611-0622

BOLT (5/8" x 2-1/4" NF)

10шт.

17

1602-10

NUT (5/8" NF)

10шт.

18

1604-10

LOCKWASHER (5/8")

10шт.

19

1611-0614

BOLT (3/8" x 1-1/2" NC)

2шт.

20

1604-06

LOCKWASHER (3/8")

2шт.

21

8H33-13234

GEAR, motor

1шт.

23

1078-14

SNAP RING

2шт.

39

1078-16

SNAP RING

2шт.

45

8H33-81006W

HYDRAULIC MOTOR (TF-700 only)

1шт.

46

8F16-10406

FRONT PLATE ASSEMBLY

1шт.

47

8H33-13545

BODY AND DOWEL ASSEMBLY

1шт.

48

8H33-13544

DRIVE GEAR ASSEMBLY

1шт.

49

8H33-13543

IDLER GEAR ASSEMBLY

1шт.

50

8B6-3328

KEY

1шт.

51

8H22-12434

BACK PLATE ASSEMBLY

1шт.

52

8F16-10412

SEAL REPAIR KIT

1шт.

53

1078-16

SNAP RING

2шт.

54

1611-0816

BOLT (1/2" x 1-3/4" NC)

2шт.

55

1604-08

LOCKWASHER

2шт.

61

8H33-81150W

MOTOR CONTROL VALVE ASSEMBLY

1шт.

62

8H33-13553

RELIEF VALVE ASSEMBLY - 2000 P.S.I. (Includes o ring)

1шт.

63

8H22-12482

PLUG ASSEMBLY - includes o ring

1шт.

64

8F16-9442

SPOOL WASHER

2шт.

65

8F16-9443

SPOOL SPRING

1шт.

66

8F16-9441

SPOOL SCREW

1шт.

67

8F16-9444

DETENT CAP ASSEMBLY

1шт.

68

8F16-13568

SEAL REPAIR KIT

1шт.

71

8H33-81149W

CYLINDER CONTROL VALVE

1шт.

72

8H33-13571

END PLATE

1шт.

73

8C8-269

SECTION ASSEMBLY

1шт.

74

8C8-9192

PLUG

1шт.

75

8B6-3241

SPRING, lockout

2шт.

76

8B6-3242

POPPET

2шт.

77

8B6-3240

SEAT, lockout

1шт.

78

8B6-3243

PLUNGER, lockout

1шт.

79

8B6-3238

PLUG

1шт.

80

1048-1

WASHER

1шт.

81

8C8-5726

SLEEVE, spool

1шт.

82

8C8-5725

SPRING, spool

1шт.

83

1048-2

WASHER

1шт.

84

1079-108

SNAP RING

1шт.

85

8C8-5723

CAP

1шт.

86

8H33-13572

PORT PLATE

1шт.

87

8H33-13573

PLUG (Includes o ring)

1шт.

88

8H33-13575

RELIEF VALVE (Includes o ring)

1шт.

89

8C8-72

SECTION SEAL KIT

1шт.

These three kits included in 8H33-13576 complete valve seal kit.

1шт.

90

8C8-273

BETWEEN SECTION SEAL KIT

1шт.

These three kits included in 8H33-13576 complete valve seal kit.

1шт.

91

8H33-13574

PORT PLATE SEAL KIT

1шт.

These three kits included in 8H33-13576 complete valve seal kit.

1шт.

Выбрано товаров: 0