Запчасти Case P-60 (08) - LINE-LAYER MOTOR ASSEMBLIES

Схема запчастей Case P-60 - (08) - LINE-LAYER MOTOR ASSEMBLIES
FIT
1:1
100%

Артикул

Название

Примечание

Количество

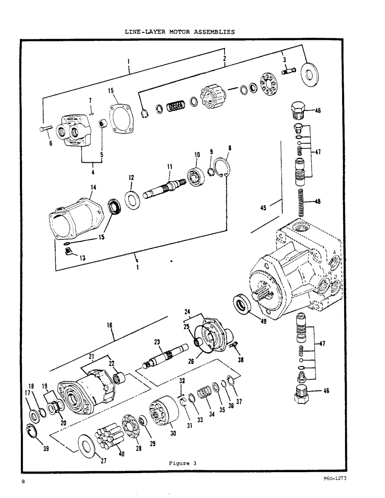
1

H575282

SPARE PART

Vickers Line Layer Motor Asm, Includes: Ref. 2 - 15

1шт.

2

H564336

KIT

Rotating Group Kit, Includes: Ref. 3

1шт.

3

H264952

Piston & Shoe Kit

1шт.

4

H564351

PLATE

Valve Plate Sub-Assembly, Includes: Ref. 5

1шт.

5

H205203

BEARING

1шт.

6

H205245

SCREW

4шт.

7

H205252

PIN

2шт.

8

A31078

SNAP RING,2.062", Int, #206

1шт.

9

H205369

RING, SNAP

Retainer Ring

1шт.

10

H205351

BEARING

1шт.

11

H207803

SHAFT

- Output

1шт.

12

H205336

WASHER

Spacer

1шт.

13

H198762

PLUG

1шт.

14

H263848

Housing

1шт.

15

H207811

GASKET KIT

Major Seal Kit

1шт.

16

H588434

MOTOR

Cessna Line Layer Motor Asm, Includes: Ref. 17 - 40

1шт.

17

H264093

SEAL

Shaft Seal

1шт.

18

Retaining Ring

1шт.

19

C13212

WASHER

Thrust Race

2шт.

20

T36441

THRUST BEARING,1.127" ID x 1.74" OD x 0.0781"

1шт.

21

H591487

Housing

1шт.

22

F60368

NEEDLE BEARING

Bearing, Includes: Ref. 23

1шт.

23

H263533

Drive Shaft

1шт.

24

H591495

Back Plate Asm, Includes: Ref. 25

1шт.

25

756338

TARPULIN

Bearing

1шт.

26

H756346

O-RING

O Ring

1шт.

27

H264085

RACE

Thrust Race

1шт.

28

H263541

PIVOT

1шт.

29

H263558

U-JOINT SPIDER

Spider

1шт.

30

H263525

Piston Block

1шт.

31

H263509

AXLE PIN

Pin Keeper

1шт.

32

H263517

PIN

Loading Pin

1шт.

33

H263491

WASHER

1шт.

34

H263582

Spring

1шт.

35

H263566

WASHER

1шт.

36

H263574

AXLE PIN

Lock Ring

1шт.

37

H746370

SNAP RING

Retainer Ring

1шт.

38

H709451

BOLT (SPREADER)

Cap Screw (5/16" x 1" - 12 Pt.)

6шт.

39

H756510

RETAINER

Retaining Ring

1шт.

40

H593665

Piston Asm (Set Of 9)

1шт.

45

H585463

MOTOR

Sunstrand Line Layer Motor Asm, Includes: Ref. 46 - 49

1шт.

The parts or kits for the H585463 Motor will be authorized individually or completely during the warranty period of the motor. Major H585463 motor repair will be handled on an exchange bases at a flat rate.

1шт.

46

H060525

Plug (Includes O Ring)

2шт.

47

H584276

VALVE

Acceleration Valve Asm

2шт.

48

H249607

SPRING

1шт.

49

H755892

SEAL ASSY.

Shaft Seal

1шт.

Выбрано товаров: 46