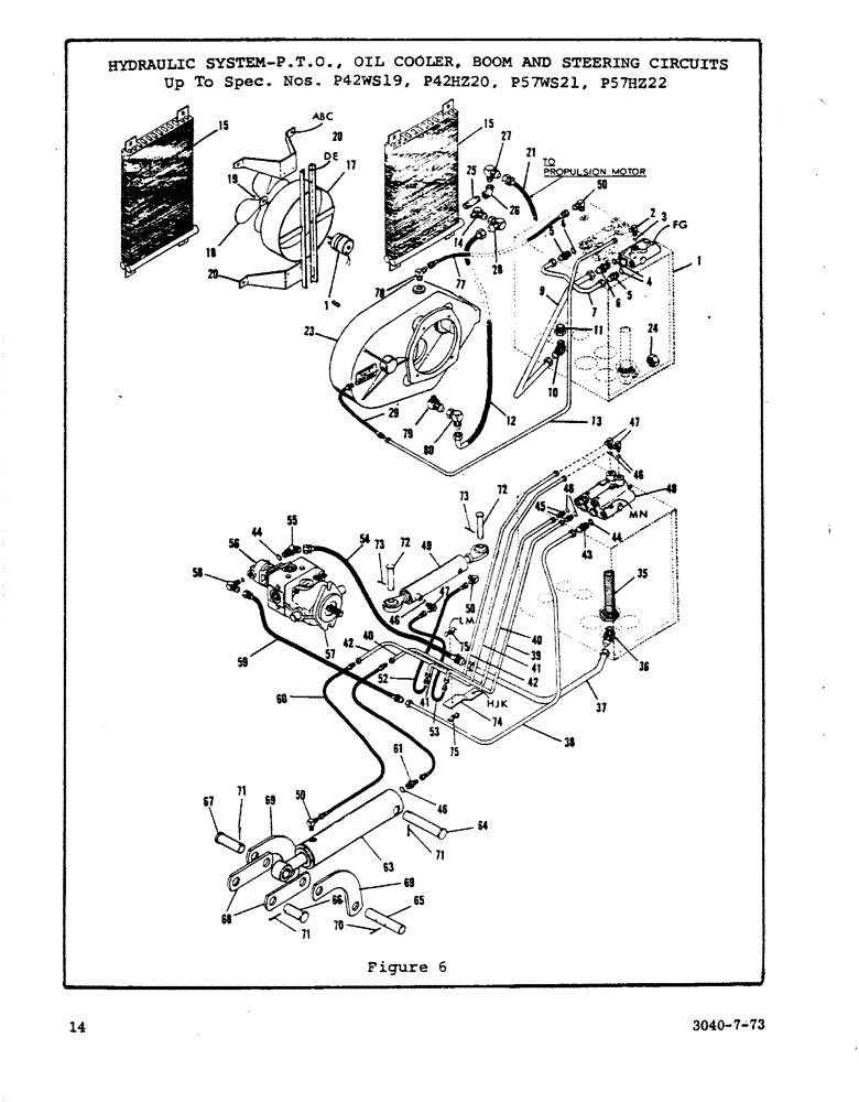
Запчасти Case P42 (14) - HYDRAULIC SYSTEM, P.T.O., OIL COOLER, BOOM AND STEERING CIRCUITS

Схема запчастей Case P42 - (14) - HYDRAULIC SYSTEM, P.T.O., OIL COOLER, BOOM AND STEERING CIRCUITS
59
72
72
50
36
50
43
15
39
24
63
77
61
9
71
6
78
23
48
50
18
29
46
20
74
25
5
19
37
3
64
4
65
10
41
41
46
73
67
79
26
20
11
2
57
27
13
44
21
54
48
15
4
70
42
71
45
40
12
68
47
75
52
69
17
73
5
46
80
60
28
46
14
69
66
49
47
71
53
35
1
42
7
38
75
1
FIT
1:1
100%

Артикул

Название

Примечание

Количество

1

H571968

VALVE

P.T.O. Control Valve (See Figure 26)

1шт.

2

H165068

ADAPTER

- 90 degrees

1шт.

3

H745158

O-RING

O Ring

1шт.

4

H745166

O-RING

O Ring

3шт.

5

86509028

HYD CONNECTOR,3/4" - 16 JIC x 9/16" - 18 ORB

Adapter - Straight

1шт.

6

H191742

ADAPTER

- Straight

1шт.

7

H592436

TUBE,0.5" OD

- Boom and Steering Valve to P.T.O. Valve

1шт.

9

H592451

TUBE,0.625" OD

- P.T.O. Valve to Reservoir

1шт.

10

277165

ELBOW,90 Degree, 7/8"-14, 37 Degree x 3/4"-14, NPTF

Adapter - 90 degrees

2шт.

11

H753970

BUSHING

Pipe Bush (1" to 3/4" Black)

1шт.

12

H265454

Hose (3/4" x 34" -1 1/6" JIC Fe. Sw. -both ends)

1шт.

13

H592444

TUBE,0.375" OD

- P.T.O. Valve to P.T.O.

1шт.

14

H91595

ADAPTER

- 90 degrees

1шт.

15

H592758

COOLER, OIL

Heat Exchager Asm.

1шт.

16

H602300

MOTOR, ELECTRIC

Oil Cooler Fan Motor

1шт.

17

H559898

MOUNTING PARTS

Fan & Motor Myg. Bracket

1шт.

18

H271106

FAN

Oil Cooler Fan

1шт.

19

H753277

X

Set Screw (#10-32 x 3/8")

1шт.

20

H257311

BRACKET

Cooler Mtg. Bracket

2шт.

21

H258376

HOSE,0.75" ID x 37.00", SAE 100R1

1шт.

23

H589978

ASSEMBLY

P.T.O. Assembly (See Figure 20)

1шт.

24

218-758

CAP,37 Degree, 1 5/16"-12

- Used When Linelayer, Dozer or Backhoe not Installed

2шт.

25

H751586

Nipple (1/2" x 2 1/2" Pipe)

1шт.

26

H749713

ELBOW

(1/2" x 90 degrees Black Pipe)

1шт.

27

H224865

ELBOW

Adapter - 90 degrees

1шт.

28

218-5375

ELBOW,90 Degree, 1 1/16"-12, 37 Degree x 7/8"-14, 37 Degree Fem Sw

Adapter - 90 degrees

1шт.

29

H270454

HOSE ASSY.

Hose (1/4" x 20"-1/4" Male Pipe - 9/16" JIC Male)

1шт.

31

218-1046

ELBOW,90 Degree, 1 1/16"-12, 37 Degree x 1"-11 1/2, NPTF

Adapter 90 degrees

1шт.

35

H151399

FILTER STRAINER

Suction Filter Asm.

4шт.

36

218-1046

ELBOW,90 Degree, 1 1/16"-12, 37 Degree x 1"-11 1/2, NPTF

- 90 degrees

1шт.

37

H592089

TUBE,0.75" OD

- Suction

1шт.

38

H592469

TUBE,0.5" OD

- Pressure

1шт.

39

H592428

TUBE,0.375" OD

- Hd. End Steer. Cyl.

1шт.

40

H592394

TUBE,0.375" OD

- Hd. End Boom Cyl.

1шт.

41

H592410

TUBE,0.375" OD

- Rod End Steer. Cyl.

1шт.

42

H592402

TUBE,0.375" OD

- Rod End Boom Cyl.

1шт.

43

H112573

ADAPTER

- Straight

1шт.

44

H745166

O-RING

O Ring

2шт.

45

76350

HYD CONNECTOR,9/16" - 18 ORB x 9/16" - 18 JIC

CONNECTOR, HYD., 9/16"-18, 37º x 9/16"-18, O-Ring

2шт.

46

H745158

O-RING

O Ring

6шт.

47

H165068

ADAPTER

- 90 degrees

2шт.

48

H550079

LOCK VALVE

Boom & Steer. Valve Asm. (See Figure 26)

1шт.

49

H547331

CYLINDER

Steer. Cyl. Asm. (See Figure 26)

1шт.

50

H165076

ELBOW

Adapter - 90 degrees

3шт.

52

H165282

HYDRAULIC HOSE,6.35 mm ID x 533.40 mm, SAE 100R1

6.35 mm ID x 533.40 mm, SAE 100R

1шт.

53

H165340

HYDRAULIC HOSE,6.35 mm ID x 304.80 mm, SAE 100R1

6.35 mm ID x 304.80 mm, SAE 100R1

2шт.

54

H265413

HOSE ASSY.

Hose (3/4" x 26"-1 1/16" JIC Male - 7/8" JIC Fe. Sw.)

1шт.

55

H234625

ELBOW

Adapter - 45 degrees

1шт.

56

H588418

PUMP

Boom & Steer. Pump Asm. (See Figure 28)

1шт.

57

H585307

PUMP

Propulsion Pump Asm. (see Figure 28)

1шт.

58

H275271

FITTING

Adapter - 90 degrees

1шт.

59

H202101

ELECTRICAL WIRE

Hose (3/8" x 28"-3/4" JIC Fe. Sw.)

1шт.

60

H195362

HYDRAULIC HOSE,6.35 mm ID x 685.80 mm, SAE 100R1

6.35 mm ID x 685.80 mm, SAE 100R1

1шт.

61

H112565

COUPLING, BREAK AWAY

Adapter - Straight

1шт.

63

H530519

CYLINDER BLOCK

Boom Cyl. Asm. (See Figure 26)

1шт.

64

H114983

AXLE PIN,31.72mm OD x 163.51mm L

Pin (1 1/4" x 6 1/4")

1шт.

65

H150144

AXLE PIN

Pin (1 1/4" x 4 11/16")

1шт.

66

H114959

AXLE PIN

Pin (1 1/4" x 3 1/16")

1шт.

67

H114975

AXLE PIN

Pin (1 1/4" x 3 3/4")

1шт.

68

H114116

DRAG LINK

Link - Straight

2шт.

69

H114108

DRAG LINK

Link - Curved

2шт.

70

H740340

BOLT

Cotter Pin (3/16" x 3 3/4")

2шт.

71

H740548

PIN

Cotter Pin (1/4" x 1 3/4")

3шт.

72

H70623

AXLE PIN

Pin (1" x 3 1/2")

2шт.

73

H740324

HARDWARE

Cotter Pin (3/16" x 3 1/2")

2шт.

74

H264234

BRACKET

Tube Bracket

1шт.

75

H45468

CLAMP

Tube Clamp

2шт.

77

H169151

HYDRAULIC HOSE,6.35 mm ID x 609.60 mm, SAE 100R1

6.35 mm ID x 609.60 mm, SAE 100R1

1шт.

78

H190082

ADAPTER

- 90 degrees

1шт.

79

H224865

ELBOW

Adapter - 90 degrees

1шт.

80

219603

90 ELBOW,1-1/16" - 12 JIC x 1-1/16" - 12, 37 Degree Fem Sw

Adapter - 90 degrees

1шт.

81

H749556

PLUG

(1/4" Pipe)

1шт.

a

H709857

BOLT

HHCS (3/8" x 1" NC)

1шт.

b

H738013

LOCK NUT

Nut (3/8" NC-Lock)

1шт.

c

H738468

WASHER

(3/8" Flat)

1шт.

d

H709436

BOLT

HHCS (5/16" x 3/4" NC)

1шт.

e

230-4215

NUT,5/16"-18, GA

Nut (5/16" NC-Lock)

1шт.

f

H709170

BOLT

HHCS (1/4" x 2" NC)

1шт.

g

H737999

LOCK NUT

Nut (1/4" NC-Lock)

1шт.

h

H710632

BOLT

HHCS (1/2" x 1 1/4" NC)

1шт.

j

H738484

WASHER

(1/2" Flat)

1шт.

k

H738039

LOCK NUT

Nut (1/2" NC-Lock)

1шт.

l

H709477

BOLT

HHCS (5/16" x 1 1/2" NC)

1шт.

m

230-4215

NUT,5/16"-18, GA

Nut (5/16" NC-Lock)

1шт.

n

H709501

BOLT

HHCS (5/16" x 2 1/2" NC)

1шт.

Выбрано товаров: 85