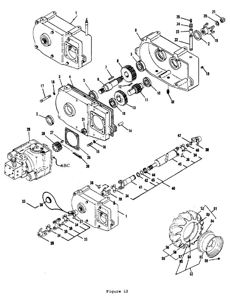
Запчасти Case P55 (26) - GEAR CASE ASSEMBLY, DRIVE LINE, WHEELS & TIRES

Схема запчастей Case P55 - (26) - GEAR CASE ASSEMBLY, DRIVE LINE, WHEELS & TIRES
FIT
1:1
100%

Артикул

Название

Примечание

Количество

1

H598342

GEARBOX ASSY

GEAR CASE ASM - Single spool transmission

1шт.

Refer to Ref. 1 Studs old style H279257 5/8"NC, new style H279208 3/4"NC and used 5/8 x 1 1/2" H711374

1шт.

2

H754226

OIL SEAL

GREASE SEAL

2шт.

If dealer is looking for 2-1/8" id, he has a heavy-duty driveline. See bulletin in 70+4 book.

1шт.

3

H214643

GEAR CASE COVER

1шт.

Up to spec. #P55WS43, P55FG44, & P55FD45.

1шт.

3

H279182

GEAR CASE COVER

1шт.

Spec. #P55WS43, P55FG44, P55FD45 & up. Includes 2 ea. H736207 nut (5/16 NF) & H739201 lock washer (5/16)

1шт.

4

H214692

GASKET

1шт.

5

H751453

BEARING

2шт.

6

H214601

SHAFT

OUTPUT SHAFT

1шт.

7

H90829

KEY

- output gear

1шт.

8

H214619

OUTPUT GEAR

1шт.

9

H214668

GEAR CASE

1шт.

Up to spec. #P55WS43, P55FG44, & P55FD45.

1шт.

9

H279190

GEAR CASE

1шт.

Spec. #P55WS43, P55FG44, P55FD45 & up. Includes 2 ea. H736207 nut (5/16 NF) & H739201 lock washer (5/16)

1шт.

10

H753194

BEARING

2шт.

11

H214627

GEAR

1шт.

12

H214684

KEY

- low gear

1шт.

13

H206250

LOW GEAR

1шт.

14

H754507

DOWEL PIN (1/2" x 1)

2шт.

15

H709873

BOLT

(3/8 x 1-1/2 NC)

2шт.

16

H739219

LOCK WASHER

(3/8")

8шт.

17

H709923

BOLT

(3/8 x 2-3/4 NC)

6шт.

18

H749606

PLUG (1/4 pipe)

1шт.

19

H208488

YOKE

SPLINED YOKE

1шт.

If dealer is looking for 2-1/8" id, he has a heavy-duty driveline. See bulletin in 70+4 book.

1шт.

20

H208496

WASHER

FLAT WASHER

1шт.

21

H214700

BOLT (MACHINE)

NUT (7/8" - 14 lock)

1шт.

22

NLS

NO LONGER SERVICED

NIPPLE (3/4" x 4 pipe)

1шт.

23

H750042

COUPLING

(3/4" pipe)

1шт.

24

H754929

BUSHING

(3/4 to 1/8 pipe)

1шт.

25

H58826

BREATHER

AIR BREATHER

1шт.

26

H213306

GASKET

MOTOR

1шт.

27

H220863

KEY

- motor

1шт.

28

H214767

GEAR WHEEL

MOTOR GEAR

1шт.

29

H567479

PROP. MOTOR (See page 46)

1шт.

30

H740001

SPLIT PIN

COTTER PIN (1/8 x 1-3/4)

1шт.

31

H754705

NUT (1" - 20, slotted hex jam)

1шт.

32

H749580

PLUG

PIPE PLUG (3/4) socket hd

2шт.

33

H568360

U-JOINT SPIDER

DRIVE JOINT ASM

1шт.

34

H212183

JOINT

U JOINT

4шт.

35

H212415

YOKE

CENTER YOKE

1шт.

36

H183566

BOLT

U BOLT, Includes 2 eaH736207 nut, 5/16 NF, and H739201 lock washer, 5/16

2шт.

37

H208488

YOKE

SPLINED YOKE

1шт.

38

H249581

PLUG

WELCH PLUG

1шт.

39

H224519

YOKE

2шт.

40

H566612

SHAFT

DRIVE SHAFT ASM

1шт.

41

H223867

YOKE

SLEEVE - yoke

1шт.

42

H223883

WASHER

FELT WASHER

1шт.

43

H223891

WASHER

STEEL WASHER

1шт.

44

H223875

CYLINDER END CAP

CAP

1шт.

45

H571372

SHAFT

DRIVE SHAFT

1шт.

46

H224642

NUT

- pinion

1шт.

47

H224501

WASHER

- pinion, 7/8 inch

1шт.

51

H568188

TRACTION TIRE & WHEEL ASM

4шт.

52

H216127

TIRE - 9.5 x 16 - 8 ply

1шт.

53

H216226

TUBE - 9.5 x 16

1шт.

54

H568063

WHEEL - 16 x 10

1шт.

55

H568196

HI-FLOTATION TIRE & WHEEL ASSEMBLY

4шт.

56

H216259

TIRE - 12 x 16.5 - 8 ply

1шт.

57

H567461

WHEEL - 16.5 x 9.75

1шт.

58

H28555

VALVE

STEM

1шт.

59

H220657

NUT

WHEEL NUT

20шт.

62

H571786

EXTRA HI-FLOTATION TIRE, tube & wheel asm

4шт.

63

H224899

TERRA - tire, 31" x 15.50 15" (8 ply)

1шт.

64

H224907

TUBE

31" x 15.50 - 15" heavy duty

1шт.

65

H571778

WHEEL (STEERING)

WHEEL, 14" x 15" D/C (Hi-Flotation)

1шт.

a

H711010

BOLT

HHCS (9/16 x 1-1/2 NC)

4шт.

b

H738492

HARDWARE

FLAT WASHER (9/16)

4шт.

c

H739243

WASHER, LOCK

LOCK WASHER (9/16)

4шт.

H635391

CALIPER

ASSY. parking brake

1шт.

S107627

BRAKE PAD

PAD and HOLDER

1шт.

S107628

SPRING

1шт.

Выбрано товаров: 75