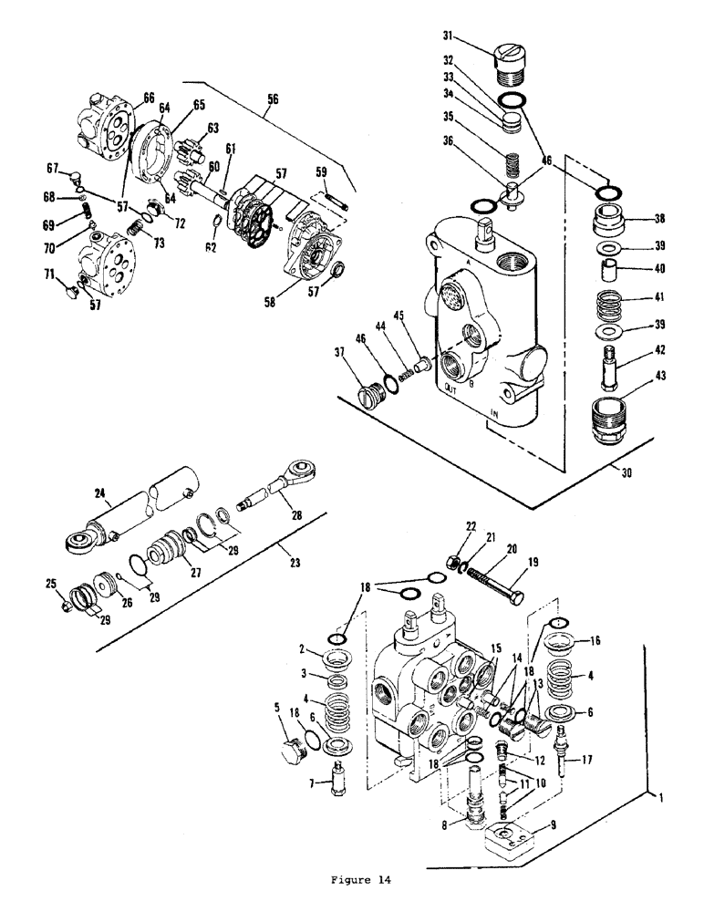
Запчасти Case P55 (30) - ACCESSORY VALVE, STEERING VALVE, STEERING CYLINDER, PRIORITY PUMP

Схема запчастей Case P55 - (30) - ACCESSORY VALVE, STEERING VALVE, STEERING CYLINDER, PRIORITY PUMP
FIT
1:1
100%

Артикул

Название

Примечание

Количество

1

H585489

LOCK VALVE

ACCESSORY VALVE ASM

1шт.

2

H52902

CAP

WASHER

2шт.

3

H746164

WASHER

2шт.

4

H220517

SPRING

SPOOL SPRING

2шт.

5

H94219

PLUG

- power beyond (Includes o ring)

1шт.

6

H31401

WASHER

2шт.

7

H138248

SCREW,1/4" - 20 x 7/16"

SPOOL SCREW

1шт.

8

H102053

VALVE

RELIEF VALVE (2000 PSI - includes o ring)

1шт.

9

H125831

BLOCK

DETENT BLOCK

1шт.

10

H105049

SPRING

DETENT SPRING

2шт.

11

H104992

PAWL

DETENT PAWL

2шт.

12

H105015

PLUG

DETENT PLUG

1шт.

13

H47506

PLUG

(Includes o ring)

2шт.

14

H47514

SPRING

2шт.

15

H52894

PLUNGER

lift check

2шт.

16

H138271

WASHER

- deep

1шт.

17

H139071

SCREW,1/4" - 20

detent

1шт.

18

H147348

KIT

SEAL REPAIR KIT

1шт.

19

H709519

BOLT

HHCS (5/16 x 2-1/2 NC) Accy valve mounting

1шт.

20

H709501

BOLT

HHCS (5/16 x 2-1/4 NC) Accy valve mtg

1шт.

21

230-4215

NUT,5/16"-18, GA

NUT (5/16 NC - lock)

2шт.

22

H738450

WASHER

Flat Washer (5/16)

2шт.

23

H595173

CYLINDER BLOCK

STEERING CYLINDER ASM

1шт.

Spec #P55WS34, P55FG35, P55FD36 & up.

1шт.

23

H579227

CYLINDER

STEERING CYLINDER ASM

1шт.

Up to spec #P55WS34, P55FG35, P55FD36.

1шт.

24

H579169

CYLINDER

BARREL ASM

1шт.

25

H223024

LOCK NUT

1шт.

26

H223073

PISTON ASSY.

PISTON

1шт.

27

H223362

GLAND

1шт.

28

H571141

PISTON ROD ASM

1шт.

Spec #P55WS34, P55FG35, P55FD36 & up.

1шт.

28

H579177

PISTON ROD ASM

1шт.

Up to spec #P55WS34, P55FG35, P55FD36.

1шт.

29

H571133

SEAL ASSY.

SEAL REPAIR KIT

1шт.

30

H567750

VALVE

STEERING CONTROL VALVE ASM

1шт.

31

H229195

PLUG

(Includes o ring)

1шт.

32

H77990

SHIM

(.015)

1шт.

33

H746180

SHIM

(.010)

1шт.

34

H220798

SHIM,.035" Thk

1шт.

35

H93872

VALVE SPRING

SPRING

1шт.

36

H220772

VALVE POPPET

POPPET

1шт.

37

H570218

PLUG (Includes o ring)

1шт.

38

H220756

BUSHING

1шт.

39

H220806

WASHER

1шт.

39

H253054

WASHER

(.020)

1шт.

39

H253062

WASHER

(.046)

1шт.

40

H220749

SPACER

1шт.

41

H220764

SPRING

1шт.

42

H220731

SPOOL SCREW

1шт.

43

H570226

CAP ASM

1шт.

44

H119057

SPRING

1шт.

45

H220715

PLUNGER

1шт.

46

H570200

SEAL REPAIR KIT

1шт.

56

H561258

PUMP

PRIORITY FLOW PUMP

1шт.

57

H563221

KIT

SEAL REPAIR KIT

1шт.

58

H83600

LARGE PLATE

FRONT PLATE ASM

1шт.

59

H60053

CAPSCREW

CAP SCREW

8шт.

60

H563015

GEAR WHEEL

DRIVE GEAR ASM

1шт.

61

H58206

KEY

1шт.

62

H746487

RING, SNAP

SNAP RING

1шт.

63

H563023

GEAR

IDLER GEAR ASM

1шт.

64

H745844

PIN

DOWEL

2шт.

65

H203299

BODY

1шт.

66

H563213

BACK PLATE REPAIR KIT

1шт.

67

H83592

PLUG

HEX PLUG

1шт.

68

H746180

SHIM

- relief valve

1шт.

69

H93872

VALVE SPRING

SPRING - relief valve

1шт.

70

H138362

SPOOL

POPPET - relief valve

1шт.

71

H83618

HEX PLUG

1шт.

72

H83626

PLUG

HEX PLUG

1шт.

73

H100990

SPRING

1шт.

H758367

RING

snap, used to retain return spring

1шт.

H435637

KIT seal

1шт.

Выбрано товаров: 74