Запчасти Case P55 (64) - REEL CARRIER ATTACHMENT, LIFT CYLINDER ASSEMBLY

Схема запчастей Case P55 - (64) - REEL CARRIER ATTACHMENT, LIFT CYLINDER ASSEMBLY
FIT
1:1
100%

Артикул

Название

Примечание

Количество

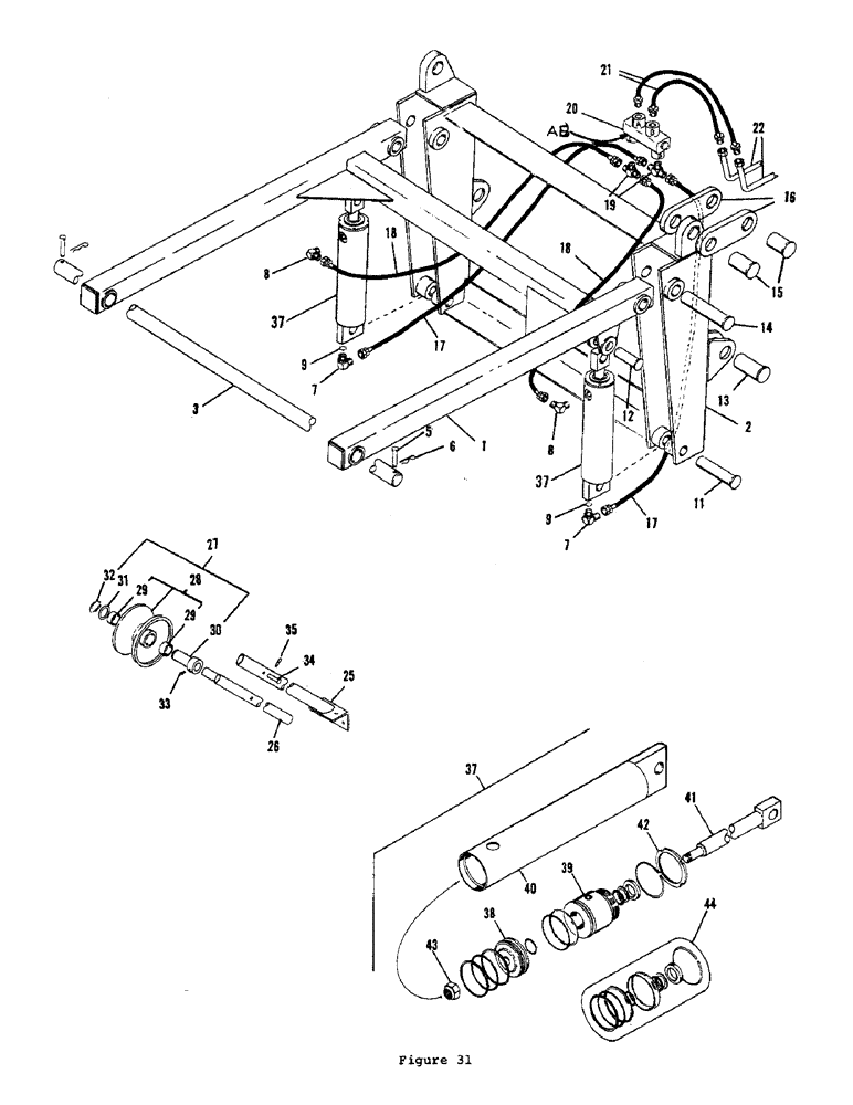
1

H572602

LIFT ARM ASSEMBLY

1шт.

2

H569731

CARRIER MOUNTING BRACKET

1шт.

3

H227702

SHAFT - reel carrier

1шт.

5

H126102

AXLE PIN

CLEVIS PIN (3/8" x 2-7/8")

2шт.

6

H32292

PIN

HAIR PIN

4шт.

7

H165068

ADAPTER

- 90 degrees

2шт.

8

H165076

ELBOW

ADAPTER - 90 degrees

2шт.

9

H745158

O-RING

O RING

2шт.

11

H79293

AXLE PIN,28.5mm OD x 128.59mm L

PIN (1-1/8 x 4-7/8)

2шт.

12

H67272

PIN,25.3mm OD x 84.93mm L

PIN (1" x 3")

2шт.

13

H210674

PIN (1-1/2" x 3-1/4")

2шт.

14

H114983

AXLE PIN,31.72mm OD x 163.51mm L

PIN (1-1/4" x 6-1/4")

2шт.

15

H210658

AXLE PIN

PIN (1-1/2" x 2-5/8")

4шт.

16

H211433

LINK

4шт.

17

H172965

HYDRAULIC HOSE,6.35 mm ID x 939.60 mm, SAE 100R1

6.35 mm ID x 939.60 mm, SAE 100R1

2шт.

18

H185744

HOSE

(1/4" x 24" - 9/16" JIC Fe Sw - both ends)

2шт.

19

H206961

TEE

2шт.

20

H571737

SPARE PART

LOCKOUT VALVE ASSEMBLY (See figure 38 for parts list)

1шт.

20

H591743

VALVE

DOUBLE LOCKOUT (See figure 38 for parts list)

1шт.

21

H167411

HOSE (1/4" x 20" - 3/8" NPT - 9/16" JIC male)

2шт.

22

H568758

TUBE,0.375" OD

(For additional plumbing from these tubes to accessory valve, see page 12)

2шт.

25

H571349

WIRE GUIDE MOUNTING POST

1шт.

26

H571331

INNER POST

1шт.

27

H546887

WIRE GUIDE WHEEL ASSEMBLY

1шт.

28

H546895

GUIDE WHEEL & BUSHING ASSEMBLY

1шт.

29

H156497

BUSHING

2шт.

30

H156505

BEARING SHAFT

1шт.

31

H152728

WASHER

1шт.

32

H746594

RING, SNAP

SNAP RING

1шт.

33

H709451

BOLT (SPREADER)

BOLT (5/16" x 1" NC)

1шт.

34

H101741

AXLE PIN

CLEVIS PIN (1/2" x 2-3/4")

1шт.

35

H32292

PIN

HAIR PIN

1шт.

36

H56242

PIN (1/2" x 4")

2шт.

37

H504076

CYLINDER BLOCK

LIFT CYLINDER ASSEMBLY

2шт.

38

H32540

PISTON

1шт.

39

H70078

BEARING

1шт.

40

H72215

SLEEVE CYLINDER

BARREL ASSEMBLY

1шт.

41

H66571

ROD

PISTON ROD ASSEMBLY

1шт.

42

H745810

NUT

BEARING NUT

1шт.

43

H737643

NUT

LOCK NUT

1шт.

44

H507350

GASKET KIT

SEAL REPAIR KIT

1шт.

a

H709501

BOLT

HHCS (5/16" x 2-1/4" NC)

1шт.

b

230-4215

NUT,5/16"-18, GA

NUT (5/16" NC - lock)

1шт.

Выбрано товаров: 43