Запчасти Case P55 (66) - STANDARD BACKFILL BLADE ATTACHMENT, CYLINDER ASSEMBLY

Схема запчастей Case P55 - (66) - STANDARD BACKFILL BLADE ATTACHMENT, CYLINDER ASSEMBLY
FIT
1:1
100%

Артикул

Название

Примечание

Количество

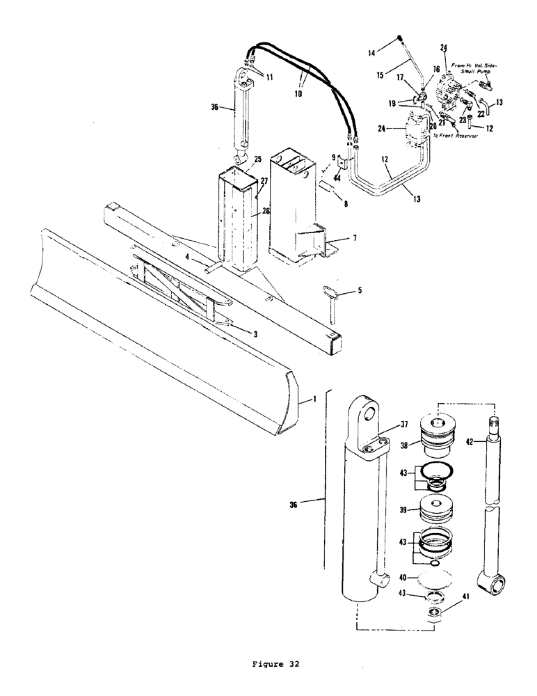
1

H565283

BACKFILL BLADE

1шт.

3

H517540

DRAG LINK

LINK

1шт.

4

H210815

PIN - cylinder rod end

1шт.

5

H517607

AXLE PIN

LOCK PIN

3шт.

7

H566489

BACKFILL BLADE MOUNTING BRACKET

1шт.

8

H191429

AXLE PIN

PIN - cylinder hd end

1шт.

9

H742437

ROLL PIN

(1/4" x 2")

1шт.

10

H218735

HOSE (3/8" x 17" - 3/4" ORB - 3/4" JIC male)

2шт.

11

H745166

O-RING

O RING

2шт.

12

H568733

TUBE 0.5" OD

1шт.

13

H568725

TUBE 0.5" OD

1шт.

14

H182121

KNOB

1шт.

15

H218032

CONTROL BLOCK

DOZER LEVER

1шт.

16

H736645

NUT

(3/8" NC - jam)

1шт.

17

H275255

CRANK LEVER

LEVER CASTING ASSEMBLY

1шт.

19

H185066

DRAG LINK

LINK

2шт.

20

H35279

AXLE PIN,4.72mm OD x 23.76mm L

CLEVIS PIN (3/17" x 15/64")

1шт.

21

H174771

CLEVIS PIN

(1/4" x 1")

1шт.

22

H112573

ADAPTER

- straight

1шт.

23

H168609

ELBOW

ADAPTER - 90 degrees

1шт.

24

H585489

LOCK VALVE

ACCESSORY VALVE ASSEMBLY (See figure 30 for parts list)

1шт.

25

H565176

FRAME ASSEMBLY

1шт.

26

H239129

ALUMINUM SLIDE - angle

4шт.

27

H750547

RIVET

ALUMINUM RIVET (20 required w/part #H239129)

40шт.

36

H559435

CYLINDER BLOCK

CYLINDER ASSEMBLY

1шт.

Up to spec. # 7055-3207 (2-1/2 diameter cylinder).

1шт.

36

H572156

CYLINDER ASSEMBLY

1шт.

Spec. # 7055-3207 & up (3-1/2 diameter cylinder)

1шт.

37

H207076

SLEEVE CYLINDER

BARREL ASSEMBLY

1шт.

Up to spec. # 7055-3207 (2-1/2 diameter cylinder).

1шт.

37

H226290

BARREL ASSEMBLY

1шт.

Spec. # 7055-3207 & up (3-1/2 diameter cylinder)

1шт.

38

H207043

GLAND

BEARING

1шт.

Up to spec. # 7055-3207 (2-1/2 diameter cylinder).

1шт.

38

H226308

GLAND

BEARING

1шт.

Spec. # 7055-3207 & up (3-1/2 diameter cylinder)

1шт.

39

H207035

PISTON ASSY.

PISTON

1шт.

Up to spec. # 7055-3207 (2-1/2 diameter cylinder).

1шт.

39

H226316

PISTON

1шт.

Spec. # 7055-3207 & up (3-1/2 diameter cylinder)

1шт.

40

H223024

LOCK NUT

LOCK WIRE

1шт.

41

H207019

NUT

LOCK NUT

1шт.

Up to spec. # 7055-3207 (2-1/2 diameter cylinder).

1шт.

41

H223024

LOCK NUT

1шт.

Spec. # 7055-3207 & up (3-1/2 diameter cylinder)

1шт.

42

H207084

PISTON

ROD ASSEMBLY

1шт.

Up to spec. # 7055-3207 (2-1/2 diameter cylinder).

1шт.

42

H207084

PISTON

ROD ASSEMBLY

1шт.

Spec. # 7055-3207 & up (3-1/2 diameter cylinder)

1шт.

43

H207068

SEAL

REPAIR KIT

1шт.

Up to spec. # 7055-3207 (2-1/2 diameter cylinder).

1шт.

43

H226357

SEAL ASSY.

SEAL REPAIR KIT

1шт.

Spec. # 7055-3207 & up (3-1/2 diameter cylinder)

1шт.

44

H45468

CLAMP

1шт.

Выбрано товаров: 54