Запчасти Case P55 (70) - HYDRAULIC BACKFILL BLADE & MOUNTING BRACKET

Схема запчастей Case P55 - (70) - HYDRAULIC BACKFILL BLADE & MOUNTING BRACKET
FIT
1:1
100%

Артикул

Название

Примечание

Количество

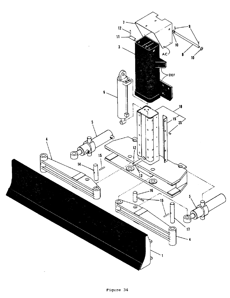
1

H583385

BACKFILL BLADE ASSEMBLY

1шт.

Ref. 1cutting edge is P/N 209775.

1шт.

3

H584474

BACKFILL BLADE SUPPORT BOX

1шт.

4

H248120

CYLINDER ARM

2шт.

5

H583260

CYLINDER BLOCK

ANGLE CYLINDER ASSEMBLY - See figure 72 for parts list

2шт.

6

H601898

LIFT CYLINDER ASSEMBLY - See figure 72 for parts list

1шт.

7

H251348

VALVE CONSOLE

1шт.

8

H251355

LEVER SHAFT

1шт.

9

H739946

KEY

COTTER PIN (1/8" x 1")

2шт.

10

H738500

WASHER

FLAT WASHER (5/8" SAE)

2шт.

11

H191429

AXLE PIN

PIN - hd end lift cylinder

1шт.

12

H742437

ROLL PIN

(1/4" x 2")

2шт.

13

H210815

PIN - rod end lift cylinder

1шт.

14

H248153

AXLE PIN

PIN - pivot

2шт.

15

H755967

PIN, ROLL

ROLL PIN (3/8" x 2-3/4")

6шт.

16

H249003

AXLE PIN

PIN - rod end angle cylinder

2шт.

17

H248146

AXLE PIN

PIN - slide

2шт.

18

H583328

BACKFILL BLADE MOUNTING FRAME

1шт.

19

H255406

SLIDE

4шт.

20

H756247

RIVET

40шт.

a

H709451

BOLT (SPREADER)

HHCS (5/16" x 1" NC)

1шт.

c

230-4215

NUT,5/16"-18, GA

NUT (5/16" NC)

1шт.

d

H711390

BOLT

HHCS (5/8" x 2" NC)

1шт.

e

H738658

WASHER

(5/8" wrought)

1шт.

f

230-42110

LOCK NUT,5/8"-11, GA

NUT (5/8" NC - lock)

1шт.

Выбрано товаров: 25