Запчасти Case P55 (72) - BACKFILL BLADE, LIFT & ANGLE HYDRAULICS, CYLINDER ASSEMBLIES

Схема запчастей Case P55 - (72) - BACKFILL BLADE, LIFT & ANGLE HYDRAULICS, CYLINDER ASSEMBLIES
FIT
1:1
100%

Артикул

Название

Примечание

Количество

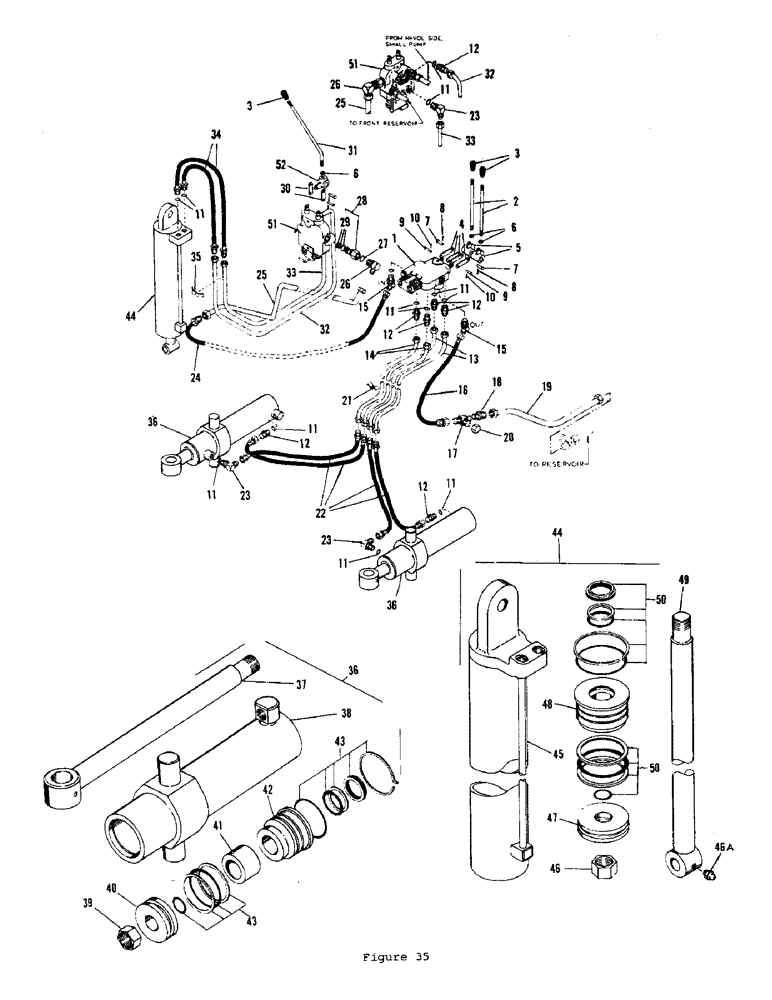
1

H585489

LOCK VALVE

CONTROL VALVE ASSEMBLY

2шт.

2

H191924

LEVER

CONTROL LEVER

2шт.

3

H182121

KNOB

3шт.

4

H185066

DRAG LINK

LEVER - link

4шт.

5

H275263

LEVER

HANDLE

3шт.

6

H736645

NUT

(3/8" NC - jam)

3шт.

7

H174771

CLEVIS PIN

PIN (1/4" x 1")

3шт.

8

H739623

PIN

COTTER PIN (1/16" x 1/2")

3шт.

9

H35279

AXLE PIN,4.72mm OD x 23.76mm L

PIN (3/16" x 57/64")

3шт.

10

H739771

HARDWARE

COTTER PIN (3/32" x 3/4")

3шт.

11

H745166

O-RING

O RING

12шт.

12

H112573

ADAPTER

- straight

7шт.

13

H585018

TUBE,0.5" OD

- port A & C

2шт.

14

H585000

TUBE,0.5" OD

- port B & D

2шт.

15

218-5137

ELBOW,45 Degree Elbow, 7/8" - 14 Male JIC x 7/8" - 14 Male ORB

Adapter - 45 deg.

2шт.

16

H203356

HOSE (1/2" x 27" JIC Fm Swv - both ends)

1шт.

17

H218321

TEE - hydraulic

1шт.

18

H250746

ADAPTER

- straight

1шт.

19

H568774

TUBE,0.75" OD x 7, 3.75" L

- return

1шт.

20

H167288

CAP

TEE CAP

1шт.

21

H59345

CLAMP

TUBE CLAMP

2шт.

22

H203307

HOSE ASSY.

HOSE (7/8" x 24" - 3/4" JIC M - 3/4 JIC Fm Swv)

4шт.

23

H168609

ELBOW

ADAPTER - 90 degrees

3шт.

24

H202119

HOSE ASSY.

HOSE (1/2" x 32" - 7/8" JIC M - 7/8 JIC Fm Swv)

1шт.

25

H568931

TUBE - pressure beyond 0.625" OD

1шт.

26

H31674

ADAPTER

- 90 degrees

1шт.

27

H745174

O-RING

O RING

1шт.

28

H47530

SLEEVE

PRESSURE BEYOND ADAPTER

1шт.

29

H587345

SEAL ASSY.

ADAPTER SEAL KIT

1шт.

30

H185066

DRAG LINK

VALVE LINK

2шт.

31

H218032

CONTROL BLOCK

VALVE LEVER

1шт.

32

H568733

TUBE - port "A" 0.5" OD

1шт.

33

H568725

TUBE - port "B" 0.5" OD

1шт.

34

H213058

HYDRAULIC HOSE,9.52 mm ID x 558.80 mm, SAE 100R1

9.52 mm ID x 558.80 mm, SAE 100R1

2шт.

35

H45468

CLAMP

1шт.

36

H583260

CYLINDER BLOCK

ANGLE CYLINDER ASSEMBLY

2шт.

Use SEAL KIT H587485 Ref. 50.

1шт.

37

H587493

ROD

PISTON ROD ASSEMBLY

1шт.

38

H587501

BARREL ASSEMBLY

1шт.

39

H223024

LOCK NUT

1шт.

40

H223073

PISTON ASSY.

PISTON

1шт.

41

H268318

SPACER RING

1шт.

42

H223081

GLAND

1шт.

43

H587485

SET

SEAL REPAIR KIT

1шт.

44

H601898

LIFT CYLINDER ASSEMBLY

1шт.

45

H587477

BARREL ASSEMBLY

1шт.

For 3-1/2" lift cylinder.

1шт.

45

H286567

BARREL ASSEMBLY

1шт.

For 3" lift cylinder.

1шт.

46

H223024

LOCK NUT

1шт.

46a

H745299

FITTING

GREASE FITTING

1шт.

For 3-1/2" lift cylinder.

1шт.

47

H223073

PISTON ASSY.

PISTON

1шт.

For 3" lift cylinder.

1шт.

47

H226316

PISTON

1шт.

For 3-1/2" lift cylinder.

1шт.

48

H223081

GLAND

1шт.

For 3" lift cylinder.

1шт.

48

H226308

GLAND

1шт.

For 3-1/2" lift cylinder.

1шт.

49

H587469

ROD

PISTON ROD ASSEMBLY

1шт.

For 3-1/2" lift cylinder.

1шт.

50

H226357

SEAL ASSY.

SEAL REPAIR KIT

1шт.

50

H587485

SET

SEAL REPAIR KIT

1шт.

For 3" lift cylinder.

1шт.

51

H567487

VALVE

ACCESSORY VALVE ASSEMBLY - See figure 30 for parts list

1шт.

52

H275255

CRANK LEVER

LEVER CASTING

1шт.

Выбрано товаров: 67