Запчасти Case P55 (74) - SD-130 BACKHOE ATTACHING KIT

Схема запчастей Case P55 - (74) - SD-130 BACKHOE ATTACHING KIT
FIT
1:1
100%

Артикул

Название

Примечание

Количество

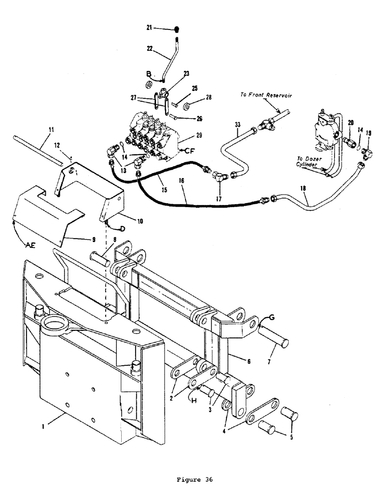
1

H567115

BACKHOE MAIN FRAME

1шт.

2

H211573

LINK - main frame to attaching frame

4шт.

3

H114959

AXLE PIN

PIN (1-1/4" x 3-1/4")

4шт.

4

H210351

LINK ATTACHING FRAME TO TRENCHER

4шт.

5

H210658

AXLE PIN

PIN (1-1/2" x 2-13/16")

4шт.

6

H566323

ATTACHING FRAME

1шт.

7

H217281

AXLE PIN

PIN (1-1/2" X 6-7/16")

2шт.

8

H222836

PIN (1-1/4" X 3-1/16")

2шт.

9

H567123

COVER

PLATE

1шт.

10

H567131

CONTROL

VALVE CONTROL BRACKET

1шт.

11

H110262

SHAFT

LEVER SHAFT

1шт.

12

H742015

PIN

ROLL PIN (3/16" x 1-1/4")

1шт.

13

218-5201

90 ELBOW,90 Degree, 7/8"-14 O-Ring x 1/2" NPSM Fem

ADAPTER - 90 degrees

2шт.

14

H745174

O-RING

O RING

3шт.

15

H227736

HOSE (1/2" x 43" - 7/8" JIC M - 1/2" M pipe)

1шт.

16

H218883

HOSE ASSY.

HOSE (1/2" x 36" - 7/8" JIC M - 1/2" M pipe)

1шт.

17

218-5375

ELBOW,90 Degree, 1 1/16"-12, 37 Degree x 7/8"-14, 37 Degree Fem Sw

ADAPTER - 90 degrees

1шт.

18

H568931

TUBE - pressure 0.625" OD

1шт.

19

H31674

ADAPTER

- 90 degrees

1шт.

20

H47530

SLEEVE

POWER BEYOND ADAPTER

1шт.

21

H182121

KNOB

4шт.

22

H218990

LEVER

CONTROL LEVER

4шт.

23

H275255

CRANK LEVER

LEVER CASTING

4шт.

25

H35279

AXLE PIN,4.72mm OD x 23.76mm L

PIN (3/8" x 57/64")

4шт.

26

H174771

CLEVIS PIN

PIN (1/4" x 1")

4шт.

27

H219006

DRAG LINK

LEVER LINK

8шт.

28

H26468

SPACER

6шт.

29

H567677

CONTROL VALVE ASSEMBLY (See Davis D-130 backhoe owners manual)

1шт.

33

H568774

TUBE,0.75" OD x 7, 3.75" L

1шт.

a

H709436

BOLT

HHCS (5/16 x 3/4 NC)

4шт.

b

H736645

NUT

(3/8 NC - jam)

4шт.

c

H710228

BOLT (MACHINE)

HHCS (7/16" x 3/4" - NC)

3шт.

d

H738179

NUT

(1/2" NF - lock)

2шт.

e

H739201

WASHER

LOCK WASHER (5/16")

4шт.

f

H739227

WASHER, LOCK

LOCK WASHER (7/16")

3шт.

g

H740563

SPLIT PIN

COTTER PIN (1/4" x 2-1/4")

6шт.

h

H740548

PIN

COTTER PIN (1/4" x 1-3/4")

4шт.

Выбрано товаров: 37