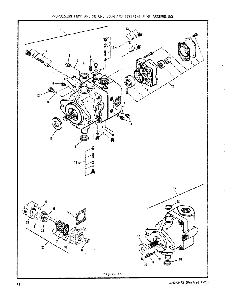
Запчасти Case P57 (28) - PROPULSION PUMP AND MOTOR, BOOM AND STEERING PUMP ASSEMBLIES

Схема запчастей Case P57 - (28) - PROPULSION PUMP AND MOTOR, BOOM AND STEERING PUMP ASSEMBLIES
2
27
8
31
7
6
1
4
17
9
10
18
13
16
7
27
8
13
12
19
28
29
15
25
14a
8
32
5
9
20
3
14a
8
11
31
7
7
14
8
30
7
16
26
FIT
1:1
100%

Артикул

Название

Примечание

Количество

1

H585307

PUMP

Propulsion Pump Asm

1шт.

2

H591529

KIT

Charge Pump Kit

1шт.

3

H757070

PIN

1шт.

4

H757088

O-RING

O Ring

1шт.

5

H297994

GASKET

1шт.

6

H746214

PLUG

2шт.

7

H743286

O-RING

O Ring

8шт.

8

H263616

SPARE PART

Plug

8шт.

9

H756288

SEAL

Lip Seal

2шт.

10

H756296

SEAL

Lip Seal

1шт.

11

H745166

O-RING

O Ring

1шт.

12

H217299

PLUG

1шт.

13

H591537

KIT

Check Valve Kit

2шт.

14

H591545

LOCK VALVE

Charge Relief Valve

1шт.

14a

H591552

LOCK VALVE

Relief Valve

2шт.

15

H585299

MOTOR

Propulsion Motor Asm

1шт.

16

H756288

SEAL

Lip Seal

2шт.

17

H756296

SEAL

Lip Seal

1шт.

18

84-528

Set Screw Hex Soc, 5/16"-24 x 1 3/4"

1шт.

19

H264382

WASHER

Seal Washer

1шт.

20

H736777

X

Jam Nut

1шт.

25

H588418

PUMP

Boom & Steering Pump Asm

1шт.

26

H591586

HOUSING

Back Housing Asm

1шт.

27

H754580

DOWEL

Pin

2шт.

28

H591594

GEAR

Drive Gear Asm

1шт.

29

H591602

GEAR

Idler Gear Asm

1шт.

30

H591578

LARGE PLATE

Front Plate Asm

1шт.

31

H591560

SEAL

Repair Kit

1шт.

32

H262659

GASKET

1шт.

Выбрано товаров: 29