Запчасти Case P60 (180) - FRONT FRAME AND FENDERS (39) - FRAMES AND BALLASTING

Схема запчастей Case P60 - (180) - FRONT FRAME AND FENDERS (39) - FRAMES AND BALLASTING
FIT
1:1
100%

Артикул

Название

Примечание

Количество

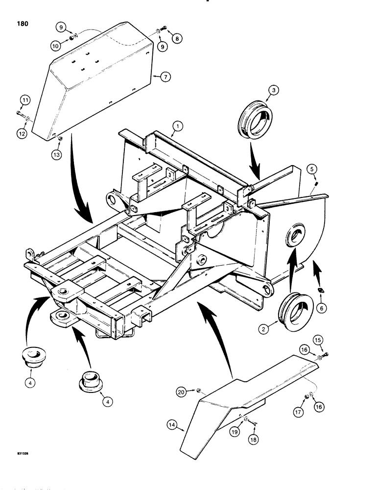
1

H554790

FRAME ASSEMBLY - front, 30+4 only

1шт.

1

H569194

FRAME ASSEMBLY - front, 40+4 only, Includes: Ref. 2-6

1шт.

2

H150201

BUSHING

- boom pivot, outside

1шт.

3

H150193

BUSHING

- boom pivot, inside

1шт.

4

H334730

BUSHING

- articulation pivot

2шт.

5

83-48

SET SCREW,Hex Soc, 1/4"-20 x 1/2"

- hex socket head, 1/4" - 20 NC x 1/2", used with refs. 2 and 3 only

2шт.

6

219-11

LUBE NIPPLE,1/4" - 28 NPTF

NIPPLE, LUBE, , Straight, Taper, Boom pivot 1/4"-28 NPT x .94" lg

2шт.

7

H558460

FENDER

- front, left hand, 30+4 Deutz only

1шт.

7

H671230

FENDER ASSY.

FENDER - front, left-hand, 30+4 Deutz only

1шт.

8

113-103

BOLT,Hex, 5/16" - 18 x 1", Gr 5

1шт.

9

195-521

WASHER,5/16", SAE

- flat, 5/16"

2шт.

10

113-208

BOLT,Hex, 3/8" - 16 x 1-1/4", Gr 5

3шт.

11

113-208

BOLT,Hex, 3/8" - 16 x 1-1/4", Gr 5

3шт.

12

195-525

WASHER,3/8", SAE

- flat, 3/8"

3шт.

13

230-4216

LOCK NUT,3/8"-16, GA

NUT - hex, self-locking, 3/8" - 16 NC

3шт.

14

H558452

FENDER

- front, right-hand, 30+4 only

1шт.

14

H570028

FENDER - front, right-hand, 40+4 only

1шт.

15

113-103

BOLT,Hex, 5/16" - 18 x 1", Gr 5

1шт.

16

195-521

WASHER,5/16", SAE

- flat, 5/16"

2шт.

17

131-176

LOCK NUT,Prev Torque, Hex, 5/16" - 18, Gr A

NUT - hex, self-locking, 5/16" - 18 NC

1шт.

18

113-208

BOLT,Hex, 3/8" - 16 x 1-1/4", Gr 5

2шт.

19

195-525

WASHER,3/8", SAE

- flat, 3/8"

2шт.

20

230-4216

LOCK NUT,3/8"-16, GA

NUT - hex, self-locking, 3/8" - 16 NC

2шт.

Выбрано товаров: 23